Запчасти Komatsu 60E УДАЛЕНН. УПРАВЛЯЮЩ. КЛАПАН, TWO WAYS KICK-DOWN ГИДРАВЛИКА

Схема запчастей Komatsu 60E - УДАЛЕНН. УПРАВЛЯЮЩ. КЛАПАН, TWO WAYS KICK-DOWN ГИДРАВЛИКА
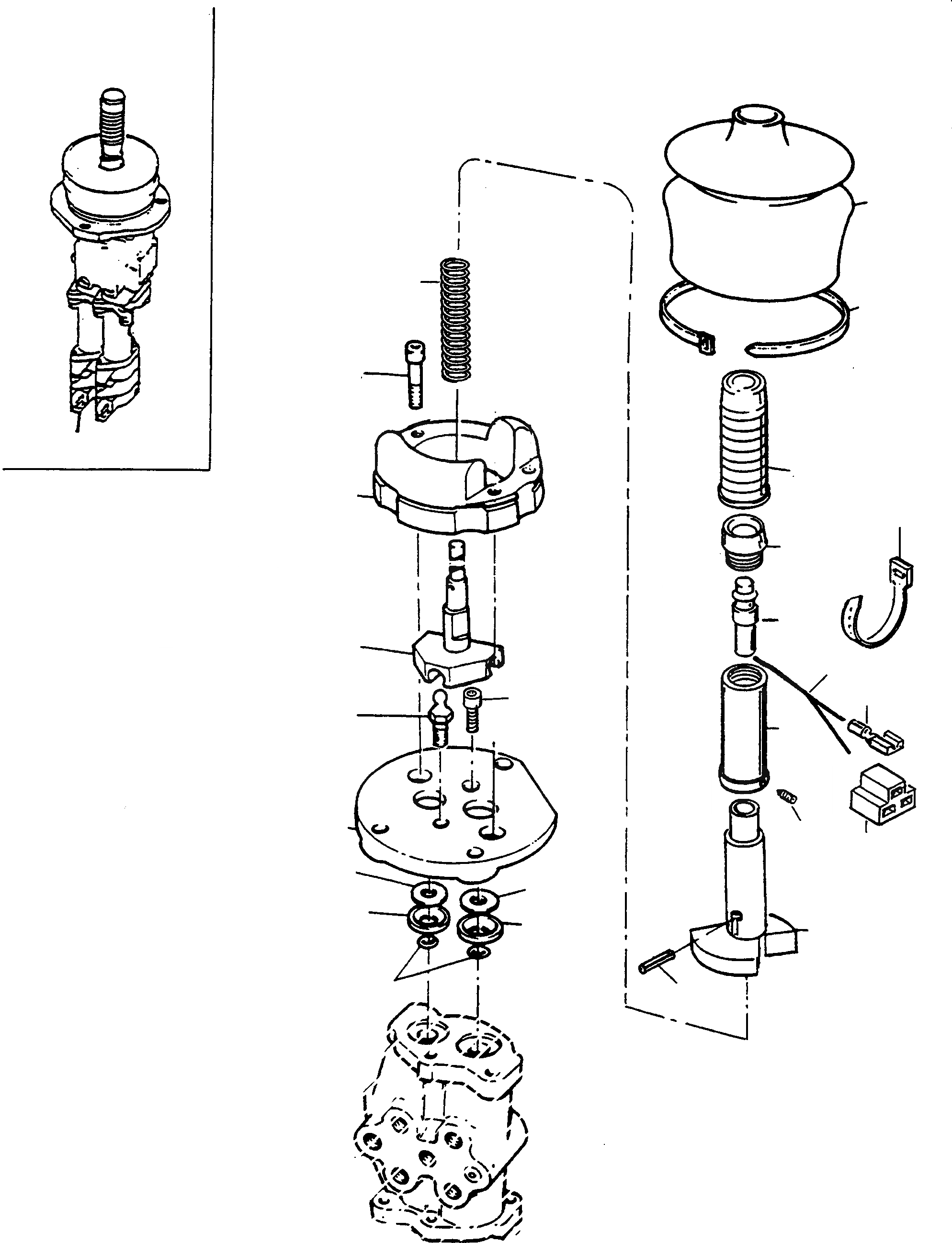
6B
2
6A
14
13
3
1
4
16
5
6
17
7
20
18
9
19
10
8
21
21
22
22
11
23
12
FIT
1:1
100%

Артикул

Название

Примечание

Количество

1

4216121M91

REMOTE CONTROL VALVE

DeutschDesc: VORSTEUERVENTIL

1шт.

|$24

SEAL KIT

DeutschDesc: DICHTUNGSSATZ

-3шт.

2

2949230M1

BELLOWS

DeutschDesc: FALTENBALG

1шт.

3

3031752M1

BRACE

DeutschDesc: HALTEBAND

1шт.

4

4909019M1

SHEATH

DeutschDesc: HUELLE

1шт.

5

4907626M1

THRUST RING

DeutschDesc: DRUCKRING

1шт.

6

4918814M91

MICRO SWITCH

DeutschDesc: MIKROSCHALTER

1шт.

6A

4919514M91

HARNESS

DeutschDesc: KABELBAUM

1шт.

6B

2999878M1

BRACE

DeutschDesc: HALTEBAND

1шт.

7

2995874X1

ELECTRICAL PLUG

DeutschDesc: STECKER

2шт.

8

2994778M1

CONNECTION SOCKET

DeutschDesc: STECKVERBINDUNG

1шт.

9

4907625M1

HOLDING FIXTURE

DeutschDesc: AUFNAHME

1шт.

10

4917783M1

GRUB SCREW

DeutschDesc: GEWINDESTIFT

3шт.

11

4907624M1

HANDLE

DeutschDesc: HANDGRIFF

1шт.

12

2949231M1

ADAPTER SLEEVES

DeutschDesc: SPANNHUELSE

1шт.

13

4907623M1

SPRING

DeutschDesc: FEDER

1шт.

14

3235389M1

SCREW

DeutschDesc: SCHRAUBE

2шт.

15

NOT USED

DeutschDesc: NICHT VERWENDET

-1шт.

16

4907622M1

HOUSING

DeutschDesc: GEHAEUSE

1шт.

17

4907627M1

LEVER

DeutschDesc: HEBEL

1шт.

18

2949238M1

BALL HEAD

DeutschDesc: KUGELKNOPF

1шт.

19

4907620M1

FLANGE

DeutschDesc: FLANSCH

1шт.

20

2949239M1

SCREW

DeutschDesc: SCHRAUBE

1шт.

21

4907616M1

STRIPPER

DeutschDesc: ABSTREIFER

2шт.

22

3077642M1

BRACKET

DeutschDesc: HALTER

2шт.

23

4913237M1

SEAL

DeutschDesc: DICHTRING

2шт.

Выбрано товаров: 0