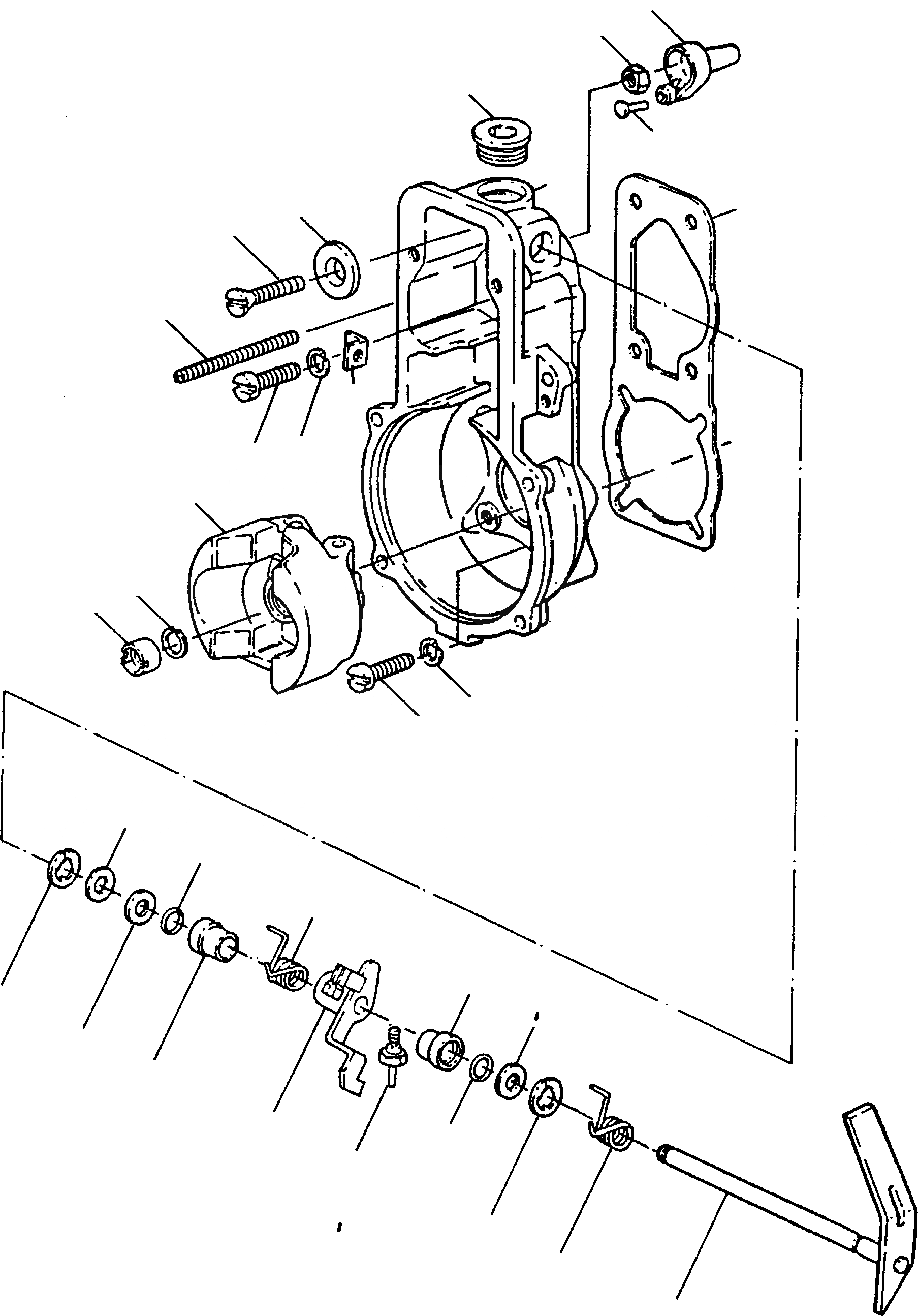
Запчасти Komatsu 60E ТОПЛ. НАСОС, РЕГУЛЯТОР ДВИГАТЕЛЬ, АКСЕССУАРЫ И ЭЛЕКТРИЧ. СИСТЕМА

Схема запчастей Komatsu 60E - ТОПЛ. НАСОС, РЕГУЛЯТОР ДВИГАТЕЛЬ, АКСЕССУАРЫ И ЭЛЕКТРИЧ. СИСТЕМА
23
24
25
22
4
2
21
1
20
26
19
18
17
27
28
29
18
17
16
8
14
9
7
6
5
15
9
13
8
10
11
12
5
3
FIT
1:1
100%

Артикул

Название

Примечание

Количество

1

3237349M1

SEAL PLATE

DeutschDesc: DICHTPLATTE

1шт.

2

4910315M91

HOUSING

DeutschDesc: GEHAEUSE

1шт.

3

3237594M1

LEVER

DeutschDesc: HEBEL

1шт.

4

3237595M1

SPRING

DeutschDesc: FEDER

1шт.

5

391564X1

CIRCLIP

DeutschDesc: SICHERUNGSRING

2шт.

6

391565X1

PLAIN WASHER

DeutschDesc: UNTERLEGSCHEIBE

-26шт.

7

3237317M1

PLAIN WASHER

EnglischBem: THICKNESS 1,00 MM

-26шт.

8

3237532M1

O-RING

DeutschDesc: O-RING

2шт.

9

3237336M1

BUSHING

DeutschDesc: BUCHSE

2шт.

10

3237599M1

DRIVING

DeutschDesc: MITNEHMER

1шт.

11

3237627M1

DRIVING

DeutschDesc: MITNEHMER

-26шт.

12

3237628M1

DRIVING

DeutschDesc: MITNEHMER

-26шт.

13

3237598M91

DRIVING

DeutschDesc: MITNEHMER

1шт.

14

3237597M1

SPRING

DeutschDesc: FEDER

1шт.

15

391565X1

PLAIN WASHER

DeutschDesc: UNTERLEGSCHEIBE

1шт.

16

3237315M1

DISC

EnglischBem: THICKNESS 0,30 MM

-26шт.

17

3237551M1

SCREW

DeutschDesc: SCHRAUBE

6шт.

18

339375X1

SPRING WASHER

DeutschDesc: FEDERRING

6шт.

19

3237501M1

BRACKET

DeutschDesc: HALTER

1шт.

20

3237623M1

PLOUGH BOLT

DeutschDesc: SENKSCHRAUBE

1шт.

21

3237324M1

PLAIN WASHER

EnglischBem: THICKNESS 0,30 MM

1шт.

22

3237384M1

PLUG

DeutschDesc: VERSCHLUSSSTOPFEN

1шт.

23

3237347M1

SECURITY CAP

DeutschDesc: SCHUTZKAPPE

1шт.

24

NOT USED

DeutschDesc: NICHT VERWENDET

-1шт.

25

339030X1

NUT

DeutschDesc: MUTTER

1шт.

26

3237377M1

GRUB SCREW

DeutschDesc: GEWINDESTIFT

1шт.

27

3237408M91

REGULATION WEIGHTS

DeutschDesc: REGELGEWICHTE

1шт.

28

3237325M1

SPRING WASHER

DeutschDesc: FEDERRING

1шт.

29

3237624M1

ROUND NUT

DeutschDesc: RUNDMUTTER

1шт.

Выбрано товаров: 29