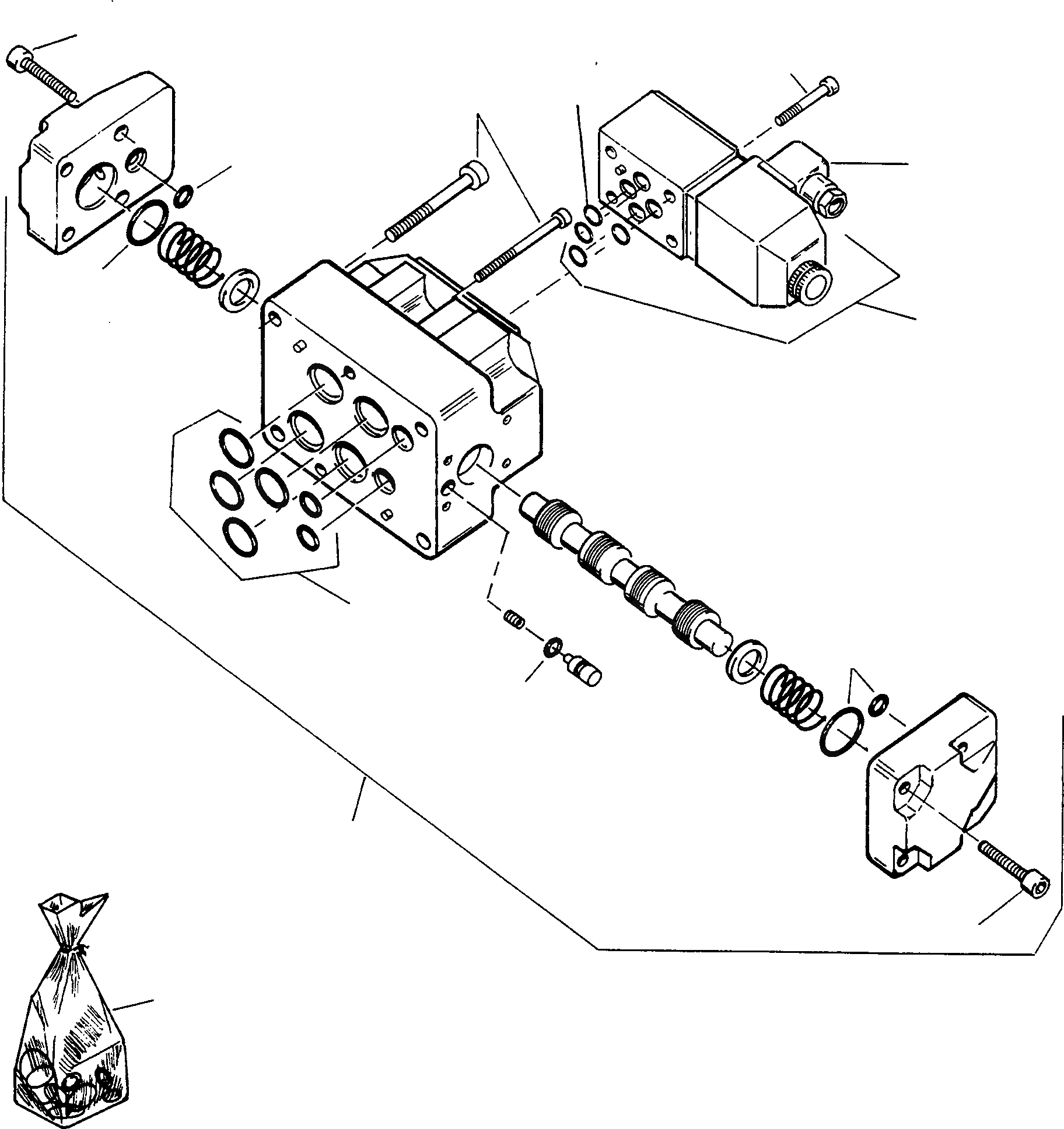
Запчасти Komatsu 60E A.L.S. СОЛЕНОИДНЫЙ КЛАПАН ОБОРУД-Е

Схема запчастей Komatsu 60E - A.L.S. СОЛЕНОИДНЫЙ КЛАПАН ОБОРУД-Е
7
4
8
5
3
6
3
2
3
3
3
1
7
3
FIT
1:1
100%

Артикул

Название

Примечание

Количество

1

4002822M1

SOLENOID VALVE

DeutschDesc: MAGNETVENTIL

1шт.

2

4912348M91

REMOTE CONTROL VALVE

DeutschDesc: VORSTEUERVENTIL

1шт.

|$8

REMOTE CONTROL VALVE

DeutschDesc: VORSTEUERVENTIL

-3шт.

3

3232363M91

GASKET KIT

DeutschDesc: DICHTUNGSSATZ

1шт.

4

3230276M91

BOLT KIT

DeutschDesc: SCHRAUBENSATZ

1шт.

5

3230277M91

BOLT KIT

DeutschDesc: SCHRAUBENSATZ

1шт.

6

3252225M91

ELECTRICAL PLUG

DeutschDesc: STECKER

1шт.

7

2993373X1

SCREW

DeutschDesc: SCHRAUBE

8шт.

Выбрано товаров: 8