Запчасти Komatsu 60E ТРАНСМИССИЯ МАСЛ. ОХЛАЖД-Е ДВИГАТЕЛЬ, АКСЕССУАРЫ И ЭЛЕКТРИЧ. СИСТЕМА

Схема запчастей Komatsu 60E - ТРАНСМИССИЯ МАСЛ. ОХЛАЖД-Е ДВИГАТЕЛЬ, АКСЕССУАРЫ И ЭЛЕКТРИЧ. СИСТЕМА
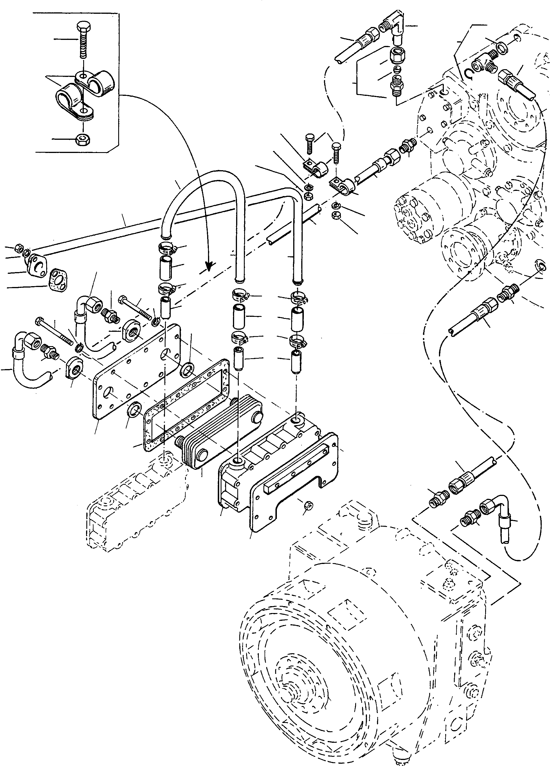
37A
25
10
37
21
29
36
35
24
28
23
22
29
28
38
30
27
26
15
21
28
16
30
21
27
13
19
15
16
18
14
21
16
13
20
17
9
13
10
12
8
33
14
5
6
32
13
12
20
21
6
5
3
4
35
34
2
32
11
1
31
7
FIT
1:1
100%

Артикул

Название

Примечание

Количество

1

3079544M1

HOUSING

DeutschDesc: GEHAEUSE

1шт.

2

3079547M1

INSET

DeutschDesc: EINSATZ

1шт.

3

3079546M1

COVER

DeutschDesc: DECKEL

1шт.

4

2870823M1

GASKET

DeutschDesc: DICHTUNG

1шт.

5

1444753X1

SEAL

DeutschDesc: DICHTRING

1шт.

6

3070628M1

NUT

DeutschDesc: MUTTER

2шт.

7

2987780M91

CONSOLE

DeutschDesc: KONSOLE

1шт.

8

1443657X1

SCREW

DeutschDesc: SCHRAUBE

4шт.

9

339132X1

SCREW

DeutschDesc: SCHRAUBE

8шт.

10

1443789X1

SPRING WASHER

DeutschDesc: FEDERRING

12шт.

11

1440098X1

NUT

DeutschDesc: MUTTER

2шт.

12

3079548M1

TUBE

DeutschDesc: ROHR

3шт.

13

1444838X1

CLIP

DeutschDesc: SCHELLE

6шт.

14

3007428X1

HOSE

EnglischBem: GOODS SOLD BY THE METER 1443 909 X1 70 MM

3шт.

15

2992548M1

TUBE

DeutschDesc: ROHR

1шт.

16

4001212M91

PIPE

DeutschDesc: ROHRLEITUNG

1шт.

17

4700097X1

GASKET

EnglischBem: REPAIRS AND REPLACES 1443 853 X1

1шт.

18

1443789X1

SPRING WASHER

DeutschDesc: FEDERRING

2шт.

19

339169X1

NUT

DeutschDesc: MUTTER

2шт.

20

3002312X1

STUD

DeutschDesc: STUTZEN

2шт.

21

2995772X91

HOSE ASSEMBLY

DeutschDesc: SCHLAUCH VOLLST.

2шт.

22

1442059X91

UNION

DeutschDesc: VERSCHRAUBUNG

1шт.

23

1444691X1

OLIVE

DeutschDesc: SCHNEIDRING

1шт.

24

1442060X1

BOXNUT

DeutschDesc: UEBERWURFMUTTER

1шт.

25

3002341X1

ELBOW NIPPLE

DeutschDesc: WINKELSTUTZEN

1шт.

26

3002312X1

STUD

DeutschDesc: STUTZEN

1шт.

27

339169X1

NUT

DeutschDesc: MUTTER

2шт.

28

1444669X1

CLIP

DeutschDesc: SCHELLE

4шт.

29

339287X1

SCREW

DeutschDesc: SCHRAUBE

3шт.

30

1443789X1

SPRING WASHER

DeutschDesc: FEDERRING

2шт.

31

3002312X1

STUD

DeutschDesc: STUTZEN

1шт.

32

2995775X91

HOSE ASSEMBLY

DeutschDesc: SCHLAUCH VOLLST.

1шт.

33

3002312X1

STUD

DeutschDesc: STUTZEN

1шт.

34

3002309X1

STUD

DeutschDesc: STUTZEN

1шт.

35

2993621X91

HOSE ASSEMBLY

DeutschDesc: SCHLAUCH VOLLST.

1шт.

36

4700351X91

UNION

EnglischBem: REPAIRS AND REPLACES 3004 187 X91

1шт.

37

4918791M91

SEAL

DeutschDesc: DICHTRING

1шт.

37A

4918792M1

O-RING

DeutschDesc: O-RING

1шт.

38

1444329X1

NUT

DeutschDesc: MUTTER

1шт.

Выбрано товаров: 39