Запчасти Komatsu 60E ТУРБОНАГНЕТАТЕЛЬ ДВИГАТЕЛЬ, АКСЕССУАРЫ И ЭЛЕКТРИЧ. СИСТЕМА

Схема запчастей Komatsu 60E - ТУРБОНАГНЕТАТЕЛЬ ДВИГАТЕЛЬ, АКСЕССУАРЫ И ЭЛЕКТРИЧ. СИСТЕМА
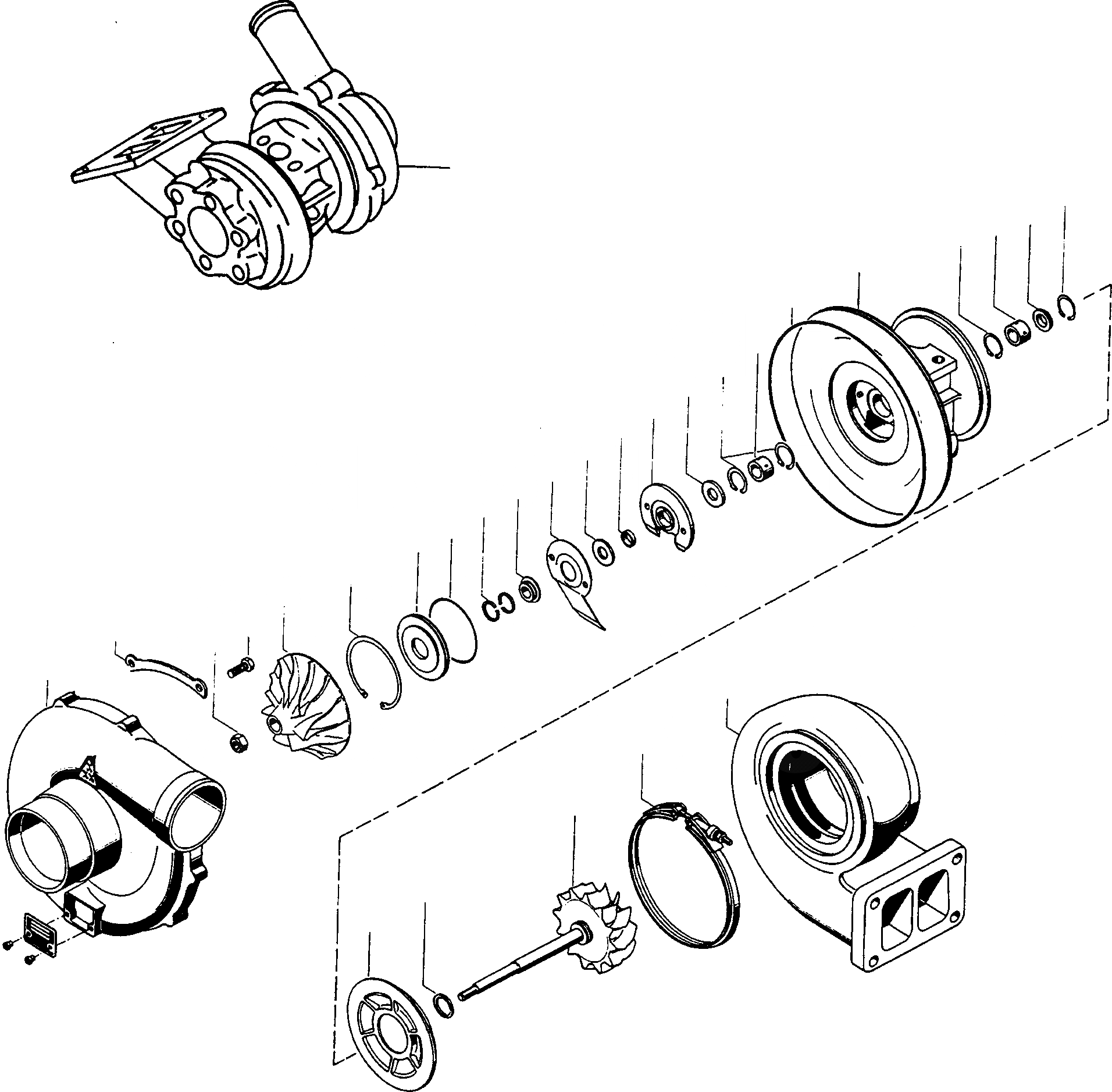
1
5
7
6
5
4
26
6
5
10
12
11
10
15
13
14
16
17
18
20
22
19
21
23
27
24
8
9
25
FIT
1:1
100%

Артикул

Название

Примечание

Количество

1

2992630M91

TURBOCHARGER

DeutschDesc: TURBOLADER

1шт.

2

4910286M1

REPAIR KIT

DeutschDesc: REPARATURSATZ

1шт.

3

4910287M1

REPAIR KIT

DeutschDesc: REPARATURSATZ

1шт.

4

HOUSING

EnglischBem: ORDER 2992 630 M91

1шт.

5

CIRCLIP

DeutschDesc: SICHERUNGSRING

3шт.

6

BUSHING

DeutschDesc: BUCHSE

2шт.

7

RING

DeutschDesc: RING

1шт.

8

SHAFT

DeutschDesc: WELLE

1шт.

9

PISTON RING

DeutschDesc: KOLBENRING

1шт.

10

DISC

DeutschDesc: SCHEIBE

1шт.

11

BUSHING

DeutschDesc: BUCHSE

1шт.

12

BEARING

DeutschDesc: LAGER

1шт.

13

BUSHING

DeutschDesc: BUCHSE

1шт.

14

PISTON RING

DeutschDesc: KOLBENRING

2шт.

15

DEFLECTOR

EnglischBem: ORDER 2992 630 M91

1шт.

16

O-RING

DeutschDesc: O-RING

1шт.

17

COVER

EnglischBem: ORDER 2992 630 M91

1шт.

18

4910290M1

CIRCLIP

DeutschDesc: SICHERUNGSRING

1шт.

19

NUT

DeutschDesc: MUTTER

1шт.

20

TURBINE WHEEL

DeutschDesc: TURBINENRAD

1шт.

21

SEGMENT

DeutschDesc: SEGMENT

4шт.

22

SCREW

DeutschDesc: SCHRAUBE

8шт.

23

HOUSING

EnglischBem: ORDER 2992 630 M91

1шт.

24

4910288M1

BRIDLE

DeutschDesc: SPANNBAND

1шт.

25

4910289M1

HEATSHIELD

DeutschDesc: HITZESCHUTZ

1шт.

26

O-RING

DeutschDesc: O-RING

1шт.

27

HOUSING

EnglischBem: ORDER 2992 630 M91

1шт.

Выбрано товаров: 0