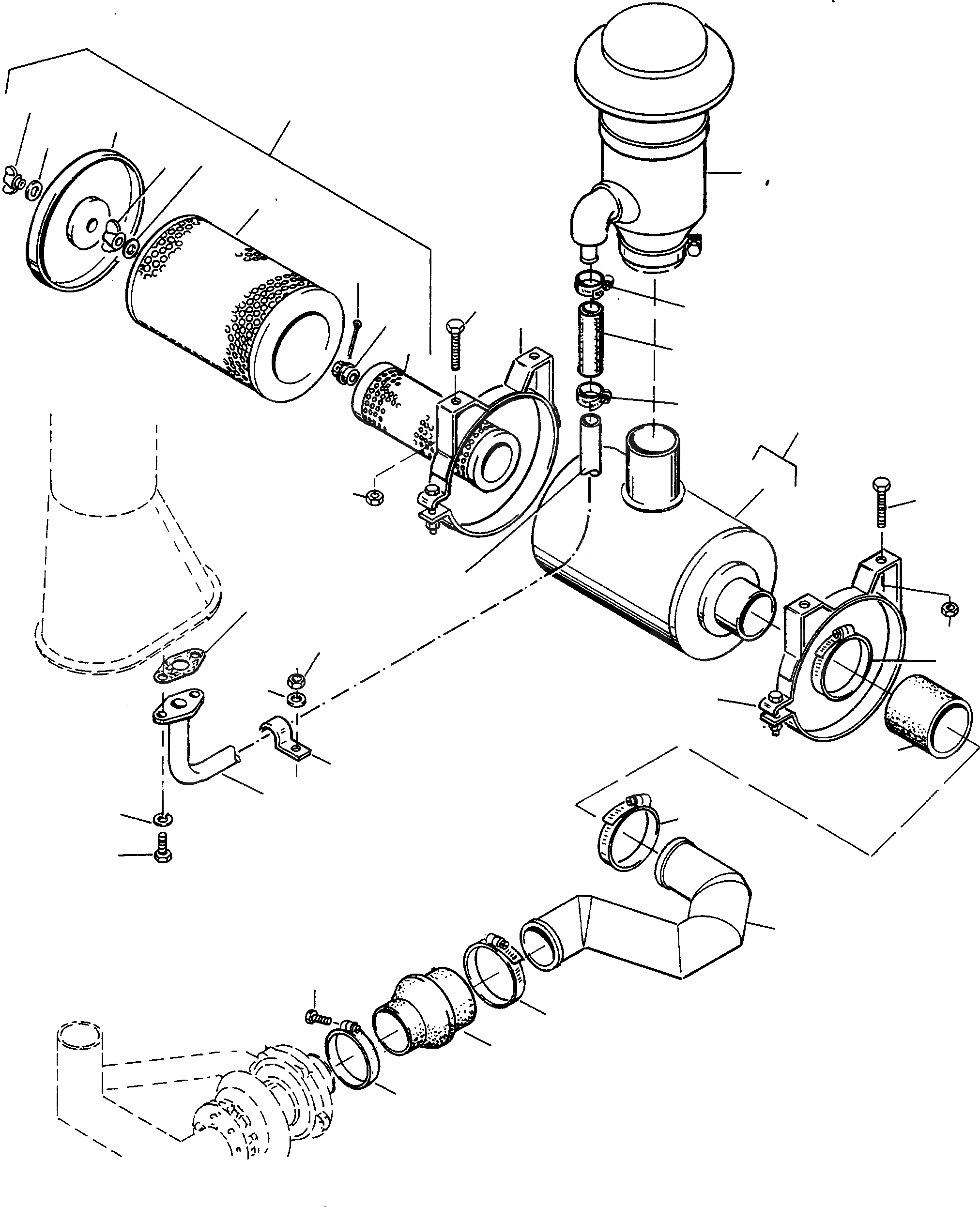
Запчасти Komatsu 60E ВОЗД. ФИЛЬТР. СИСТЕМА, EJECTOR ДВИГАТЕЛЬ, АКСЕССУАРЫ И ЭЛЕКТРИЧ. СИСТЕМА

Схема запчастей Komatsu 60E - ВОЗД. ФИЛЬТР. СИСТЕМА, EJECTOR ДВИГАТЕЛЬ, АКСЕССУАРЫ И ЭЛЕКТРИЧ. СИСТЕМА
8
1
9
7
19A
7
14
8
19
4
6
11
20
10
5
3
21
20
1
2
12
11
22
23
12
28
14
27
10
17
26
22
25
14
24
13
18
15
16
FIT
1:1
100%

Артикул

Название

Примечание

Количество

1

3071346M92

AIR FILTER

DeutschDesc: LUFTFILTER

1шт.

2

HOUSING

EnglischBem: ORDER 3071 346 M92

1шт.

3

3074309M1

FILTER ELEMENT

DeutschDesc: FILTERELEMENT

1шт.

4

3074306M1

FILTER ELEMENT

DeutschDesc: FILTERELEMENT

1шт.

5

1885787M91

NUT

DeutschDesc: MUTTER

1шт.

6

3074339M1

COTTER

DeutschDesc: SPLINT

1шт.

7

3074340M1

GASKET

DeutschDesc: DICHTUNG

2шт.

8

3074346M1

NUT

DeutschDesc: MUTTER

2шт.

9

3074347M1

COVER

DeutschDesc: DECKEL

1шт.

10

4200484M1

CLIP

DeutschDesc: SCHELLE

2шт.

11

3000827X1

SCREW

EnglischBem: REPAIRS AND REPLACES 339 081 X1

4шт.

12

1444331X1

NUT

DeutschDesc: MUTTER

4шт.

13

4210788M91

INTAKE PIPE

DeutschDesc: ANSAUGROHR

1шт.

14

3089126M1

CLIP

DeutschDesc: SCHELLE

3шт.

15

3092047M1

HOSE

DeutschDesc: SCHLAUCH

1шт.

16

3093692M1

CLIP

DeutschDesc: SCHELLE

1шт.

17

3090013M1

HOSE

DeutschDesc: SCHLAUCH

1шт.

18

1442882X1

SCREW

DeutschDesc: SCHRAUBE

1шт.

19

4200548M91

PRE SEPARATOR

DeutschDesc: VORABSCHEIDER

1шт.

19A

2986428M91

PRE SEPARATOR

EnglischBem: ADDITIONAL SOUNDPROOFING "BLUE ANGEL OF ENVIRONMENT"

1шт.

20

1444841X1

CLIP

EnglischBem: NOT USED WITH 2986 428 M91 ADDITIONAL SOUNDPROOFING "BLUE ANGEL

2шт.

21

2994446M1

HOSE

EnglischBem: NOT USED WITH 2986 428 M91 ADDITIONAL SOUNDPROOFING "BLUE ANGEL

1шт.

22

4210945M91

TUBE

EnglischBem: NOT USED WITH 2986 428 M91 ADDITIONAL SOUNDPROOFING "BLUE ANGEL

1шт.

23

4700424X1

GASKET

EnglischBem: REPAIRS AND REPLACES 3007910X1 ADDITIONAL SOUNDPROOFING "BLUE AN

1шт.

24

353691X1

SCREW

EnglischBem: NOT USED WITH 2986 428 M91 ADDITIONAL SOUNDPROOFING "BLUE ANGEL

2шт.

25

353434X1

SPRING WASHER

EnglischBem: NOT USED WITH 2986 428 M91 ADDITIONAL SOUNDPROOFING "BLUE ANGEL

2шт.

26

3002292X1

CLIP

EnglischBem: NOT USED WITH 2986 428 M91 ADDITIONAL SOUNDPROOFING "BLUE ANGEL

1шт.

27

390734X1

PLAIN WASHER

EnglischBem: NOT USED WITH 2986 428 M91 ADDITIONAL SOUNDPROOFING "BLUE ANGEL

1шт.

28

1444331X1

NUT

EnglischBem: NOT USED WITH 2986 428 M91 ADDITIONAL SOUNDPROOFING "BLUE ANGEL

1шт.

Выбрано товаров: 29