Запчасти Komatsu 60E УПРАВЛ-Е ДВИГАТЕЛЕМ ДВИГАТЕЛЬ, АКСЕССУАРЫ И ЭЛЕКТРИЧ. СИСТЕМА

Схема запчастей Komatsu 60E - УПРАВЛ-Е ДВИГАТЕЛЕМ ДВИГАТЕЛЬ, АКСЕССУАРЫ И ЭЛЕКТРИЧ. СИСТЕМА
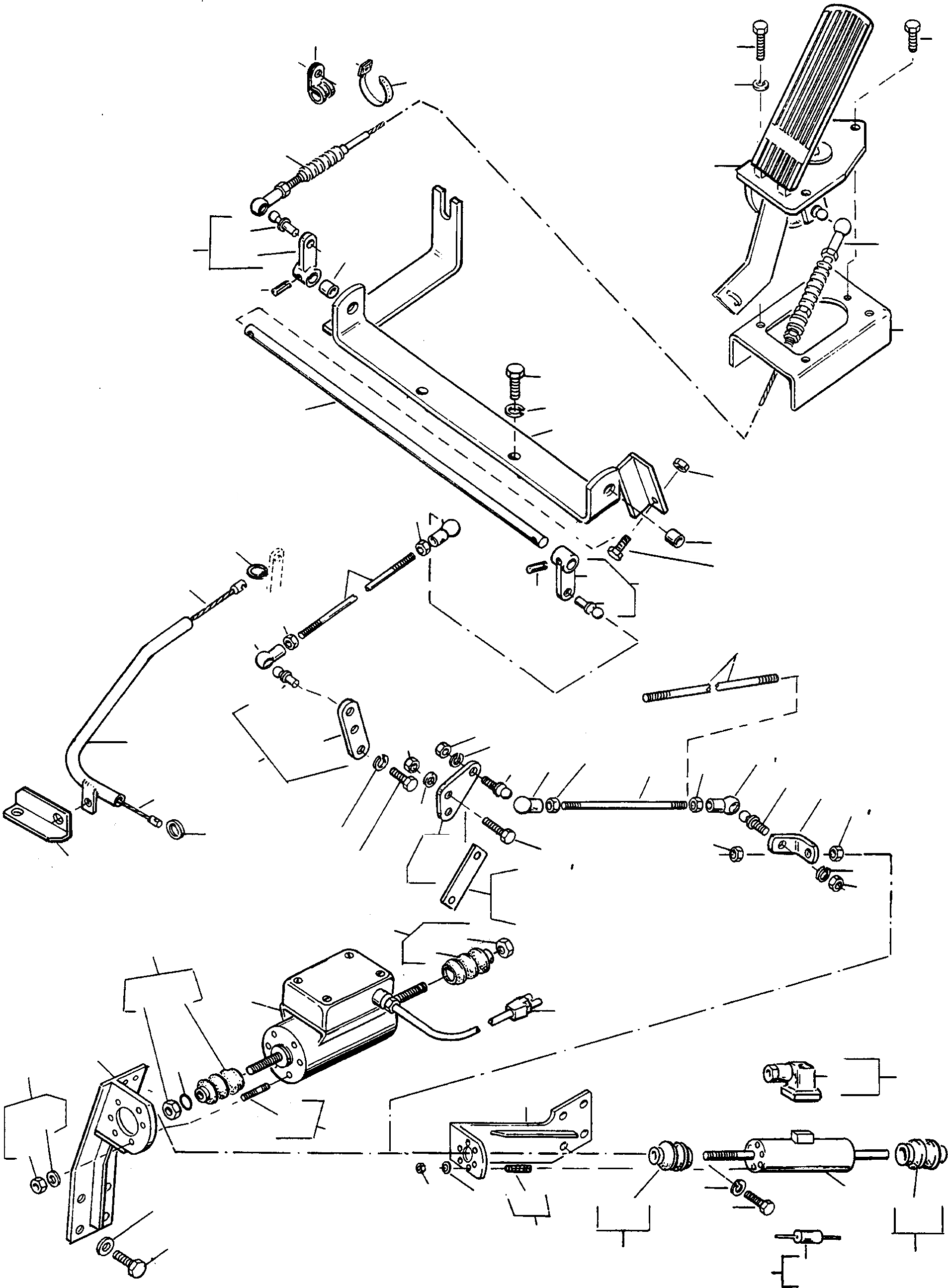
49
22
25
15
5
3
33
32A
32B
32C
7
4
32A
32B
37A
37A
40
43
44
44A
6
44A
40
1
42
62
15
6
12
13
14
16
2
11
10
8
9
27
18
19
50
12
17
28
14
48
13
16
19
18
58
41
41
47
21
45
44
45
38
20
38
36
48
37
40
37
23
39
24
46
61
60
41
52
59
52
57
57
52
59
53
51
63
52
32
29
55
54
52
56
30
35
32
30
34
31
32
31
32
32
FIT
1:1
100%

Артикул

Название

Примечание

Количество

1

4202598M91

PEDAL

DeutschDesc: PEDAL

1шт.

2

4202206M91

CONSOLE

DeutschDesc: KONSOLE

1шт.

3

391417X1

SCREW

DeutschDesc: SCHRAUBE

4шт.

4

1443791X1

SPRING WASHER

DeutschDesc: FEDERRING

4шт.

5

3000984X1

SCREW

DeutschDesc: SCHRAUBE

1шт.

6

4210376M91

BOWDEN CABLE

DeutschDesc: BOWDENZUG

1шт.

7

2999878M1

BRACE

DeutschDesc: HALTEBAND

5шт.

8

3090310M1

SHAFT

DeutschDesc: WELLE

1шт.

9

4210846M91

BED BRACKET

DeutschDesc: LAGERBOCK

1шт.

10

1443790X1

SPRING WASHER

DeutschDesc: FEDERRING

2шт.

11

390994X1

SCREW

DeutschDesc: SCHRAUBE

2шт.

12

2999866M1

BUSHING

DeutschDesc: BUCHSE

2шт.

13

2951199M91

LEVER

DeutschDesc: HEBEL

2шт.

14

LEVER

EnglischBem: ORDER 2951 199 M91

2шт.

15

339976X1

BALL PIVOT

DeutschDesc: KUGELZAPFEN

2шт.

16

339080X1

ADAPTER SLEEVES

DeutschDesc: SPANNHUELSE

2шт.

17

4202298M1

ROD

DeutschDesc: STANGE

1шт.

18

1444502X1

BALL SOCKET

DeutschDesc: KUGELPFANNE

2шт.

19

339030X1

NUT

DeutschDesc: MUTTER

2шт.

20

4202301M91

ADJ LEVER

DeutschDesc: VERSTELLHEBEL

1шт.

21

ADJ LEVER

EnglischBem: ORDER 4202 301 M91

1шт.

22

339976X1

BALL PIVOT

DeutschDesc: KUGELZAPFEN

1шт.

23

1443791X1

SPRING WASHER

DeutschDesc: FEDERRING

2шт.

24

339560X1

SCREW

DeutschDesc: SCHRAUBE

2шт.

25

1444654X1

CLIP

DeutschDesc: SCHELLE

1шт.

26

NOT USED

DeutschDesc: NICHT VERWENDET

-1шт.

27

339030X1

NUT

DeutschDesc: MUTTER

1шт.

28

392536X1

SCREW

DeutschDesc: SCHRAUBE

1шт.

29

2992193M91

BRACKET

SN: 376120676

1шт.

30

1443792X1

SPRING WASHER

DeutschDesc: FEDERRING

4шт.

31

1443665X1

SCREW

DeutschDesc: SCHRAUBE

4шт.

32

4201880M92

SOLENOID SWITCH

SN: 376120676

1шт.

32A

3232463M1

BELLOWS

DeutschDesc: FALTENBALG

2шт.

32B

2996400M1

SOCKET

DeutschDesc: STECKDOSE

1шт.

32C

2904737M2

DIODE

DeutschDesc: DIODE

1шт.

33

3000311X1

STUD BOLT

DeutschDesc: STIFTSCHRAUBE

6шт.

34

1443793X1

SPRING WASHER

DeutschDesc: FEDERRING

6шт.

35

392290X1

NUT

DeutschDesc: MUTTER

6шт.

36

2992300M1

ANGLE

DeutschDesc: WINKEL

1шт.

37

339402X1

NUT

SN: 376120676

2шт.

37A

1444316X1

NUT

SN: 376120677-UP

2шт.

38

3003056X1

BALL PIVOT

DeutschDesc: KUGELZAPFEN

2шт.

39

2992301M1

VARIATOR

SN: 376120676

1шт.

40

1443791X1

SPRING WASHER

DeutschDesc: FEDERRING

4шт.

41

339030X1

NUT

DeutschDesc: MUTTER

4шт.

42

339560X1

SCREW

SN: 376120676

2шт.

43

2992198M1

REGULATION ROD

SN: 376120676

1шт.

44

3002208X1

BALL SOCKET

EnglischBem: REPAIRS AND REPLACES 1444 502 X1

2шт.

44A

3002209X1

SAFETY SUSPENSION

DeutschDesc: SICHERUNGSFEDER

2шт.

45

339030X1

NUT

DeutschDesc: MUTTER

2шт.

46

2992309M1

ANGLE

DeutschDesc: WINKEL

1шт.

47

3093687M91

PILOT

DeutschDesc: FUEHRUNG

1шт.

48

3093697M1

STRING

DeutschDesc: SEIL

1шт.

49

3093901M1

RING

DeutschDesc: RING

1шт.

50

3093902M1

RING

DeutschDesc: RING

1шт.

51

4404060M91

BRACKET

SN: 376120677-UP

1шт.

52

4216035M91

SOLENOID SWITCH

SN: 376120677-UP

1шт.

53

4004821M91

ELECTRICAL PLUG

DeutschDesc: STECKER

1шт.

54

3000311X1

STUD BOLT

DeutschDesc: STIFTSCHRAUBE

6шт.

55

1443793X1

SPRING WASHER

DeutschDesc: FEDERRING

6шт.

56

392290X1

NUT

DeutschDesc: MUTTER

6шт.

57

3232463M1

BELLOWS

DeutschDesc: FALTENBALG

2шт.

58

4404063M1

REGULATION ROD

SN: 376120677-UP

1шт.

59

1444316X1

NUT

DeutschDesc: MUTTER

2шт.

60

2992686M1

DISTANCE PIECE

SN: 376120677-UP

1шт.

61

2992685M1

VARIATOR

SN: 376120677-UP

1шт.

62

339666X1

SCREW

SN: 376120677-UP

2шт.

63

1443844X1

SEAL

SN: 376120677-UP

1шт.

Выбрано товаров: 68