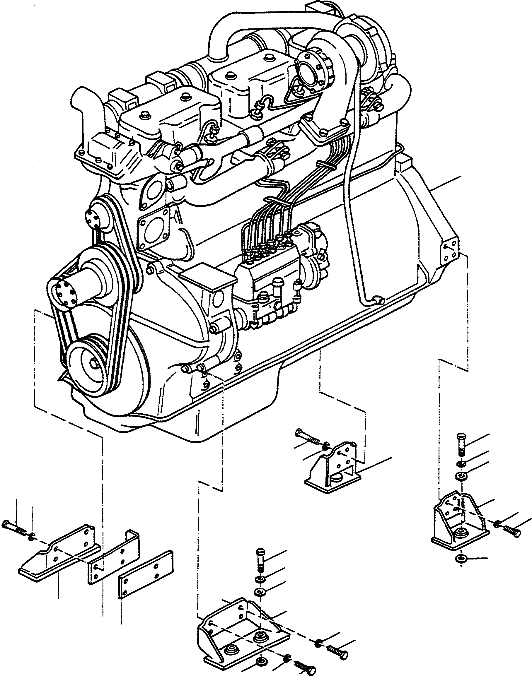
Запчасти Komatsu 66C ДВИГАТЕЛЬ, КРЕПЛЕНИЕ ДВИГАТЕЛЯ ДВИГАТЕЛЬ, АКСЕССУАРЫ И ЭЛЕКТРИЧ. СИСТЕМА

Схема запчастей Komatsu 66C - ДВИГАТЕЛЬ, КРЕПЛЕНИЕ ДВИГАТЕЛЯ ДВИГАТЕЛЬ, АКСЕССУАРЫ И ЭЛЕКТРИЧ. СИСТЕМА
1A
1C
1B
6A
1
9
10
4
2
11
5
7
2
8
5
4
9
12
10
11
3
3
13
8
14
6
8
12
FIT
1:1
100%

Артикул

Название

Примечание

Количество

1

3078960M92

ENGINE

EnglischBem: SN: - 10660540

1шт.

1A

NOT USED

DeutschDesc: NICHT VERWENDET

-1шт.

1B

3095214M91

ENGINE

EnglischBem: SN: 10660541 -

1шт.

1C

NOT USED

DeutschDesc: NICHT VERWENDET

-1шт.

2

2977270M91

ENGINE CARRIER

EnglischBem: NOTE: Pos. (2) included in Pos. (1) and (1B) Kit

2шт.

3

2977269M92

ENGINE CARRIER

EnglischBem: NOTE: Pos. (3) included in Pos. (1) and (1B) Kit

2шт.

4

1444088X1

SCREW

EnglischBem: NOTE: Pos. (4) included in Pos. (1) and (1B) Kit

8шт.

5

1443794X1

SPRING WASHER

EnglischBem: NOTE: Pos. (5) included in Pos. (1) and (1B) Kit

8шт.

6

1444130X1

SCREW

EnglischBem: REPAIRS AND REPLACES 1443 668 X1 NOTE: Pos. (6) included in Pos.

2шт.

6A

1444138X1

SCREW

EnglischBem: NOTE: Pos. (6A) included in Pos. (1) and (1B) Kit

2шт.

7

2995564X1

SCREW

EnglischBem: REPAIRS AND REPLACES 1443 669 X1 NOTE: Pos. (7) included in Pos.

4шт.

8

NOT USED

DeutschDesc: NICHT VERWENDET

-1шт.

9

1444062X1

SCREW

DeutschDesc: SCHRAUBE

6шт.

10

1443796X1

SPRING WASHER

DeutschDesc: FEDERRING

6шт.

11

2948089M1

DISC

DeutschDesc: SCHEIBE

6шт.

12

2923511M1

DISC

DeutschDesc: SCHEIBE

6шт.

13

2872664M1

ANGLE

EnglischBem: SN: - 10660540

1шт.

14

2948096M1

INTERLAYER

EnglischBem: SN: 10660541 -

1шт.

Выбрано товаров: 18