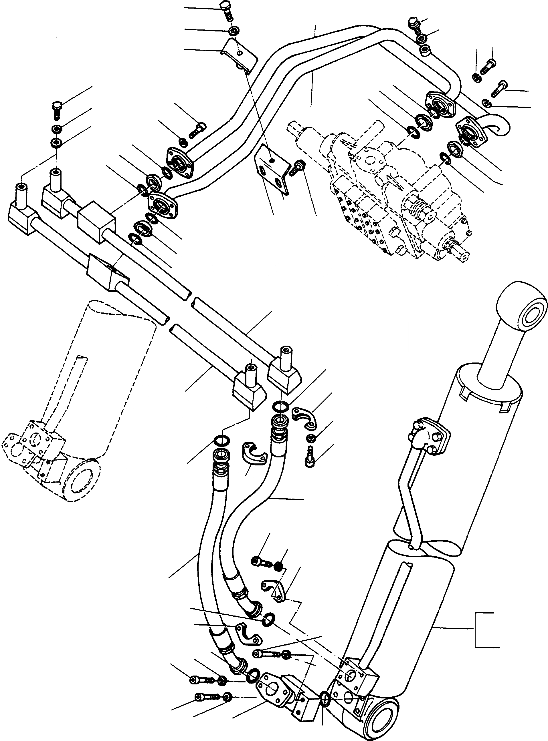
Запчасти Komatsu 66C ГИДРОЦИЛИНДР ПОДЪЕМА И ТРУБЫS, WAYS УПРАВЛЯЮЩ. КЛАПАН ГИДРАВЛИКА

Схема запчастей Komatsu 66C - ГИДРОЦИЛИНДР ПОДЪЕМА И ТРУБЫS, WAYS УПРАВЛЯЮЩ. КЛАПАН ГИДРАВЛИКА
43
44
39
32
23
42
24
24
40
1A
37
38
41
35
20
36
30
35
26
21
31
27
22
25
28
29
28
45
33
34
33
18
5
15
19
17
16
5
15
14
16
17
15
14
5
1
15
6
5
11
10
7
8
9
3
4
FIT
1:1
100%

Артикул

Название

Примечание

Количество

1

1608124M91

LIFT CYLINDER

DeutschDesc: HUBZYLINDER

2шт.

|$47

LIFT CYLINDER

DeutschDesc: HUBZYLINDER

-3шт.

1A

4500608M91

LIFT CYLINDER

SN: 371521863-371521917

2шт.

|$48

LIFT CYLINDER

DeutschDesc: HUBZYLINDER

-3шт.

2

NOT USED

DeutschDesc: NICHT VERWENDET

-1шт.

3

2947106M1

CONNECTOR

DeutschDesc: ANSCHLUSS

2шт.

4

1444849X1

O-RING

EnglischBem: REPAIRS AND REPLACES 1444 791 X1

2шт.

5

1444848X1

O-RING

DeutschDesc: O-RING

8шт.

6

391188X1

SCREW

EnglischBem: REPAIRS AND REPLACES 2999 787 M1

4шт.

7

391241X1

SPRING WASHER

DeutschDesc: FEDERRING

4шт.

8

1441757X1

SCREW

DeutschDesc: SCHRAUBE

2шт.

9

391241X1

SPRING WASHER

DeutschDesc: FEDERRING

2шт.

10

3004629X1

SCREW

EnglischBem: REPAIRS AND REPLACES 2999 786 M1

2шт.

11

391241X1

SPRING WASHER

DeutschDesc: FEDERRING

2шт.

12

NOT USED

DeutschDesc: NICHT VERWENDET

-1шт.

13

NOT USED

DeutschDesc: NICHT VERWENDET

-1шт.

14

2999714M1

HIGH PRESSURE HOSE

DeutschDesc: HD-SCHLAUCH

4шт.

15

1444835X1

HALF FLANGE

DeutschDesc: HALBFLANSCH

16шт.

16

2999789M1

SCREW

DeutschDesc: SCHRAUBE

32шт.

17

1443790X1

SPRING WASHER

DeutschDesc: FEDERRING

32шт.

18

2944829M91

PIPE

DeutschDesc: ROHRLEITUNG

1шт.

19

2944828M91

PIPE

DeutschDesc: ROHRLEITUNG

1шт.

20

339814X1

SCREW

DeutschDesc: SCHRAUBE

4шт.

21

1443790X1

SPRING WASHER

DeutschDesc: FEDERRING

4шт.

22

390597X1

PLAIN WASHER

DeutschDesc: UNTERLEGSCHEIBE

4шт.

23

2944826M92

PIPE

EnglischBem: REPAIRS AND REPLACES

1шт.

24

1444849X1

O-RING

DeutschDesc: O-RING

2шт.

25

2950919M1

THRUST RING

DeutschDesc: DRUCKRING

1шт.

26

391188X1

SCREW

DeutschDesc: SCHRAUBE

8шт.

27

1443790X1

SPRING WASHER

DeutschDesc: FEDERRING

8шт.

28

1444849X1

O-RING

DeutschDesc: O-RING

2шт.

29

2950919M1

THRUST RING

DeutschDesc: DRUCKRING

1шт.

30

1443717X1

SCREW

DeutschDesc: SCHRAUBE

4шт.

31

1443790X1

SPRING WASHER

DeutschDesc: FEDERRING

4шт.

32

2944827M92

PIPE

EnglischBem: REPAIRS AND REPLACES

1шт.

33

1444849X1

O-RING

DeutschDesc: O-RING

2шт.

34

2950919M1

THRUST RING

DeutschDesc: DRUCKRING

1шт.

35

1444849X1

O-RING

DeutschDesc: O-RING

2шт.

36

2950919M1

THRUST RING

DeutschDesc: DRUCKRING

1шт.

37

1443717X1

SCREW

DeutschDesc: SCHRAUBE

4шт.

38

1443790X1

SPRING WASHER

DeutschDesc: FEDERRING

4шт.

39

1443750X1

SCREW

DeutschDesc: SCHRAUBE

2шт.

40

390839X1

SEAL

DeutschDesc: DICHTRING

2шт.

41

2896787M91

HOLDING CLAMP

DeutschDesc: HALTESCHELLE

1шт.

42

2944781M91

HOLDER

DeutschDesc: HALTETEIL

1шт.

43

1443664X1

SCREW

DeutschDesc: SCHRAUBE

1шт.

44

1443790X1

SPRING WASHER

DeutschDesc: FEDERRING

1шт.

45

1444142X1

SCREW

DeutschDesc: SCHRAUBE

2шт.

Выбрано товаров: 48