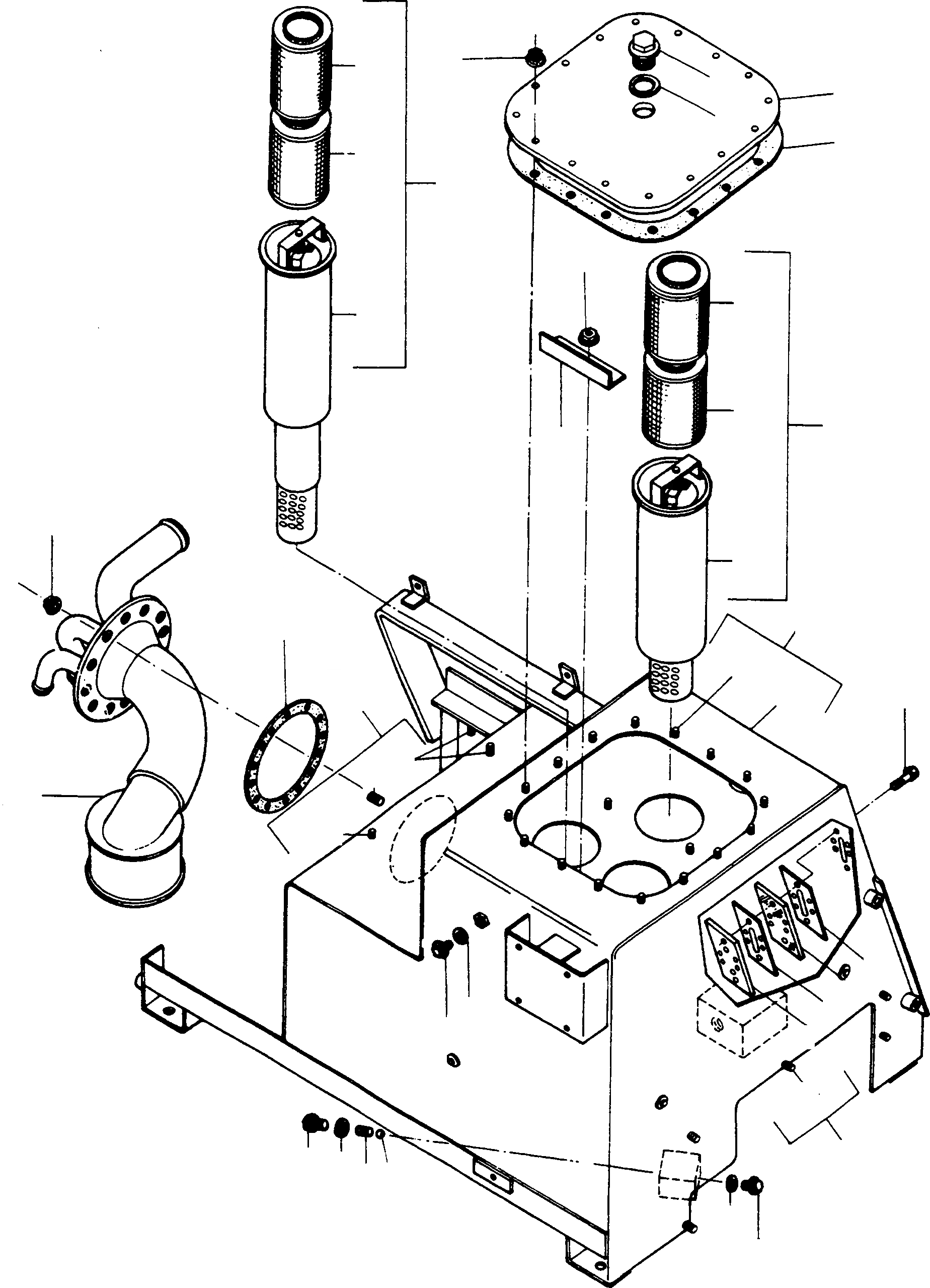
Запчасти Komatsu 66C МАСЛ. БАК ГИДРАВЛИКА

Схема запчастей Komatsu 66C - МАСЛ. БАК ГИДРАВЛИКА
30
20
31
10
14
7
16
22
18A
26
29
28
32
22
27
25
21
25
23
18
24
1
17
3
8
1
2
3
4
18
3
6
6
9
5
4
1
11
12
13
15
FIT
1:1
100%

Артикул

Название

Примечание

Количество

1

3076483M92

OIL TANK

DeutschDesc: OELBEHAELTER

1шт.

2

OIL TANK

EnglischBem: ORDER 3076 483 M92

1шт.

3

1444276X1

THREADED PIN

DeutschDesc: GEWINDEBOLZEN

22шт.

4

1444280X1

STUD BOLT

DeutschDesc: STIFTSCHRAUBE

17шт.

5

3070519M1

THRUST PLATE

DeutschDesc: DRUCKPLATTE

1шт.

6

3070520M1

GASKET

DeutschDesc: DICHTUNG

2шт.

7

3070517M1

INSPECTION GLASS

DeutschDesc: SCHAUGLAS

1шт.

8

339337X1

SCREW

DeutschDesc: SCHRAUBE

6шт.

9

2999792M1

PLUG

DeutschDesc: VERSCHLUSSSTOPFEN

1шт.

10

390839X1

SEAL

DeutschDesc: DICHTRING

1шт.

11

1444271X1

PLUG

DeutschDesc: VERSCHLUSSSTOPFEN

1шт.

12

391265X1

SEAL

DeutschDesc: DICHTRING

1шт.

13

2860405M1

SPRING

DeutschDesc: FEDER

1шт.

14

1444590X1

BALL

DeutschDesc: KUGEL

1шт.

15

390855X1

SEAL

DeutschDesc: DICHTRING

1шт.

16

2949213M1

PLUG

DeutschDesc: VERSCHLUSSSTOPFEN

1шт.

17

2948543M1

GASKET

DeutschDesc: DICHTUNG

1шт.

18

2944840M91

BASKET

SN: 371510396

1шт.

18A

3092660M91

INTAKE

SN: 371510397-UP

1шт.

19

1444315X1

NUT

DeutschDesc: MUTTER

12шт.

20

2975852M91

FILTER

DeutschDesc: FILTER

2шт.

21

FILTER

EnglischBem: ORDER 2975 852 M91

2шт.

22

2894080M1

FILTER ELEMENT

DeutschDesc: FILTERELEMENT

4шт.

23

2975851M91

FILTER

DeutschDesc: FILTER

1шт.

24

FILTER

EnglischBem: ORDER 2975 851 M91

1шт.

25

2894080M1

FILTER ELEMENT

DeutschDesc: FILTERELEMENT

2шт.

26

2950907M1

CLAMPING DEVICE

DeutschDesc: KLEMMVORRICHTUNG

3шт.

27

1444315X1

NUT

DeutschDesc: MUTTER

3шт.

28

2948538M1

COVER

DeutschDesc: DECKEL

1шт.

29

2948539M1

GASKET

DeutschDesc: DICHTUNG

1шт.

30

1444315X1

NUT

DeutschDesc: MUTTER

16шт.

31

1443747X1

SCREW

DeutschDesc: SCHRAUBE

1шт.

32

391305X1

SEAL

DeutschDesc: DICHTRING

1шт.

Выбрано товаров: 33