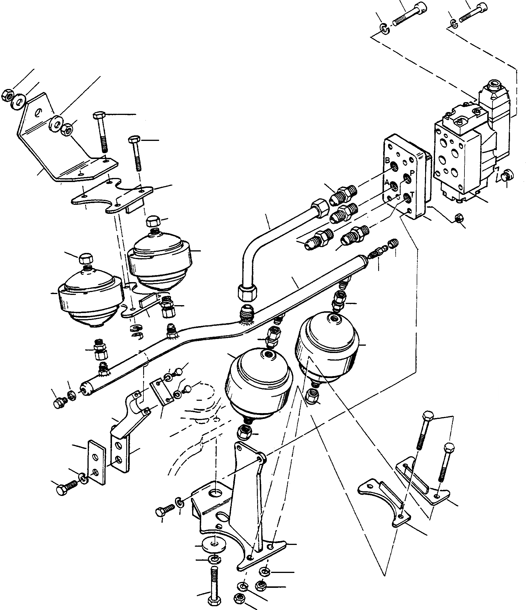
Запчасти Komatsu 66C A.L.S. PRESSURE БАК, СОЛЕНОИДНЫЙ КЛАПАН И PIPES ОБОРУД-Е

Схема запчастей Komatsu 66C - A.L.S. PRESSURE БАК, СОЛЕНОИДНЫЙ КЛАПАН И PIPES ОБОРУД-Е
6
40
5
43
44
7
24
4
14
34
21
39
38
38
41
39
42
11
37
3
2
17
32
1
10
11
32
31
12
29
18
28
31
30
30
40
30
31
30
31
25
27
25
24
26
32
19
23
32
22
20
33
9
8
33
13
15
35
36
16
35
36
FIT
1:1
100%

Артикул

Название

Примечание

Количество

1

4002823M1

CONNECTOR

DeutschDesc: ANSCHLUSS

1шт.

2

4002822M1

SOLENOID VALVE

DeutschDesc: MAGNETVENTIL

1шт.

|$45

SOLENOID VALVE

DeutschDesc: MAGNETVENTIL

-3шт.

3

3000547X1

PLUG

DeutschDesc: VERSCHLUSSSTOPFEN

3шт.

4

1444191X1

SCREW

DeutschDesc: SCHRAUBE

4шт.

5

391241X1

SPRING WASHER

DeutschDesc: FEDERRING

4шт.

6

3004663X1

SCREW

DeutschDesc: SCHRAUBE

2шт.

7

391036X1

SPRING WASHER

DeutschDesc: FEDERRING

2шт.

8

339368X1

SCREW

DeutschDesc: SCHRAUBE

2шт.

9

1443789X1

SPRING WASHER

DeutschDesc: FEDERRING

2шт.

10

339169X1

NUT

DeutschDesc: MUTTER

2шт.

11

3097897M1

STUD

DeutschDesc: STUTZEN

3шт.

12

2995521X1

STUD

DeutschDesc: STUTZEN

1шт.

13

4003635M91

CONSOLE

DeutschDesc: KONSOLE

1шт.

14

4003639M1

PLAIN WASHER

DeutschDesc: UNTERLEGSCHEIBE

1шт.

15

1443795X1

SPRING WASHER

DeutschDesc: FEDERRING

1шт.

16

1442734X1

SCREW

DeutschDesc: SCHRAUBE

1шт.

17

4003675M91

PIPE

DeutschDesc: ROHRLEITUNG

1шт.

18

4003665M92

PIPE

DeutschDesc: ROHRLEITUNG

1шт.

19

4003623M91

BRACKET

DeutschDesc: HALTER

1шт.

20

NOT USED

DeutschDesc: NICHT VERWENDET

-1шт.

21

391375X1

SCREW

DeutschDesc: SCHRAUBE

2шт.

22

4003626M1

STRAP

DeutschDesc: LASCHE

1шт.

23

4003627M1

STRAP

DeutschDesc: LASCHE

1шт.

24

339451X1

SCREW

DeutschDesc: SCHRAUBE

2шт.

25

391241X1

SPRING WASHER

DeutschDesc: FEDERRING

2шт.

26

2994792M91

CHECK PORT

DeutschDesc: PRUEFANSCHLUSS

1шт.

27

1444745X1

SEAL

DeutschDesc: DICHTRING

1шт.

28

4003608M91

BREATHER VALVE

DeutschDesc: ENTLUEFTUNGSVENTIL

1шт.

29

4003691M1

DUST CAP

DeutschDesc: STAUBKAPPE

1шт.

30

2981283M1

UNION

DeutschDesc: VERSCHRAUBUNG

4шт.

31

4003116M91

RESERVOIR

DeutschDesc: SPEICHER

4шт.

32

2993268X1

CAP NUT

DeutschDesc: HUTMUTTER

4шт.

33

4004088M91

BRACKET

DeutschDesc: HALTER

2шт.

34

339488X1

SCREW

DeutschDesc: SCHRAUBE

4шт.

35

1443789X1

SPRING WASHER

DeutschDesc: FEDERRING

4шт.

36

339169X1

NUT

DeutschDesc: MUTTER

4шт.

37

4004084M1

BRACKET

DeutschDesc: HALTER

1шт.

38

391212X1

PLAIN WASHER

DeutschDesc: UNTERLEGSCHEIBE

2шт.

39

NOT USED

DeutschDesc: NICHT VERWENDET

-1шт.

40

4004094M91

BRACKET

DeutschDesc: HALTER

2шт.

41

1443651X1

SCREW

DeutschDesc: SCHRAUBE

2шт.

42

339488X1

SCREW

DeutschDesc: SCHRAUBE

2шт.

43

1443789X1

SPRING WASHER

DeutschDesc: FEDERRING

4шт.

44

339169X1

NUT

DeutschDesc: MUTTER

4шт.

Выбрано товаров: 45