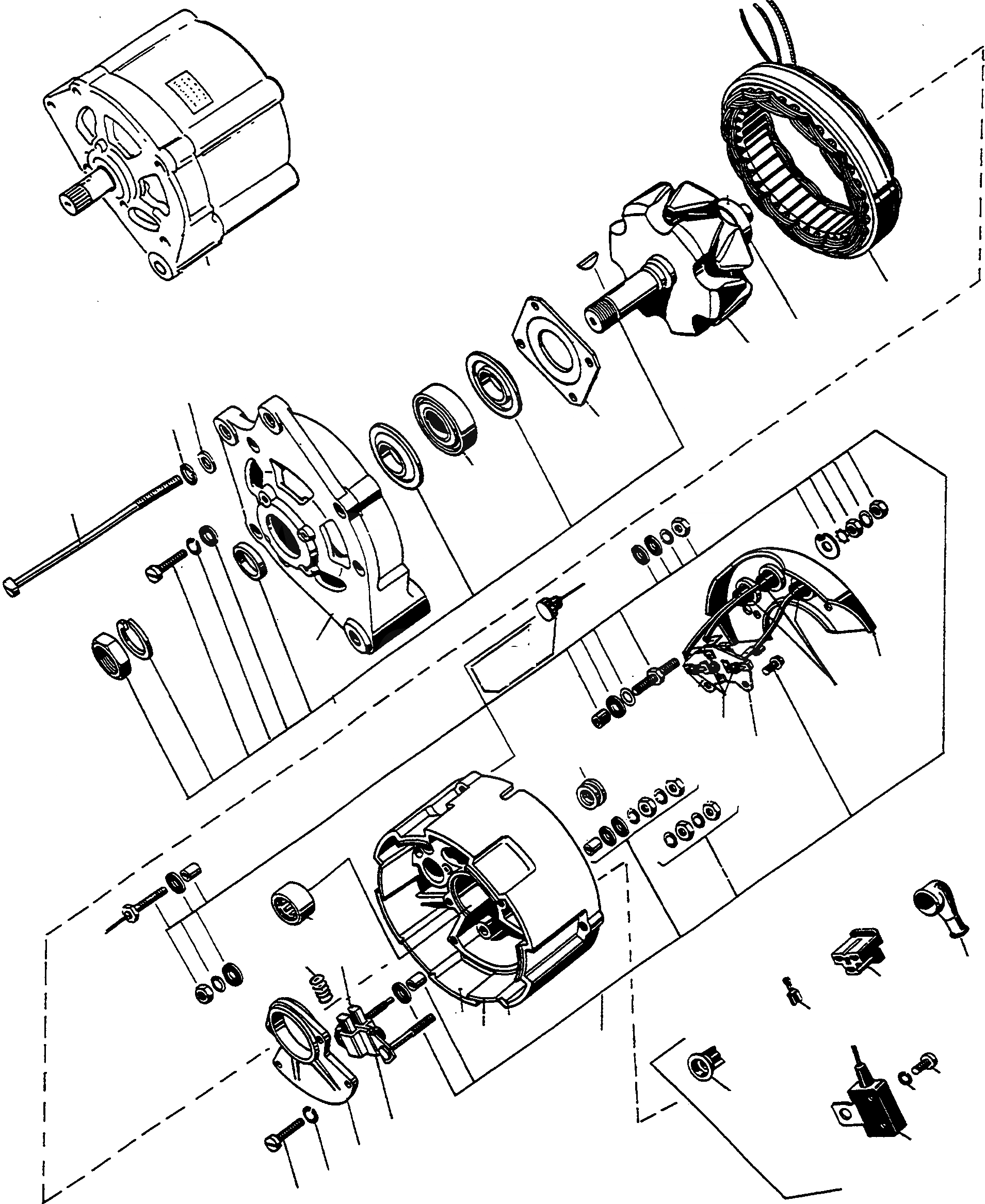
Запчасти Komatsu 66C ГЕНЕРАТОР ГЕНЕРАТОР И СТАРТЕР, UP - ДВИГАТЕЛЬ NO.

Схема запчастей Komatsu 66C - ГЕНЕРАТОР ГЕНЕРАТОР И СТАРТЕР, UP - ДВИГАТЕЛЬ NO.
5
23
22
21
27
14
1
11
10
9
4
3
8
7
2
6
25
26
28
20
13
16
15
35
34
33
12
24
32
31
29
30
17
18
19
FIT
1:1
100%

Артикул

Название

Примечание

Количество

1

2872767M91

ALTERNATOR

1шт.

2

3237267M1

SCREW

3шт.

3

3237562M1

SPRING WASHER

3шт.

4

3002120X1

DISC

3шт.

5

3237529M91

REPAIR KIT

1шт.

6

3237158M1

HOUSING

1шт.

7

3237262M1

BALL BEARING

1шт.

8

3237118M1

COVER PLATE

1шт.

9

3237129M91

ANCHOR

1шт.

10

3237140M1

RING

1шт.

11

3237149M91

STATOR

1шт.

12

3237165M91

HOUSING

1шт.

13

3237265M1

NEEDLE BEARING

1шт.

14

3237142M91

BRACKET

1шт.

15

3237147M1

COMPRESSION SPRING

2шт.

16

3237183M91

BRUSH KIT

1шт.

17

3237117M1

COVER PLATE

1шт.

18

1444382X1

SPRING PLATE

4шт.

19

3237274M1

SCREW

4шт.

20

3237116M1

PLUG

1шт.

21

3237103M1

DIODE

3шт.

22

3237104M1

DIODE

-26шт.

23

3237105M1

DIODE

-26шт.

24

3237175M91

CONNECTOR KIT

1шт.

25

3237155M91

PLATE

1шт.

26

3237187M1

DIODE

3шт.

27

3237127M91

BRACKET

1шт.

28

3237102M1

DIODE

3шт.

29

3237121M1

SECURITY CAP

1шт.

30

3237109M1

CAPACITOR

1шт.

31

3004802X1

SPRING PLATE

1шт.

32

3002036X1

SCREW

1шт.

33

3237278M1

ELECTRICAL PLUG

3шт.

34

3237194M1

CONNECTION SOCKET

1шт.

35

2862825M1

SECURITY CAP

1шт.

Выбрано товаров: 35