Запчасти Komatsu 66C ЭЛЕКТРИЧ. СИСТЕМА ДВИГАТЕЛЬ, АКСЕССУАРЫ И ЭЛЕКТРИЧ. СИСТЕМА

Схема запчастей Komatsu 66C - ЭЛЕКТРИЧ. СИСТЕМА ДВИГАТЕЛЬ, АКСЕССУАРЫ И ЭЛЕКТРИЧ. СИСТЕМА
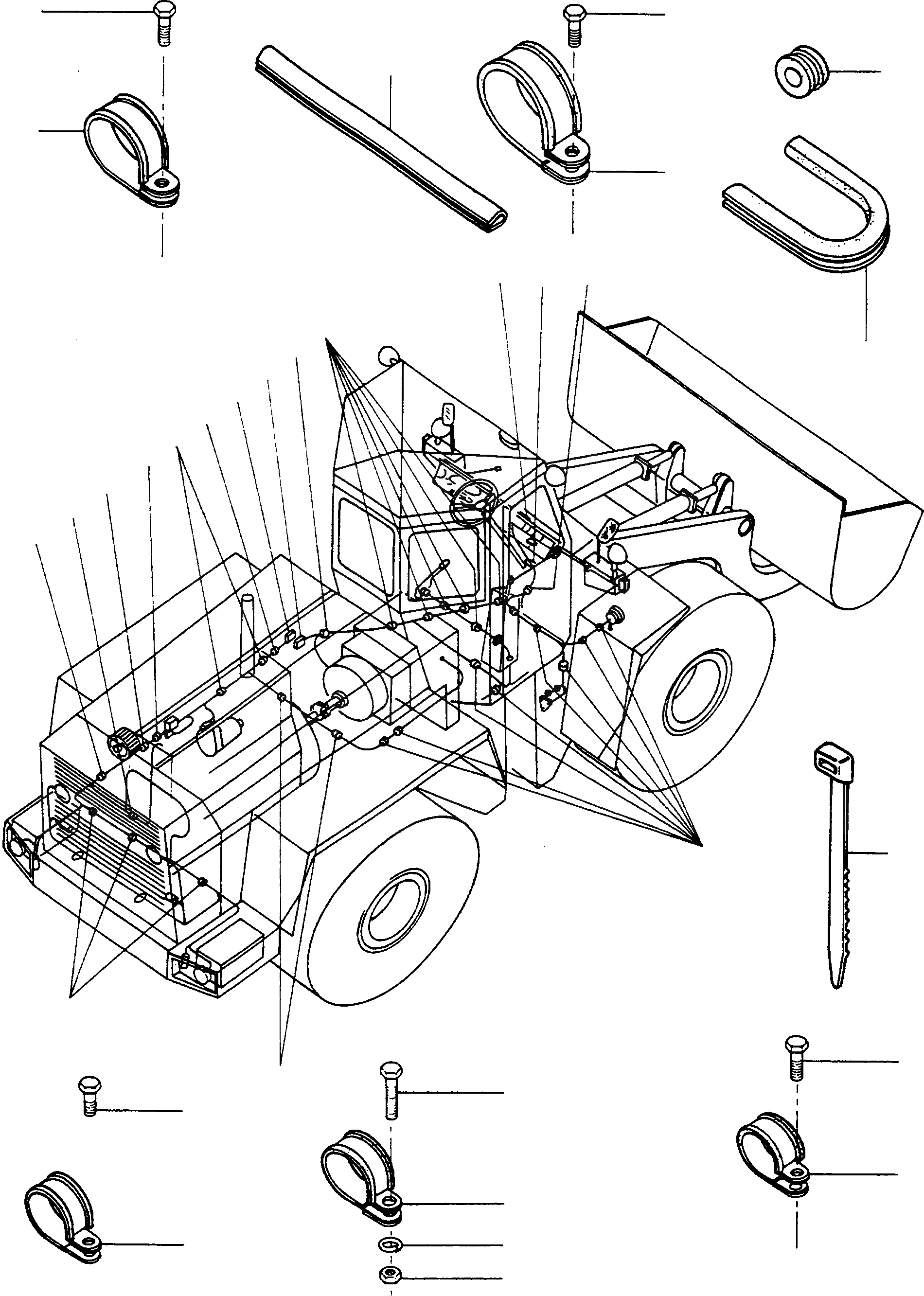
4
6
2A
1A
16
1B
18
1C
17
3
5
16
18
1
3
11
4
17
2
12
7
13
8
14
12
15
5
13
6
14
15
11
5
6
11
11
3
4
10
9
13
10
8
9
12
7
14
15
FIT
1:1
100%

Артикул

Название

Примечание

Количество

1

3076056M91

HARNESS

SN: 371510397

1шт.

1A

3097053M91

HARNESS

SN: 371510398-371521152

1шт.

1B

2986379M91

HARNESS

SN: 371521153-371521948

1шт.

1C

3235001M1

ELECTRICAL PLUG

EnglischBem: BELONGS TO POS.1, POS.1A, POS.1B

1шт.

1D

4004805M91

HARNESS

SN: 371521949-UP

1шт.

2

4005140M91

HARNESS

EnglischBem: REPAIRS AND REPLACES 3076 057 M91

1шт.

2A

3235002M1

CONNECTOR

DeutschDesc: ANSCHLUSS

1шт.

3

1444658X1

HOLDING CLAMP

DeutschDesc: HALTESCHELLE

4шт.

4

391074X1

SCREW

DeutschDesc: SCHRAUBE

4шт.

5

1444660X1

CLIP

DeutschDesc: SCHELLE

2шт.

6

391074X1

SCREW

DeutschDesc: SCHRAUBE

2шт.

7

1444661X1

CLIP

DeutschDesc: SCHELLE

1шт.

8

391074X1

SCREW

DeutschDesc: SCHRAUBE

1шт.

9

1444659X1

CLIP

DeutschDesc: SCHELLE

2шт.

10

391074X1

SCREW

DeutschDesc: SCHRAUBE

2шт.

11

2999878M1

BRACE

DeutschDesc: HALTEBAND

17шт.

12

1444661X1

CLIP

DeutschDesc: SCHELLE

3шт.

13

1441268X1

SCREW

DeutschDesc: SCHRAUBE

3шт.

14

1443791X1

SPRING WASHER

DeutschDesc: FEDERRING

3шт.

15

339030X1

NUT

DeutschDesc: MUTTER

3шт.

16

3076073M1

PROTECTIVE STRIP

EnglischBem: GOODS SOLD BY THE METER 2999 890 M1 250 MM

1шт.

17

3076074M1

PROTECTIVE STRIP

EnglischBem: GOODS SOLD BY THE METER 2999 890 M1 300 MM

1шт.

18

2999894M1

RUBBER SOCKET

DeutschDesc: GUMMITUELLE

1шт.

Выбрано товаров: 23