Запчасти Komatsu 70E РУЛЕВ. УПРАВЛЕНИЕ, РУЛЕВ. УПРАВЛЕНИЕ КРЕПЛЕНИЕ СИСТЕМАУПРАВЛЕНИЯ ПОВОРОТОМ, ПЕРЕДНИЙ МОСТ, ТОРМОЗ. СИСТЕМА

Схема запчастей Komatsu 70E - РУЛЕВ. УПРАВЛЕНИЕ, РУЛЕВ. УПРАВЛЕНИЕ КРЕПЛЕНИЕ СИСТЕМАУПРАВЛЕНИЯ ПОВОРОТОМ, ПЕРЕДНИЙ МОСТ, ТОРМОЗ. СИСТЕМА
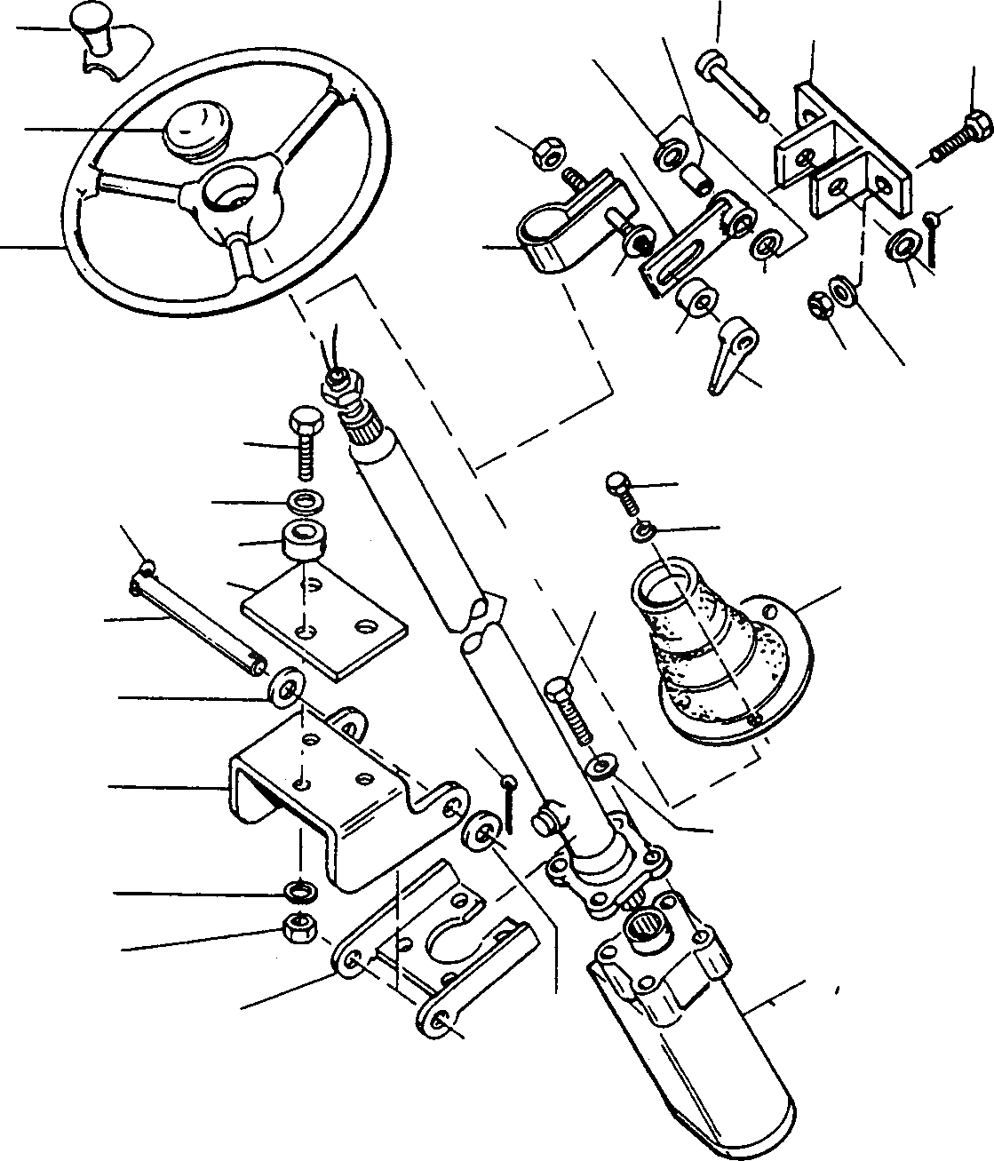
32
23
2A
4
30
3A
26
1A
1B
31
27
21
22
34
20
1
31
33
24
29
28
25
8
5
9
19
6
10
11
15
2
17
18
19
7
16
12
13
3
14
18
FIT
1:1
100%

Артикул

Название

Примечание

Количество

1

4002122M1

STEERING WHEEL

DeutschDesc: LENKRAD

1шт.

1A

2880880M91

BUTTON

DeutschDesc: KNOPF

1шт.

1B

4201447M91

GRIP

DeutschDesc: GRIFF

1шт.

2

4002293M91

STEERING COLUMN

SN: 376020115

1шт.

|$39

STEERING COLUMN

DeutschDesc: LENKSAEULE

-3шт.

2A

4202363M91

STEERING COLUMN

SN: 376020116-UP

1шт.

|$40

STEERING COLUMN

DeutschDesc: LENKSAEULE

-3шт.

3

4200292M91

STEERING UNIT

SN: 376020115

1шт.

|$41

STEERING UNIT

DeutschDesc: LENKEINHEIT

-3шт.

3A

4202364M91

STEERING UNIT

SN: 376020116-UP

1шт.

|$42

STEERING UNIT

DeutschDesc: LENKEINHEIT

-3шт.

4

4201335M91

PROTECTOR

DeutschDesc: SCHUTZ

1шт.

5

3005086X1

SCREW

DeutschDesc: SCHRAUBE

3шт.

6

391565X1

PLAIN WASHER

DeutschDesc: UNTERLEGSCHEIBE

3шт.

7

4200279M91

BED BRACKET

DeutschDesc: LAGERBOCK

1шт.

8

339246X1

SCREW

DeutschDesc: SCHRAUBE

3шт.

9

4200777M1

DISC

DeutschDesc: SCHEIBE

3шт.

10

4200776M1

BUSHING

DeutschDesc: BUCHSE

3шт.

11

4200778M1

PLATE

DeutschDesc: PLATTE

1шт.

12

390597X1

PLAIN WASHER

DeutschDesc: UNTERLEGSCHEIBE

3шт.

13

1444331X1

NUT

DeutschDesc: MUTTER

3шт.

14

4200276M91

BED BRACKET

DeutschDesc: LAGERBOCK

1шт.

15

1443712X1

SCREW

DeutschDesc: SCHRAUBE

4шт.

16

391037X1

SPRING WASHER

DeutschDesc: FEDERRING

4шт.

17

4200281M1

PIN

DeutschDesc: BOLZEN

1шт.

18

391224X1

DISC

DeutschDesc: SCHEIBE

2шт.

19

1442853X1

COTTER

DeutschDesc: SPLINT

2шт.

20

4201673M91

CLAMPING DEVICE

DeutschDesc: KLEMMVORRICHTUNG

1шт.

21

2995299X1

NUT

EnglischBem: REPAIRS AND REPLACES 1443 758 X1

1шт.

22

4201672M91

PILOT

DeutschDesc: FUEHRUNG

1шт.

23

1442851X1

DISC

DeutschDesc: SCHEIBE

1шт.

24

4201668M1

DISC

DeutschDesc: SCHEIBE

1шт.

25

4201795M91

TOMMY SCREW

DeutschDesc: KNEBELSCHRAUBE

1шт.

26

4201667M91

BEARING

DeutschDesc: LAGER

1шт.

27

339761X1

SCREW

EnglischBem: REPAIRS AND REPLACES 339 009 X1

2шт.

28

1443789X1

SPRING WASHER

EnglischBem: REPAIRS AND REPLACES 391 565 X1

2шт.

29

1444329X1

NUT

DeutschDesc: MUTTER

2шт.

30

2994727M1

BUSHING

DeutschDesc: BUCHSE

1шт.

31

4201670M1

DISC

DeutschDesc: SCHEIBE

2шт.

32

3003224X1

PIN

DeutschDesc: BOLZEN

1шт.

33

391565X1

PLAIN WASHER

DeutschDesc: UNTERLEGSCHEIBE

1шт.

34

1444465X1

COTTER

DeutschDesc: SPLINT

1шт.

Выбрано товаров: 42