Запчасти Komatsu 70E ДВИГАТЕЛЬ TIMING ПРИВОД UP - ДВИГАТЕЛЬ NO.И FROM ДВИГАТЕЛЬ NO. ДВИГАТЕЛЬ, АКСЕССУАРЫ И ЭЛЕКТРИЧ. СИСТЕМА

Схема запчастей Komatsu 70E - ДВИГАТЕЛЬ TIMING ПРИВОД UP - ДВИГАТЕЛЬ NO.  И FROM ДВИГАТЕЛЬ NO.   ДВИГАТЕЛЬ, АКСЕССУАРЫ И ЭЛЕКТРИЧ. СИСТЕМА
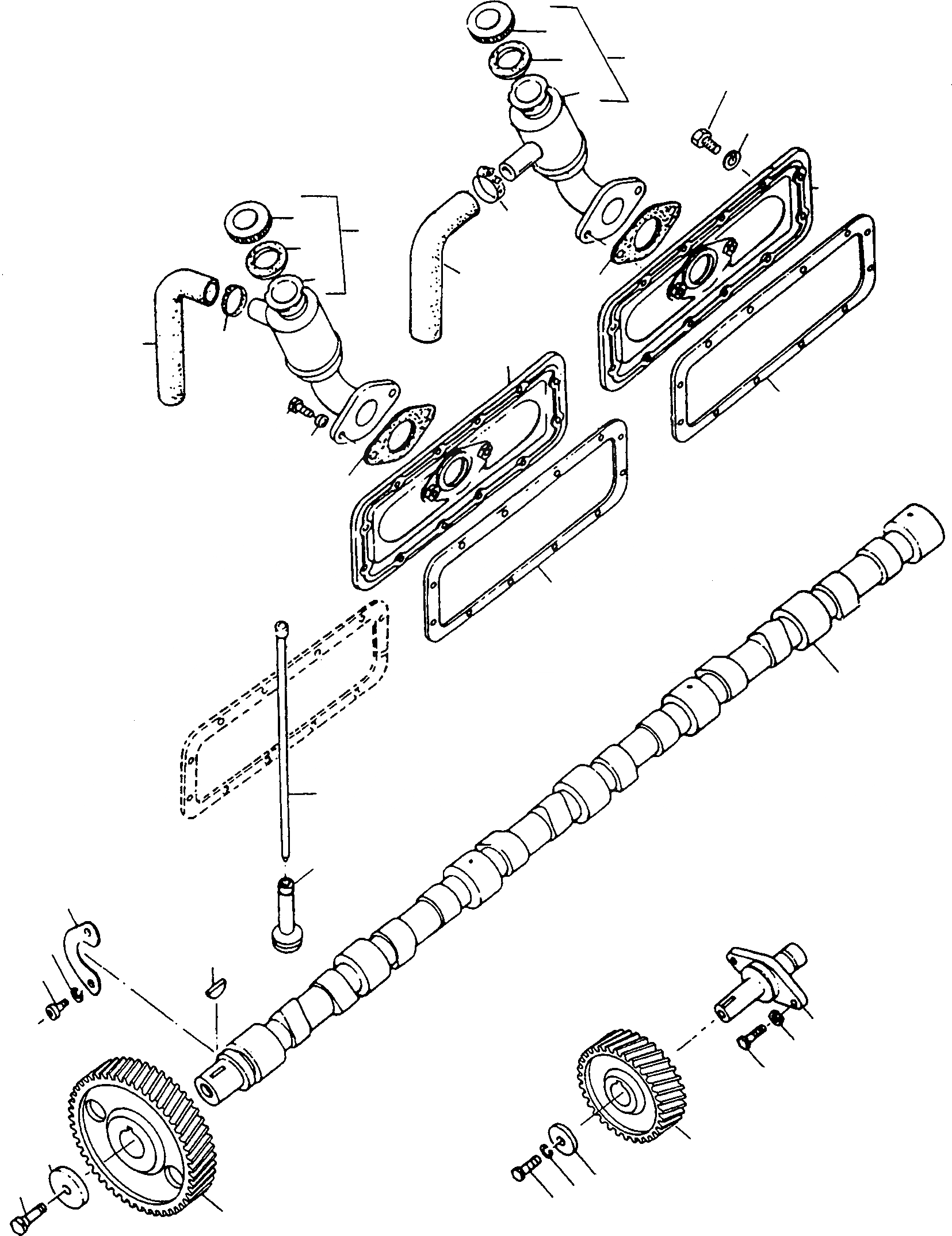
4
21
18
20
28
19
29
27
21
26
18
20
19
25
24
25
26
27
30
22
23
24
30
1
7
6
8
10
3
9
11
13
12
5
14
17
16
2
15
FIT
1:1
100%

Артикул

Название

Примечание

Количество

1

2872312M1

CAMSHAFT

DeutschDesc: NOCKENWELLE

1шт.

2

2871300M1

DRIVE GEAR

DeutschDesc: ANTRIEBSZAHNRAD

1шт.

3

391348X1

WOODRUFF KEY

DeutschDesc: SCHEIBENFEDER

1шт.

4

2870137M1

NECK DOWN BOLT

DeutschDesc: DEHNSCHRAUBE

1шт.

5

NOT USED

DeutschDesc: NICHT VERWENDET

-1шт.

6

2871296M1

TAPPET

DeutschDesc: STOESSEL

12шт.

7

2871298M1

TAPPET ROD

DeutschDesc: STOESSELSTANGE

12шт.

8

2871289M1

HOLDER

DeutschDesc: HALTETEIL

1шт.

9

1440818X1

SCREW

DeutschDesc: SCHRAUBE

2шт.

10

1443790X1

SPRING WASHER

DeutschDesc: FEDERRING

2шт.

11

2871285M91

FLANGE

DeutschDesc: FLANSCH

1шт.

12

339401X1

SCREW

DeutschDesc: SCHRAUBE

2шт.

13

1443790X1

SPRING WASHER

DeutschDesc: FEDERRING

2шт.

14

2871281M1

GEAR

DeutschDesc: ZAHNRAD

1шт.

15

391932X1

SCREW

DeutschDesc: SCHRAUBE

1шт.

16

1443790X1

SPRING WASHER

DeutschDesc: FEDERRING

1шт.

17

2862163M1

DISC

DeutschDesc: SCHEIBE

1шт.

18

2992327M91

FILTER

EnglischBem: REPAIRS AND REPLACES 2871 677 M91

2шт.

19

FILTER

EnglischBem: ORDER 2992 327 M91

2шт.

20

2869659M1

GASKET

DeutschDesc: DICHTUNG

2шт.

21

2869658M1

COVER

DeutschDesc: DECKEL

2шт.

22

339081X1

SCREW

DeutschDesc: SCHRAUBE

4шт.

23

1444745X1

SEAL

DeutschDesc: DICHTRING

4шт.

24

3007290X1

GASKET

DeutschDesc: DICHTUNG

2шт.

25

2869290M1

HOSE

DeutschDesc: SCHLAUCH

2шт.

26

1444846X1

CLIP

DeutschDesc: SCHELLE

2шт.

27

2872171M1

COVER

DeutschDesc: DECKEL

2шт.

28

339123X1

SCREW

DeutschDesc: SCHRAUBE

20шт.

29

1443789X1

SPRING WASHER

DeutschDesc: FEDERRING

20шт.

30

2870823M1

GASKET

DeutschDesc: DICHTUNG

2шт.

Выбрано товаров: 30