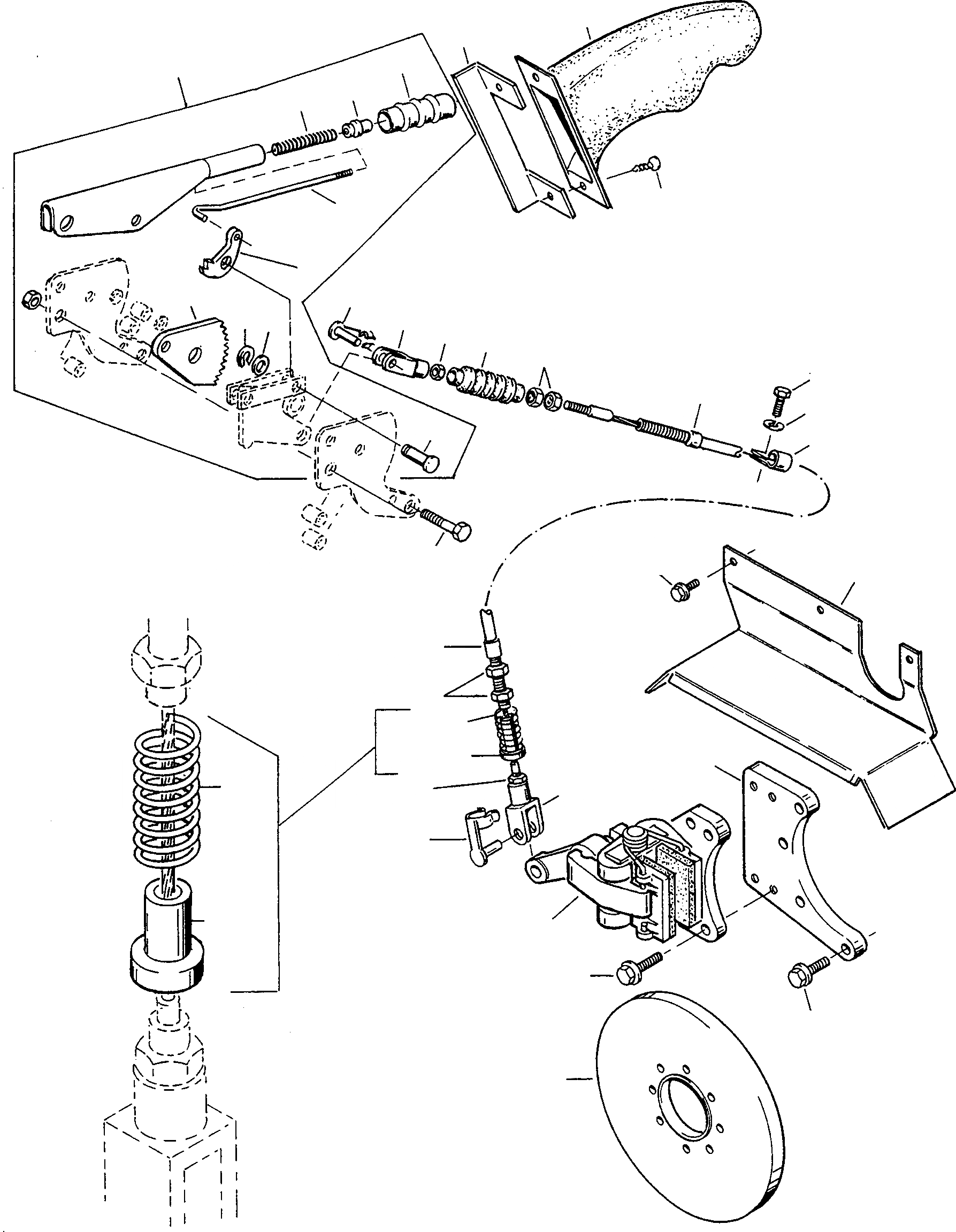
Запчасти Komatsu 70E HAND ТОРМОЗ. И OPERATING ASSEMBLY СИСТЕМАУПРАВЛЕНИЯ ПОВОРОТОМ, ПЕРЕДНИЙ МОСТ, ТОРМОЗ. СИСТЕМА

Схема запчастей Komatsu 70E - HAND ТОРМОЗ. И OPERATING ASSEMBLY СИСТЕМАУПРАВЛЕНИЯ ПОВОРОТОМ, ПЕРЕДНИЙ МОСТ, ТОРМОЗ. СИСТЕМА
19
24B
24A
18
24A
24B
9
8
10
11
20
12
13
17
27
16
26
15
25
23
24
29
22
30
14
28
21
7
6
22
24
1
25
26
27
3
4
2
5
FIT
1:1
100%

Артикул

Название

Примечание

Количество

1

4200396M1

PLATE

DeutschDesc: PLATTE

1шт.

2

2995566X1

SCREW

DeutschDesc: SCHRAUBE

4шт.

3

4202475M91

HAND BRAKE

DeutschDesc: HANDBREMSE

1шт.

|$33

HAND BRAKE

DeutschDesc: HANDBREMSE

-3шт.

4

2995566X1

SCREW

DeutschDesc: SCHRAUBE

4шт.

5

4200394M1

BRAKE DISC

DeutschDesc: BREMSSCHEIBE

1шт.

6

4200398M1

PROTECTOR

DeutschDesc: SCHUTZ

1шт.

7

2995569X1

SCREW

DeutschDesc: SCHRAUBE

3шт.

8

4200403M91

BRAKE LEVER

DeutschDesc: BREMSHEBEL

1шт.

9

4909092M1

GRIP

DeutschDesc: GRIFF

1шт.

10

4909093M1

BUTTON

DeutschDesc: KNOPF

1шт.

11

4909094M1

COMPRESSION SPRING

DeutschDesc: DRUCKFEDER

1шт.

12

4909095M1

ROD

DeutschDesc: STANGE

1шт.

13

4909096M1

DETENT

DeutschDesc: KLINKE

1шт.

14

4909097M1

PIN

DeutschDesc: BOLZEN

1шт.

15

4909098M1

DISC

DeutschDesc: SCHEIBE

1шт.

16

1440988X1

CIRCLIP

DeutschDesc: SICHERUNGSRING

1шт.

17

4909099M1

SEGMENT

DeutschDesc: SEGMENT

1шт.

18

4202125M1

COVERING

DeutschDesc: ABDECKUNG

1шт.

19

4202436M91

PROTECTOR

DeutschDesc: SCHUTZ

1шт.

20

3067663M8

SCREW

DeutschDesc: SCHRAUBE

2шт.

21

339019X1

SCREW

DeutschDesc: SCHRAUBE

2шт.

22

4202796M91

BOWDEN CABLE

EnglischBem: REPAIRS AND REPLACES 4200 419 M91

1шт.

23

3235272M1

BELLOWS

EnglischBem: TO USE FOR 4200 419 M91 QUANTITY 2

1шт.

24

2945577M1

NUT

DeutschDesc: MUTTER

4шт.

24A

3085602M1

GUIDE SLEEVE

DeutschDesc: FUEHRUNGSHUELSE

1шт.

24B

3085601M1

COMPRESSION SPRING

DeutschDesc: DRUCKFEDER

1шт.

25

1444309X1

NUT

DeutschDesc: MUTTER

2шт.

26

3003040X1

FORK HEAD

DeutschDesc: GABELKOPF

2шт.

27

3003045X1

PIN

DeutschDesc: BOLZEN

2шт.

28

1444666X1

CLIP

DeutschDesc: SCHELLE

4шт.

29

339230X1

SCREW

DeutschDesc: SCHRAUBE

4шт.

30

1443791X1

SPRING WASHER

DeutschDesc: FEDERRING

4шт.

Выбрано товаров: 0