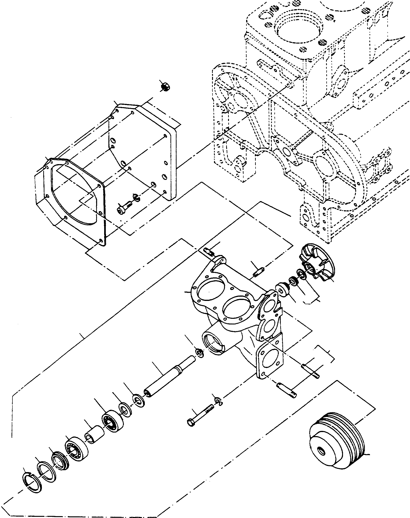
Запчасти Komatsu 70E ВОДЯНАЯ ПОМПА ДВИГАТЕЛЬ, АКСЕССУАРЫ И ЭЛЕКТРИЧ. СИСТЕМА

Схема запчастей Komatsu 70E - ВОДЯНАЯ ПОМПА ДВИГАТЕЛЬ, АКСЕССУАРЫ И ЭЛЕКТРИЧ. СИСТЕМА
7
3
3
4
27
21
22
24
23
6
2
8
9
10
1
1
11
5
12
13
26
14
25
15
16
17
18
20
19
FIT
1:1
100%

Артикул

Название

Примечание

Количество

1

2992153M91

WATER PUMP

DeutschDesc: WASSERPUMPE

1шт.

|$28

SEAL KIT

DeutschDesc: DICHTUNGSSATZ

-3шт.

2

2872389M1

HOUSING

DeutschDesc: GEHAEUSE

1шт.

3

1443733X1

STUD BOLT

DeutschDesc: STIFTSCHRAUBE

6шт.

4

1443737X1

STUD BOLT

DeutschDesc: STIFTSCHRAUBE

2шт.

5

1443732X1

STUD BOLT

DeutschDesc: STIFTSCHRAUBE

2шт.

6

2872393M1

IMPELLER

DeutschDesc: FLUEGELRAD

1шт.

7

3093481M91

PACKING KIT

DeutschDesc: DICHTSATZ

1шт.

8

2871358M1

SEAL

DeutschDesc: DICHTRING

1шт.

9

2868441M1

SEAL

DeutschDesc: DICHTRING

1шт.

10

2994459M1

CIRCLIP

DeutschDesc: SICHERUNGSRING

1шт.

11

2871364M1

SHAFT

DeutschDesc: WELLE

1шт.

12

1443778X1

SHIM

DeutschDesc: PASSSCHEIBE

1шт.

13

3068734M8

SEAL

DeutschDesc: DICHTRING

1шт.

14

3001675X1

BALL BEARING

DeutschDesc: KUGELLAGER

1шт.

15

2871366M1

BUSHING

DeutschDesc: BUCHSE

1шт.

16

3001676X1

BALL BEARING

DeutschDesc: KUGELLAGER

1шт.

17

1444592X1

SEAL

DeutschDesc: DICHTRING

1шт.

18

1443862X1

SHIM

DeutschDesc: PASSSCHEIBE

1шт.

19

1440479X1

CIRCLIP

EnglischBem: REPAIRS AND REPLACES 2999 759 M1

1шт.

20

2992147M1

PULLEY

DeutschDesc: RIEMENSCHEIBE

1шт.

21

2992121M1

PLATE

DeutschDesc: PLATTE

1шт.

22

2992771M1

GASKET

EnglischBem: REPAIRS AND REPLACES 2872 390 M1

1шт.

23

391148X1

SCREW

DeutschDesc: SCHRAUBE

4шт.

24

391037X1

SPRING WASHER

DeutschDesc: FEDERRING

4шт.

25

339168X1

SCREW

DeutschDesc: SCHRAUBE

5шт.

26

1443789X1

SPRING WASHER

DeutschDesc: FEDERRING

6шт.

27

339169X1

NUT

DeutschDesc: MUTTER

2шт.

Выбрано товаров: 0