Запчасти Komatsu 70E BY-PASS КЛАПАН ГИДРАВЛИКА

Схема запчастей Komatsu 70E - BY-PASS КЛАПАН ГИДРАВЛИКА
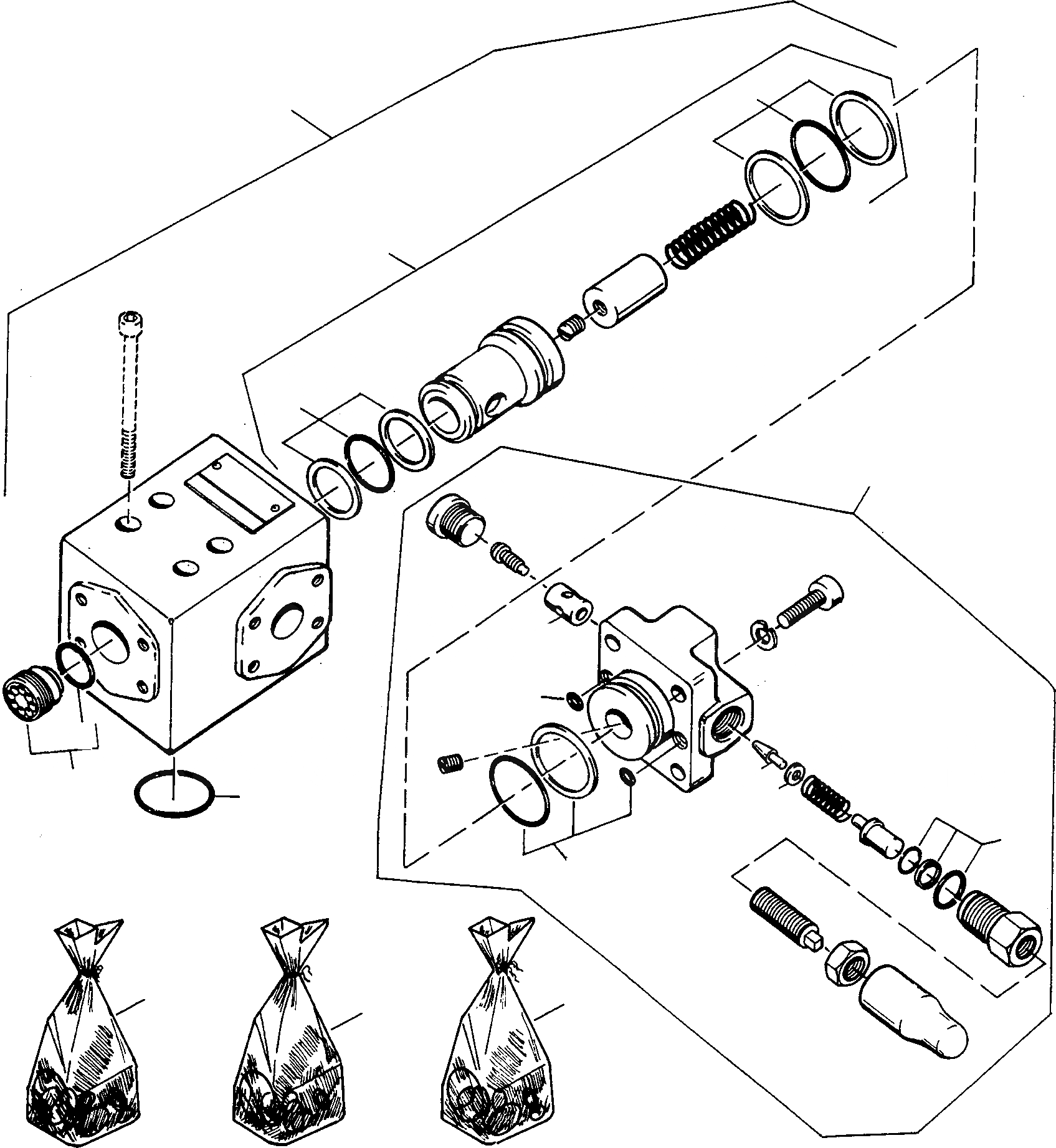
6C
5
6B
6A
1
4
5
6
8
3
2
9
7
8
5
8
7
FIT
1:1
100%

Артикул

Название

Примечание

Количество

1

4200105M91

BY-PASS VALVE

DeutschDesc: ABSCHALTVENTIL

1шт.

2

3235544M91

CHECK VALVE

DeutschDesc: RUECKSCHLAGVENTIL

1шт.

3

3005047X1

O-RING

DeutschDesc: O-RING

1шт.

4

3235607M91

VALVE

EnglischBem: REPAIRS AND REPLACES 3235 545 M91

1шт.

5

3235547M91

GASKET KIT

DeutschDesc: DICHTUNGSSATZ

1шт.

6

3235608M1

COVER

EnglischBem: REPAIRS AND REPLACES 3235 546 M1

1шт.

6A

4912188M1

SPRING

DeutschDesc: FEDER

1шт.

6B

4912189M1

POPPET

DeutschDesc: VENTILKEGEL

1шт.

6C

4912190M1

VALVE SEAT

DeutschDesc: VENTILSITZ

1шт.

7

3235548M91

GASKET KIT

DeutschDesc: DICHTUNGSSATZ

1шт.

8

3235609M91

GASKET KIT

DeutschDesc: DICHTUNGSSATZ

1шт.

9

1444780X1

O-RING

DeutschDesc: O-RING

1шт.

Выбрано товаров: 12