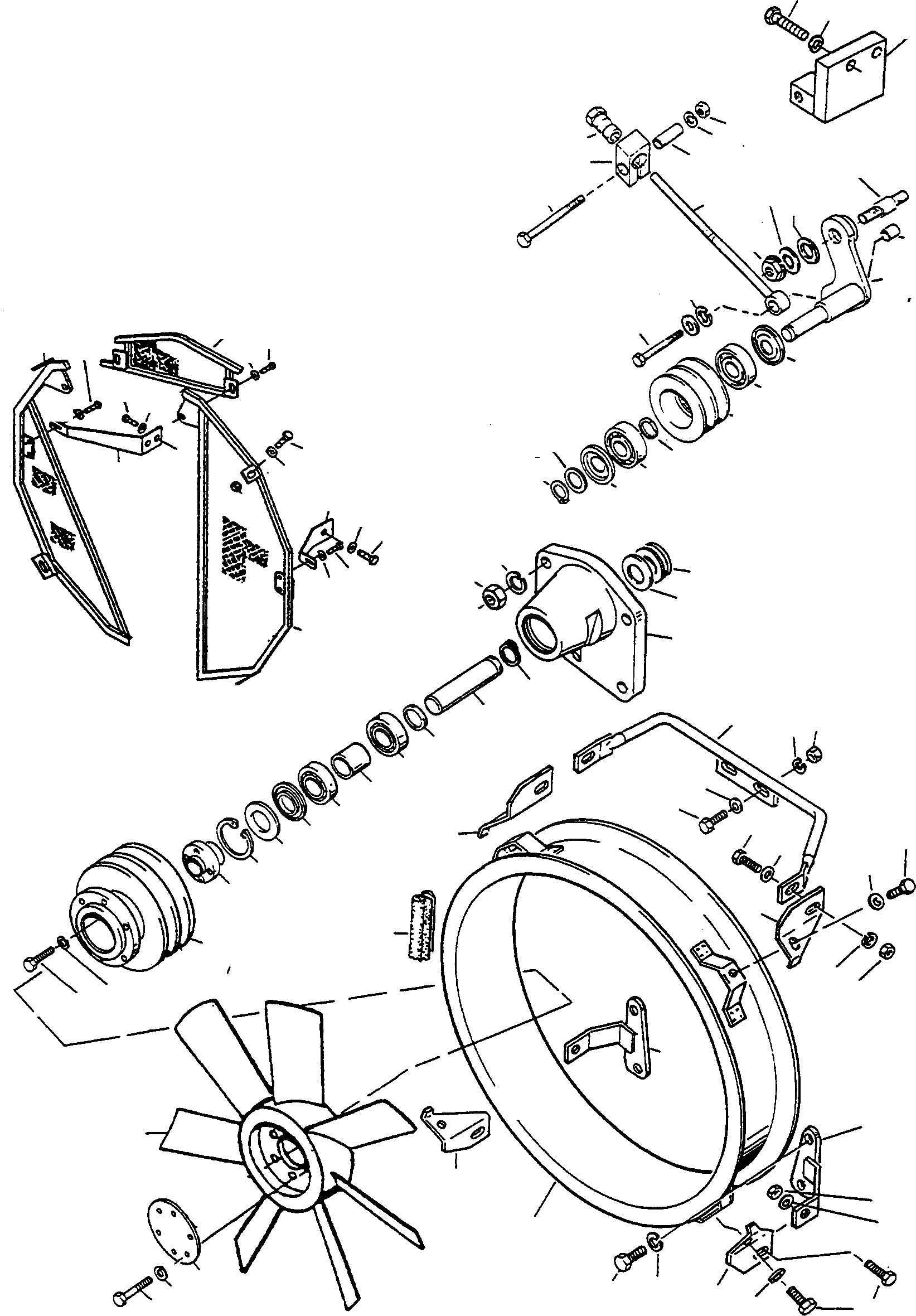
Запчасти Komatsu 70E ВЕНТИЛЯТОР, НАТЯЖИТЕЛЬ РЕМНЯ ДВИГАТЕЛЬ, АКСЕССУАРЫ И ЭЛЕКТРИЧ. СИСТЕМА

Схема запчастей Komatsu 70E - ВЕНТИЛЯТОР, НАТЯЖИТЕЛЬ РЕМНЯ ДВИГАТЕЛЬ, АКСЕССУАРЫ И ЭЛЕКТРИЧ. СИСТЕМА
80
70
79
54
55
58
78
24
21
23
40
42
44
77
35
36
4
65
73
62
76
72
63
75
74
64
67
68
66
71
69
31
33
24
32
56
26
57
25
61
59
60
33
32
57
22
28
56
29
30
52
51
53
23
50
27
49
48
6
10
47
9
46
45
8
7
43
17
15
17
18
41
18
39
16
20
18
19
38
37
11
12
1
16
19
18
5
2
14
13
15
3
18
17
FIT
1:1
100%

Артикул

Название

Примечание

Количество

1

4202894M1

FAN

EnglischBem: DOES NOT BELONG TO SUPPLY UNIT OF THE ENGINE

1шт.

2

4101112M1

DISC

EnglischBem: DOES NOT BELONG TO SUPPLY UNIT OF THE ENGINE

1шт.

3

339761X1

SCREW

EnglischBem: DOES NOT BELONG TO SUPPLY UNIT OF THE ENGINE

6шт.

4

2993679X1

CIRCLIP

EnglischBem: DOES NOT BELONG TO SUPPLY UNIT OF THE ENGINE

6шт.

5

4200563M91

TUNNEL

EnglischBem: DOES NOT BELONG TO SUPPLY UNIT OF THE ENGINE

1шт.

6

4201573M91

MOUNTING

EnglischBem: DOES NOT BELONG TO SUPPLY UNIT OF THE ENGINE

1шт.

7

339337X1

SCREW

EnglischBem: DOES NOT BELONG TO SUPPLY UNIT OF THE ENGINE

2шт.

8

390972X1

PLAIN WASHER

EnglischBem: DOES NOT BELONG TO SUPPLY UNIT OF THE ENGINE

2шт.

9

2993679X1

CIRCLIP

EnglischBem: DOES NOT BELONG TO SUPPLY UNIT OF THE ENGINE

2шт.

10

339169X1

NUT

EnglischBem: DOES NOT BELONG TO SUPPLY UNIT OF THE ENGINE

2шт.

11

4201578M91

BRACKET

EnglischBem: DOES NOT BELONG TO SUPPLY UNIT OF THE ENGINE

1шт.

12

4201579M91

BRACKET

EnglischBem: DOES NOT BELONG TO SUPPLY UNIT OF THE ENGINE

1шт.

13

1442729X1

SCREW

EnglischBem: DOES NOT BELONG TO SUPPLY UNIT OF THE ENGINE

4шт.

14

2994703M1

SPRING WASHER

EnglischBem: DOES NOT BELONG TO SUPPLY UNIT OF THE ENGINE

4шт.

15

4246492M1

CONNECTION

EnglischBem: DOES NOT BELONG TO SUPPLY UNIT OF THE ENGINE

2шт.

16

4246493M1

CONNECTION

EnglischBem: DOES NOT BELONG TO SUPPLY UNIT OF THE ENGINE

2шт.

17

1444137X1

SCREW

EnglischBem: DOES NOT BELONG TO SUPPLY UNIT OF THE ENGINE

8шт.

18

390972X1

PLAIN WASHER

EnglischBem: DOES NOT BELONG TO SUPPLY UNIT OF THE ENGINE

8шт.

19

1444329X1

NUT

EnglischBem: DOES NOT BELONG TO SUPPLY UNIT OF THE ENGINE

4шт.

20

4200231M1

SEAL SECTION

EnglischBem: DOES NOT BELONG TO SUPPLY UNIT OF THE ENGINE GOODS SOLD BY THE M

1шт.

21

4246490M92

PROTECTOR

EnglischBem: DOES NOT BELONG TO SUPPLY UNIT OF THE ENGINE

1шт.

22

4246495M2

BRACKET

EnglischBem: DOES NOT BELONG TO SUPPLY UNIT OF THE ENGINE

1шт.

23

390972X1

PLAIN WASHER

EnglischBem: DOES NOT BELONG TO SUPPLY UNIT OF THE ENGINE

2шт.

24

1444137X1

SCREW

EnglischBem: DOES NOT BELONG TO SUPPLY UNIT OF THE ENGINE

2шт.

25

390597X1

PLAIN WASHER

EnglischBem: DOES NOT BELONG TO SUPPLY UNIT OF THE ENGINE

2шт.

26

391932X1

SCREW

EnglischBem: DOES NOT BELONG TO SUPPLY UNIT OF THE ENGINE

2шт.

27

4246489M91

PROTECTOR

EnglischBem: DOES NOT BELONG TO SUPPLY UNIT OF THE ENGINE

1шт.

28

4246494M2

BRACKET

EnglischBem: DOES NOT BELONG TO SUPPLY UNIT OF THE ENGINE

1шт.

29

1441664X1

PLAIN WASHER

EnglischBem: DOES NOT BELONG TO SUPPLY UNIT OF THE ENGINE

1шт.

30

2993834X1

SCREW

EnglischBem: DOES NOT BELONG TO SUPPLY UNIT OF THE ENGINE

1шт.

31

4246491M91

PROTECTOR

EnglischBem: DOES NOT BELONG TO SUPPLY UNIT OF THE ENGINE

1шт.

32

390972X1

PLAIN WASHER

EnglischBem: DOES NOT BELONG TO SUPPLY UNIT OF THE ENGINE

6шт.

33

1444137X1

SCREW

EnglischBem: DOES NOT BELONG TO SUPPLY UNIT OF THE ENGINE

6шт.

34

1444329X1

NUT

EnglischBem: DOES NOT BELONG TO SUPPLY UNIT OF THE ENGINE

4шт.

35

2992137M2

PULLEY

DeutschDesc: RIEMENSCHEIBE

1шт.

36

4203244M1

PULLEY

EnglischBem: ADDITIONAL NOISE REDUCTION Ш 250 MM

1шт.

37

339761X1

SCREW

DeutschDesc: SCHRAUBE

4шт.

38

1443789X1

SPRING WASHER

DeutschDesc: FEDERRING

4шт.

39

3070606M1

HUB

DeutschDesc: NABE

1шт.

40

1440479X1

CIRCLIP

DeutschDesc: SICHERUNGSRING

1шт.

41

1443862X1

SHIM

DeutschDesc: PASSSCHEIBE

1шт.

42

1444592X1

SEAL

DeutschDesc: DICHTRING

1шт.

43

3001676X1

BALL BEARING

DeutschDesc: KUGELLAGER

1шт.

44

2871366M1

BUSHING

DeutschDesc: BUCHSE

1шт.

45

3001675X1

BALL BEARING

DeutschDesc: KUGELLAGER

1шт.

46

1443778X1

SHIM

DeutschDesc: PASSSCHEIBE

1шт.

47

2871323M1

SHAFT

DeutschDesc: WELLE

1шт.

48

2994459M1

CIRCLIP

DeutschDesc: SICHERUNGSRING

1шт.

49

2872346M1

BEARING HOUSING

DeutschDesc: LAGERGEHAEUSE

1шт.

50

3004900X1

SEAL

DeutschDesc: DICHTRING

1шт.

51

2872345M1

PLUG

DeutschDesc: VERSCHLUSSSTOPFEN

1шт.

52

1443789X1

SPRING WASHER

DeutschDesc: FEDERRING

4шт.

53

339169X1

NUT

DeutschDesc: MUTTER

4шт.

54

2992168M91

LEVER

DeutschDesc: HEBEL

1шт.

55

4404074M91

LEVER

EnglischBem: ADDITIONAL NOISE REDUCTION

1шт.

56

1444593X1

SEAL

DeutschDesc: DICHTRING

2шт.

57

391143X1

BEARING

DeutschDesc: LAGER

2шт.

58

2992166M1

TIGHTENER

DeutschDesc: SPANNROLLE

1шт.

59

2992722M1

TIGHTENER

EnglischBem: ADDITIONAL NOISE REDUCTION

1шт.

60

2992167M1

RING

DeutschDesc: RING

1шт.

61

390798X1

SHIM

DeutschDesc: PASSSCHEIBE

1шт.

62

1440475X1

CIRCLIP

DeutschDesc: SICHERUNGSRING

1шт.

63

3095273M1

PIN

DeutschDesc: BOLZEN

1шт.

64

3070620M1

PLAIN WASHER

DeutschDesc: UNTERLEGSCHEIBE

1шт.

65

1444395X1

SPRING WASHER

DeutschDesc: FEDERRING

1шт.

66

1444315X1

NUT

DeutschDesc: MUTTER

1шт.

67

2992130M91

EYE BOLT

DeutschDesc: AUGENSCHRAUBE

1шт.

68

2963569M1

SPACER

DeutschDesc: ABSTANDSTUECK

1шт.

69

2995769X1

SCREW

DeutschDesc: SCHRAUBE

1шт.

70

1443796X1

SPRING WASHER

DeutschDesc: FEDERRING

1шт.

71

391039X1

PLAIN WASHER

DeutschDesc: UNTERLEGSCHEIBE

1шт.

72

3095283M1

CLAMPING DEVICE

DeutschDesc: KLEMMVORRICHTUNG

1шт.

73

3095291M1

NUT

DeutschDesc: MUTTER

1шт.

74

1444981X1

SCREW

DeutschDesc: SCHRAUBE

1шт.

75

2992131M1

TUBE

DeutschDesc: ROHR

1шт.

76

1443790X1

SPRING WASHER

DeutschDesc: FEDERRING

1шт.

77

339402X1

NUT

DeutschDesc: MUTTER

1шт.

78

4404076M91

BRACKET

EnglischBem: ADDITIONAL NOISE REDUCTION

1шт.

79

2993793X1

SPRING WASHER

EnglischBem: ADDITIONAL NOISE REDUCTION

2шт.

80

339814X1

SCREW

EnglischBem: ADDITIONAL NOISE REDUCTION

2шт.

Выбрано товаров: 80