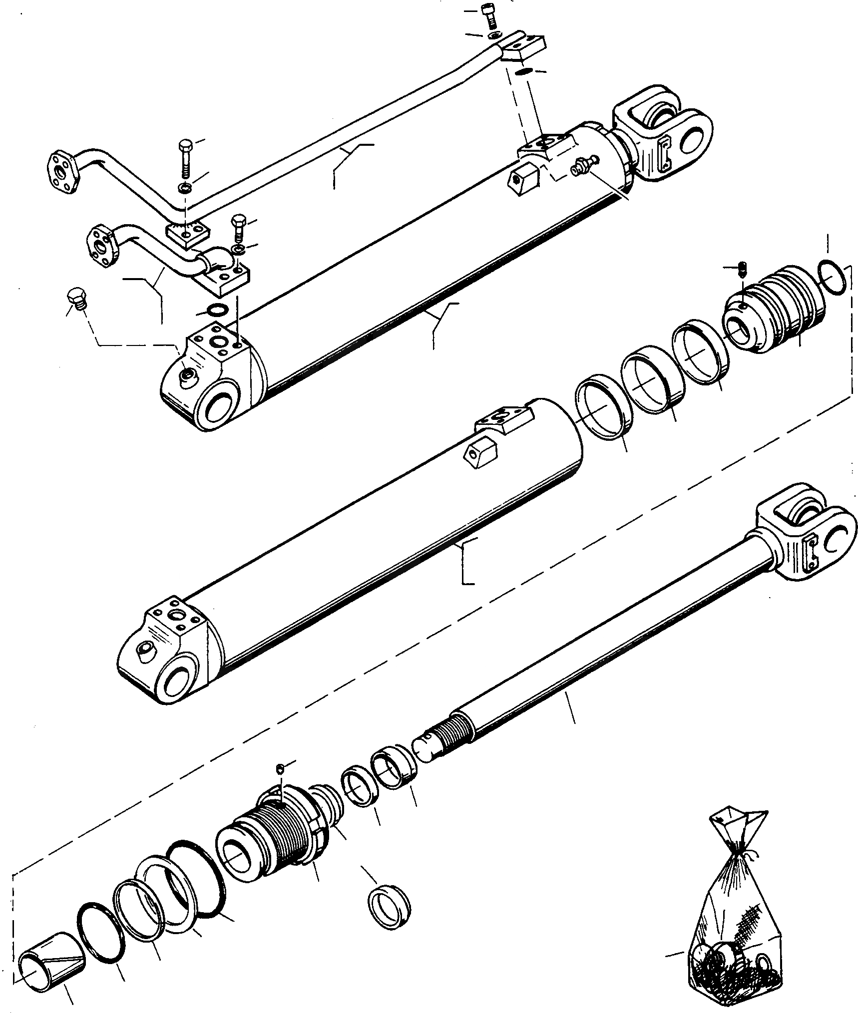
Запчасти Komatsu 70E ГИДРОЦИЛИНДР ПОДЪЕМА ГИДРАВЛИКА

Схема запчастей Komatsu 70E - ГИДРОЦИЛИНДР ПОДЪЕМА ГИДРАВЛИКА
24
23
30A
10A
7A
22
28
20
29
21
30
18
29
15
25
26
27
1
19
2
14
16
17
16
3
4
5
7
8
9
6
10
31
11
12
13
FIT
1:1
100%

Артикул

Название

Примечание

Количество

1

4500958M91

LIFT CYLINDER

EnglischBem: REPAIRS AND REPLACES 4201 392 M91 LEFT HAND EXCHANGEABLE WITH 45

1шт.

2

4500957M91

LIFT CYLINDER

EnglischBem: REPAIRS AND REPLACES 4201 391 M91 RIGHT HAND EXCHANGEABLE WITH 4

1шт.

3

3235579M91

CYLINDER HOUSING

DeutschDesc: HYD.ZYLINDERGEHAEUSE

1шт.

4

3235589M91

CYLINDER HOUSING

DeutschDesc: HYD.ZYLINDERGEHAEUSE

1шт.

5

3235580M91

CYLINDER ROD

EnglischBem: NOTE: Pos. (5) included in Pos. (1) and (2) Kit

1шт.

6

3235581M1

GUIDE BUSH

EnglischBem: NOTE: Pos. (6) included in Pos. (1) and (2) Kit

1шт.

7

3228380M1

PLUG

EnglischBem: BELONGS TO SEAL KIT 3235 588 M91 NOTE: Pos. (7) included in Pos.

1шт.

7A

NOT USED

DeutschDesc: NICHT VERWENDET

-1шт.

8

1607859M1

STRIPPER

EnglischBem: BELONGS TO SEAL KIT 3235 588 M91 NOTE: Pos. (8) included in Pos.

1шт.

9

3235582M1

SEAL

EnglischBem: BELONGS TO SEAL KIT 3235 588 M91 NOTE: Pos. (9) included in Pos.

1шт.

10

NOT USED

DeutschDesc: NICHT VERWENDET

-1шт.

10A

NOT USED

DeutschDesc: NICHT VERWENDET

-1шт.

11

338914X1

BACK-UP RING

EnglischBem: BELONGS TO SEAL KIT 3235 588 M91 NOTE: Pos. (11) included in Pos

1шт.

12

359215X1

O-RING

EnglischBem: BELONGS TO SEAL KIT 3235 588 M91 NOTE: Pos. (12) included in Pos

1шт.

13

NOT USED

DeutschDesc: NICHT VERWENDET

-1шт.

14

3235583M1

PISTON

EnglischBem: NOTE: Pos. (14) included in Pos. (1) and (2) Kit

1шт.

15

3402928M1

GRUB SCREW

EnglischBem: NOTE: Pos. (15) included in Pos. (1) and (2) Kit

1шт.

16

3235584M1

PILOT

EnglischBem: BELONGS TO SEAL KIT 3235 588 M91 NOTE: Pos. (16) included in Pos

2шт.

17

3235585M1

SEAL

EnglischBem: BELONGS TO SEAL KIT 3235 588 M91 NOTE: Pos. (17) included in Pos

1шт.

18

359193X1

O-RING

EnglischBem: BELONGS TO SEAL KIT 3235 588 M91 NOTE: Pos. (18) included in Pos

1шт.

19

NOT USED

DeutschDesc: NICHT VERWENDET

-1шт.

20

3235586M91

PIPE

DeutschDesc: ROHRLEITUNG

1шт.

21

3235590M91

PIPE

DeutschDesc: ROHRLEITUNG

1шт.

22

359305X1

O-RING

EnglischBem: NOTE: Pos. (22) included in Pos. (1) and (2) Kit

1шт.

23

1441436X1

SCREW

EnglischBem: NOTE: Pos. (23) included in Pos. (1) and (2) Kit

4шт.

24

391241X1

SPRING WASHER

EnglischBem: NOTE: Pos. (24) included in Pos. (1) and (2) Kit

4шт.

25

3235587M91

PIPE

DeutschDesc: ROHRLEITUNG

1шт.

26

3235591M91

PIPE

DeutschDesc: ROHRLEITUNG

1шт.

27

359308X1

O-RING

EnglischBem: NOTE: Pos. (27) included in Pos. (1) and (2) Kit

1шт.

28

1444053X1

SCREW

EnglischBem: NOTE: Pos. (28) included in Pos. (1) and (2) Kit

2шт.

29

1443790X1

SPRING WASHER

EnglischBem: NOTE: Pos. (29) included in Pos. (1) and (2) Kit

4шт.

30

3003791X1

SCREW

EnglischBem: NOTE: Pos. (30) included in Pos. (1) and (2) Kit

2шт.

30A

NOT USED

DeutschDesc: NICHT VERWENDET

-1шт.

31

3235588M91

GASKET KIT

DeutschDesc: DICHTUNGSSATZ

-26шт.

Выбрано товаров: 34