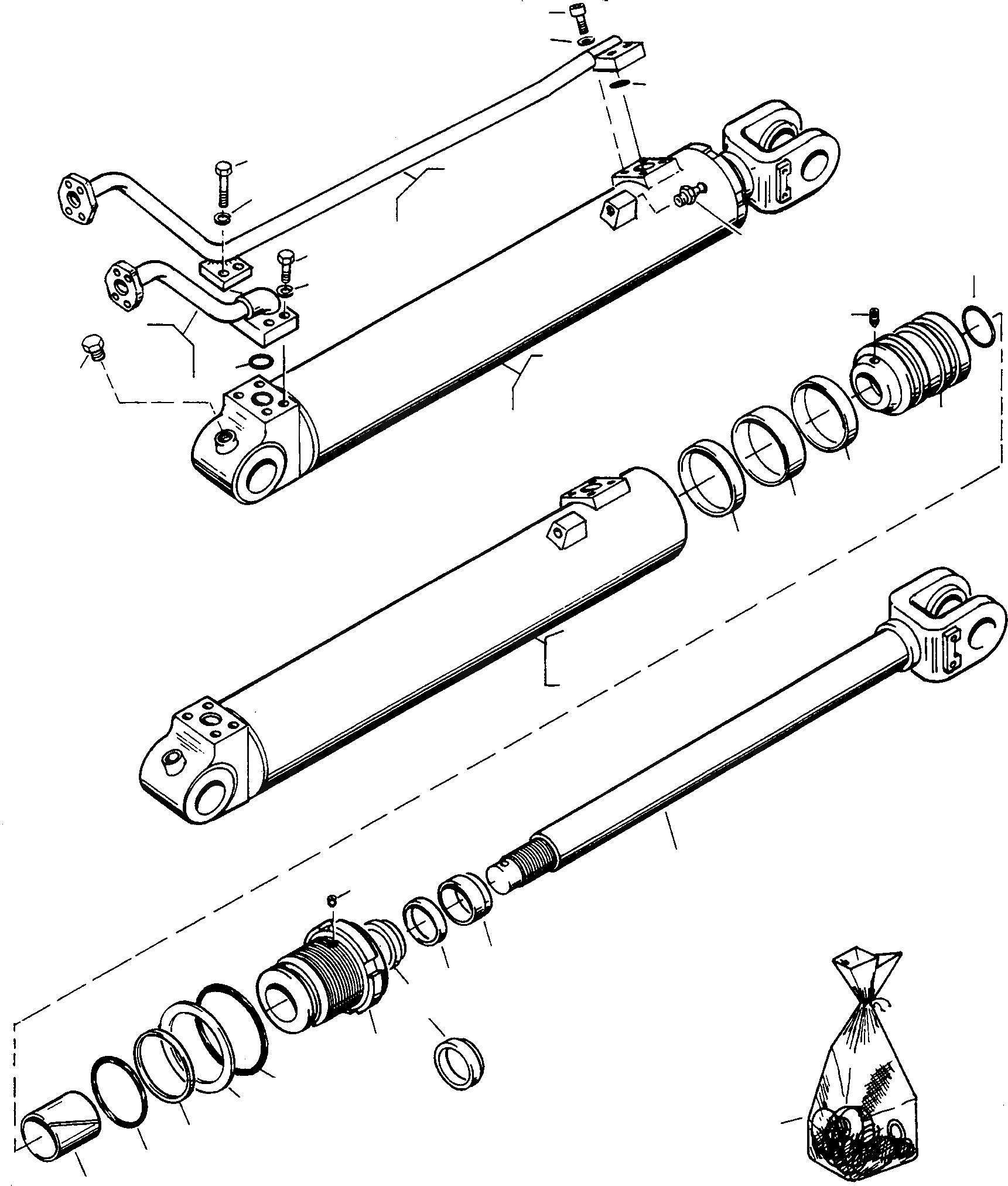
Запчасти Komatsu 70E ГИДРОЦИЛИНДР ПОДЪЕМА ГИДРАВЛИКА

Схема запчастей Komatsu 70E - ГИДРОЦИЛИНДР ПОДЪЕМА ГИДРАВЛИКА
30A
23
10A
24
7A
22
28
20
29
21
30
18
29
15
25
26
27
1
19
2
14
16
17
16
3
4
5
7
8
9
6
10
31
11
12
13
FIT
1:1
100%

Артикул

Название

Примечание

Количество

1

4500985M91

LIFT CYLINDER

EnglischBem: REPAIRS AND REPLACES 4500 803 M91 LEFT HAND

1шт.

2

4500984M91

LIFT CYLINDER

EnglischBem: REPAIRS AND REPLACES 4500 804 M91 RIGHT HAND

1шт.

3

4909670M91

CYLINDER HOUSING

DeutschDesc: HYD.ZYLINDERGEHAEUSE

1шт.

4

4909671M91

CYLINDER HOUSING

DeutschDesc: HYD.ZYLINDERGEHAEUSE

1шт.

5

4909672M91

CYLINDER ROD

EnglischBem: NOTE: Pos. (5) included in Pos. (1) and (2) Kit

1шт.

6

4909674M1

GUIDE BUSH

EnglischBem: NOTE: Pos. (6) included in Pos. (1) and (2) Kit

1шт.

7

NOT USED

DeutschDesc: NICHT VERWENDET

-1шт.

7A

NOT USED

DeutschDesc: NICHT VERWENDET

-1шт.

8

4909682M1

STRIPPER

EnglischBem: BELONGS TO SEAL KIT 4909 681 M91 NOTE: Pos. (8) included in Pos.

1шт.

9

4909683M1

GASKET

EnglischBem: BELONGS TO SEAL KIT 4909 681 M91 NOTE: Pos. (9) included in Pos.

1шт.

10

4909679M1

TAB WASHER

EnglischBem: NOTE: Pos. (10) included in Pos. (1) and (2) Kit

1шт.

10A

4917613M1

O-RING

EnglischBem: BELONGS TO SEAL KIT 4909 681 M91 NOTE: Pos. (10A) included in Po

1шт.

11

4909686M1

BACK-UP RING

EnglischBem: BELONGS TO SEAL KIT 4909 681 M91 NOTE: Pos. (11) included in Pos

1шт.

12

4909687M1

O-RING

EnglischBem: BELONGS TO SEAL KIT 4909 681 M91 NOTE: Pos. (12) included in Pos

1шт.

13

4909685M1

PILOT

EnglischBem: BELONGS TO SEAL KIT 4909 681 M91 NOTE: Pos. (13) included in Pos

1шт.

14

4909673M1

PISTON

EnglischBem: NOTE: Pos. (14) included in Pos. (1) and (2) Kit

1шт.

15

3005604X1

GRUB SCREW

EnglischBem: NOTE: Pos. (15) included in Pos. (1) and (2) Kit

1шт.

16

4909689M1

PILOT

EnglischBem: BELONGS TO SEAL KIT 4909 681 M91 NOTE: Pos. (16) included in Pos

2шт.

17

4909690M1

SEAL

EnglischBem: BELONGS TO SEAL KIT 4909 681 M91 NOTE: Pos. (17) included in Pos

1шт.

18

4909688M1

O-RING

EnglischBem: BELONGS TO SEAL KIT 4909 681 M91 NOTE: Pos. (18) included in Pos

1шт.

19

4909680M1

LOCKING UNIT

EnglischBem: NOTE: Pos. (19) included in Pos. (1) and (2) Kit

1шт.

20

4909675M91

TUBE

DeutschDesc: ROHR

1шт.

21

4909676M91

TUBE

DeutschDesc: ROHR

1шт.

22

4909692M1

O-RING

EnglischBem: BELONGS TO SEAL KIT 4909 681 M91 NOTE: Pos. (22) included in Pos

1шт.

23

3004600X1

SCREW

EnglischBem: NOTE: Pos. (23) included in Pos. (1) and (2) Kit

4шт.

24

391241X1

SPRING WASHER

EnglischBem: NOTE: Pos. (24) included in Pos. (1) and (2) Kit

4шт.

25

4909677M91

TUBE

DeutschDesc: ROHR

1шт.

26

4909678M91

TUBE

DeutschDesc: ROHR

1шт.

27

4909691M1

O-RING

EnglischBem: BELONGS TO SEAL KIT 4909 681 M91 NOTE: Pos. (27) included in Pos

1шт.

28

1444053X1

SCREW

EnglischBem: NOTE: Pos. (28) included in Pos. (1) and (2) Kit

2шт.

29

1443790X1

SPRING WASHER

EnglischBem: NOTE: Pos. (29) included in Pos. (1) and (2) Kit

4шт.

30

3003791X1

SCREW

EnglischBem: NOTE: Pos. (30) included in Pos. (1) and (2) Kit

2шт.

30A

NOT USED

DeutschDesc: NICHT VERWENDET

-1шт.

31

4909681M91

GASKET KIT

DeutschDesc: DICHTUNGSSATZ

-26шт.

Выбрано товаров: 34