Запчасти Komatsu 70E ГЕНЕРАТОР И СТАРТЕР ДВИГАТЕЛЬ, АКСЕССУАРЫ И ЭЛЕКТРИЧ. СИСТЕМА

Схема запчастей Komatsu 70E - ГЕНЕРАТОР И СТАРТЕР ДВИГАТЕЛЬ, АКСЕССУАРЫ И ЭЛЕКТРИЧ. СИСТЕМА
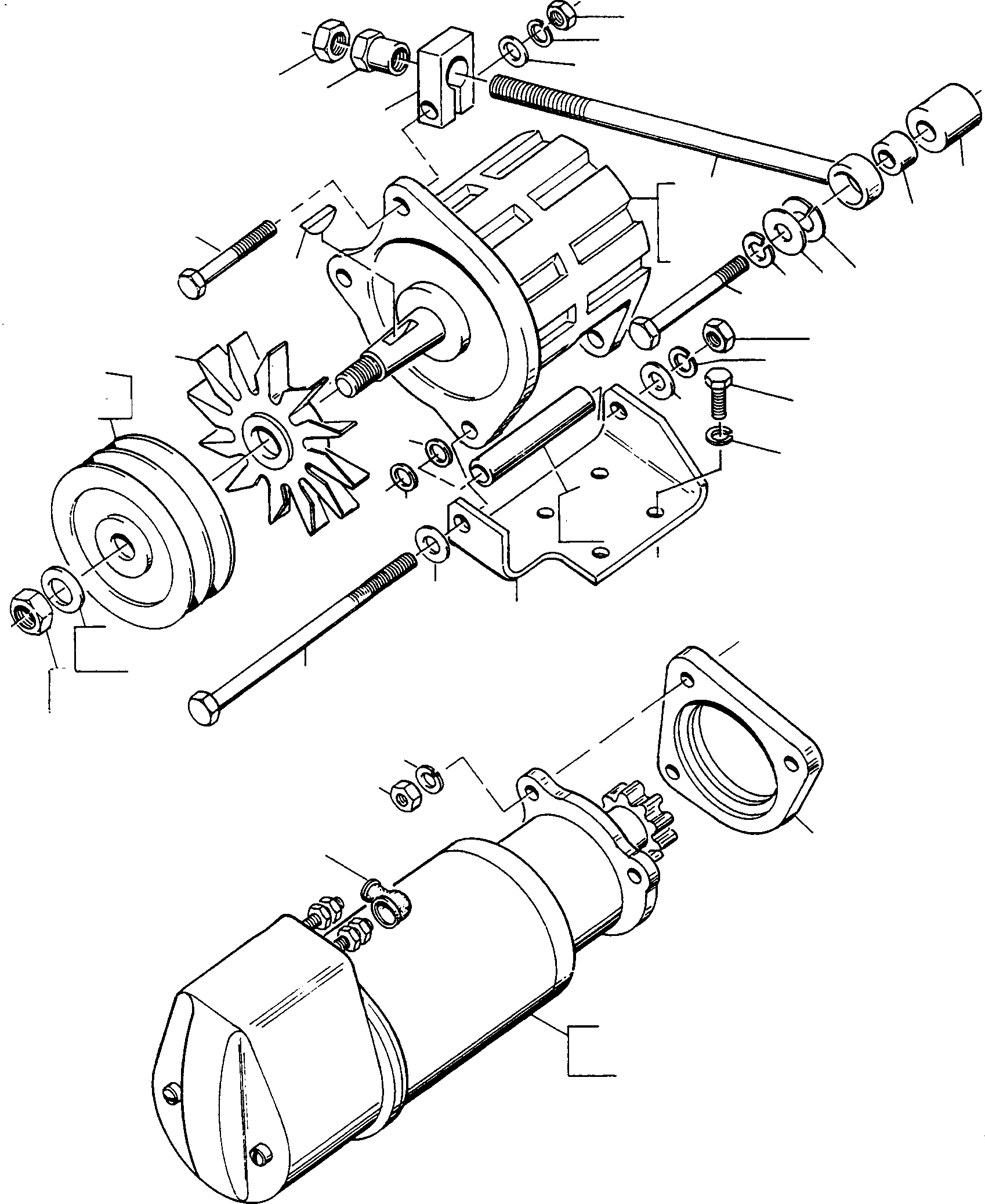
26
1A
27
1B
28
10B
24
10A
10C
23
5A
22
6A
29A
3A
21
19
1
20
25
4
18
17
16
15
12
2
13
3
8
14
9
10
14
7
5
6
11
32
31
30
33
29
FIT
1:1
100%

Артикул

Название

Примечание

Количество

1

2987721M91

ALTERNATOR

EnglischBem: 35A DOES NOT BELONG TO THE SUPPLY UNIT OF THE ENGINE EXECUTION I

1шт.

|$43

ALTERNATOR

DeutschDesc: LICHTM.DREHSTROM

-3шт.

1A

2992741M91

ALTERNATOR

EnglischBem: 35A DOES NOT BELONG TO THE SUPPLY UNIT OF THE ENGINE EXECUTION I

1шт.

|$44

ALTERNATOR

DeutschDesc: LICHTM.DREHSTROM

-3шт.

1B

4000663M92

ALTERNATOR

EnglischBem: REPAIRS AND REPLACES 4000 663 M91 55A DOES NOT BELONG TO THE SUP

1шт.

|$45

ALTERNATOR

DeutschDesc: LICHTM.DREHSTROM

-3шт.

2

2987716M1

FAN

EnglischBem: FOR ALTERNATOR 35A + 55A

1шт.

3

2871787M1

PULLEY

EnglischBem: FOR ALTERNATOR 35A

1шт.

3A

4000850M1

PULLEY

EnglischBem: FOR ALTERNATOR 55A

1шт.

4

391728X1

WOODRUFF KEY

EnglischBem: EXECUTION I

1шт.

5

1443794X1

SPRING WASHER

EnglischBem: Ш 14 MM NOTE: Pos. (5) included in Pos. (1) and (1B) Kit

1шт.

5A

1443796X1

SPRING WASHER

EnglischBem: Ш 16 MM

1шт.

6

1443757X1

NUT

EnglischBem: M14X1,5 NOTE: Pos. (6) included in Pos. (1) and (1B) Kit

1шт.

6A

2995283X1

NUT

EnglischBem: M16X1,5 NOTE: Pos. (6A) included in Pos. (1A) and (1B) Kit

1шт.

7

2992144M1

BRACKET

DeutschDesc: HALTER

1шт.

8

339081X1

SCREW

DeutschDesc: SCHRAUBE

4шт.

9

1443790X1

SPRING WASHER

DeutschDesc: FEDERRING

4шт.

10

2992132M1

TUBE

DeutschDesc: ROHR

1шт.

10A

4004066M1

TUBE

EnglischBem: FOR ALTERNATOR 55A

1шт.

10B

2963208M1

DISC

EnglischBem: FOR ALTERNATOR 55A

1шт.

10C

3006056X1

SHIM

EnglischBem: THICKNESS 1 MM

1шт.

11

2993968X1

SCREW

EnglischBem: REPAIRS AND REPLACES 3002 786 X1

1шт.

12

339402X1

NUT

DeutschDesc: MUTTER

1шт.

13

1443790X1

SPRING WASHER

DeutschDesc: FEDERRING

1шт.

14

NOT USED

DeutschDesc: NICHT VERWENDET

-1шт.

15

1443654X1

SCREW

DeutschDesc: SCHRAUBE

1шт.

16

1443789X1

SPRING WASHER

DeutschDesc: FEDERRING

1шт.

17

391039X1

PLAIN WASHER

DeutschDesc: UNTERLEGSCHEIBE

1шт.

18

1443796X1

SPRING WASHER

DeutschDesc: FEDERRING

1шт.

19

3095282M91

EYE BOLT

EnglischBem: REPAIRS AND REPLACES 2987 730 M91

1шт.

20

2963569M1

SPACER

DeutschDesc: ABSTANDSTUECK

1шт.

21

2992603M1

TUBE

EnglischBem: REPAIRS AND REPLACES 2992 131 M1

1шт.

22

3095283M1

CLAMPING DEVICE

DeutschDesc: KLEMMVORRICHTUNG

1шт.

23

3095291M1

NUT

DeutschDesc: MUTTER

1шт.

24

339054X1

NUT

DeutschDesc: MUTTER

1шт.

25

339556X1

SCREW

DeutschDesc: SCHRAUBE

1шт.

26

339402X1

NUT

DeutschDesc: MUTTER

1шт.

27

1443790X1

SPRING WASHER

DeutschDesc: FEDERRING

1шт.

28

NOT USED

DeutschDesc: NICHT VERWENDET

-1шт.

29

3095297M91

STARTERMOTOR

EnglischBem: ESN - 10 635 254

1шт.

|$$41

STARTERMOTOR

EnglischBem: ESN 10 635 255 -

-3шт.

29A

2992480M91

STARTERMOTOR

EnglischBem: ESN - 10 635 255

1шт.

|$$43

STARTERMOTOR

EnglischBem: ESN 10 635 300 -

-3шт.

30

2871830M1

FLANGE

DeutschDesc: FLANSCH

1шт.

31

339402X1

NUT

DeutschDesc: MUTTER

3шт.

32

1443790X1

SPRING WASHER

DeutschDesc: FEDERRING

3шт.

33

1444011X1

SECURITY CAP

DeutschDesc: SCHUTZKAPPE

1шт.

Выбрано товаров: 47