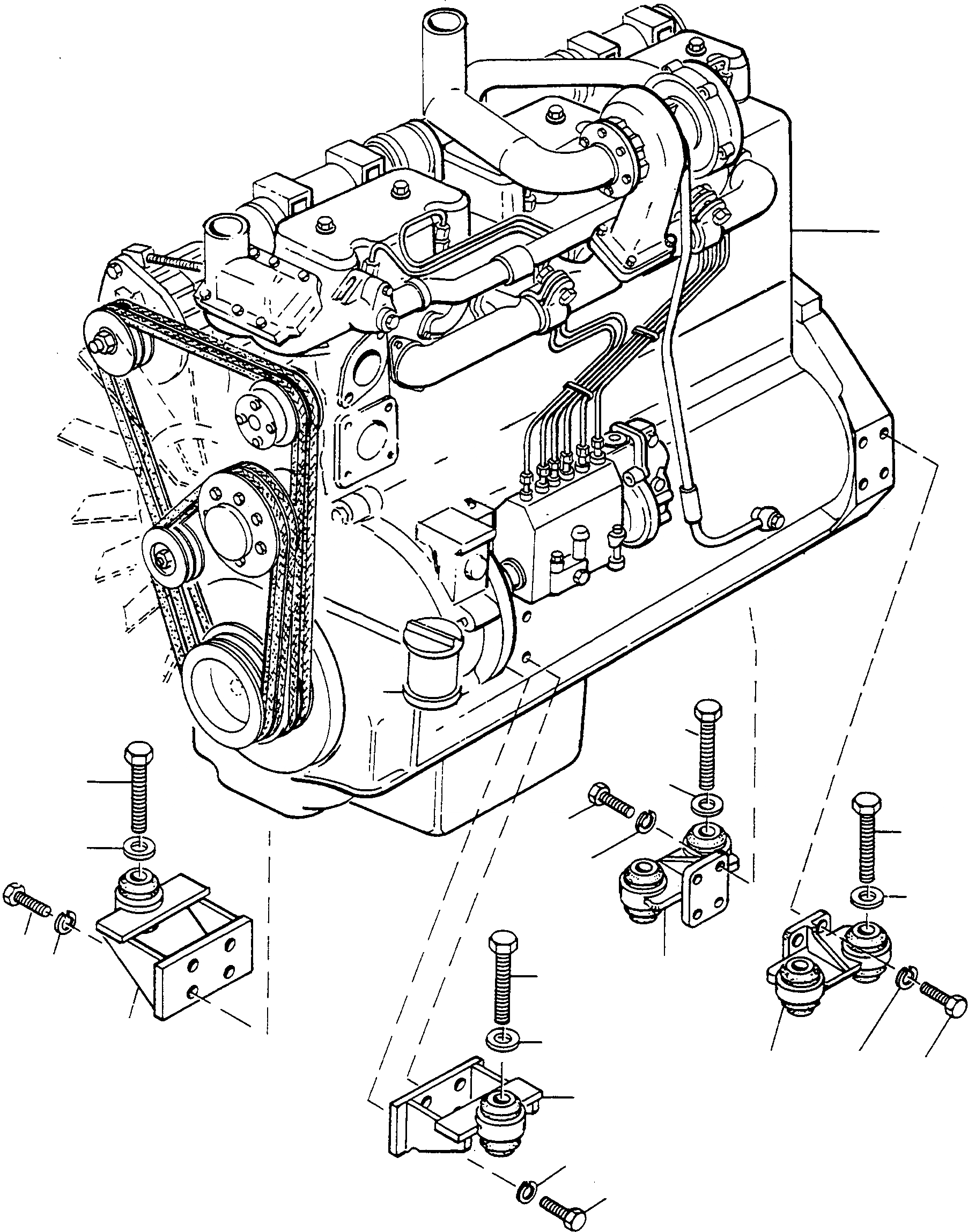
Запчасти Komatsu 70E ДВИГАТЕЛЬ, КРЕПЛЕНИЕ ДВИГАТЕЛЯ ДВИГАТЕЛЬ, АКСЕССУАРЫ И ЭЛЕКТРИЧ. СИСТЕМА

Схема запчастей Komatsu 70E - ДВИГАТЕЛЬ, КРЕПЛЕНИЕ ДВИГАТЕЛЯ ДВИГАТЕЛЬ, АКСЕССУАРЫ И ЭЛЕКТРИЧ. СИСТЕМА
4
1
8
9
8
3
8
9
4
9
6
7
2
8
5
9
2
3
5
7
6
FIT
1:1
100%

Артикул

Название

Примечание

Количество

0

2992200M91

ENGINE

EnglischBem: ORDER 2992 204 M91

1шт.

1

2992204M91

ENGINE

DeutschDesc: MOTOR

1шт.

2

4210137M91

ENGINE CARRIER

DeutschDesc: MOTORTRAEGER

2шт.

3

3002011X1

SCREW

DeutschDesc: SCHRAUBE

8шт.

4

1443794X1

SPRING WASHER

DeutschDesc: FEDERRING

8шт.

5

4210134M91

ENGINE CARRIER

DeutschDesc: MOTORTRAEGER

2шт.

6

1443669X1

SCREW

DeutschDesc: SCHRAUBE

8шт.

7

1443792X1

SPRING WASHER

DeutschDesc: FEDERRING

8шт.

8

1442730X1

SCREW

DeutschDesc: SCHRAUBE

6шт.

9

2948089M1

PLAIN WASHER

DeutschDesc: UNTERLEGSCHEIBE

6шт.

Выбрано товаров: 10