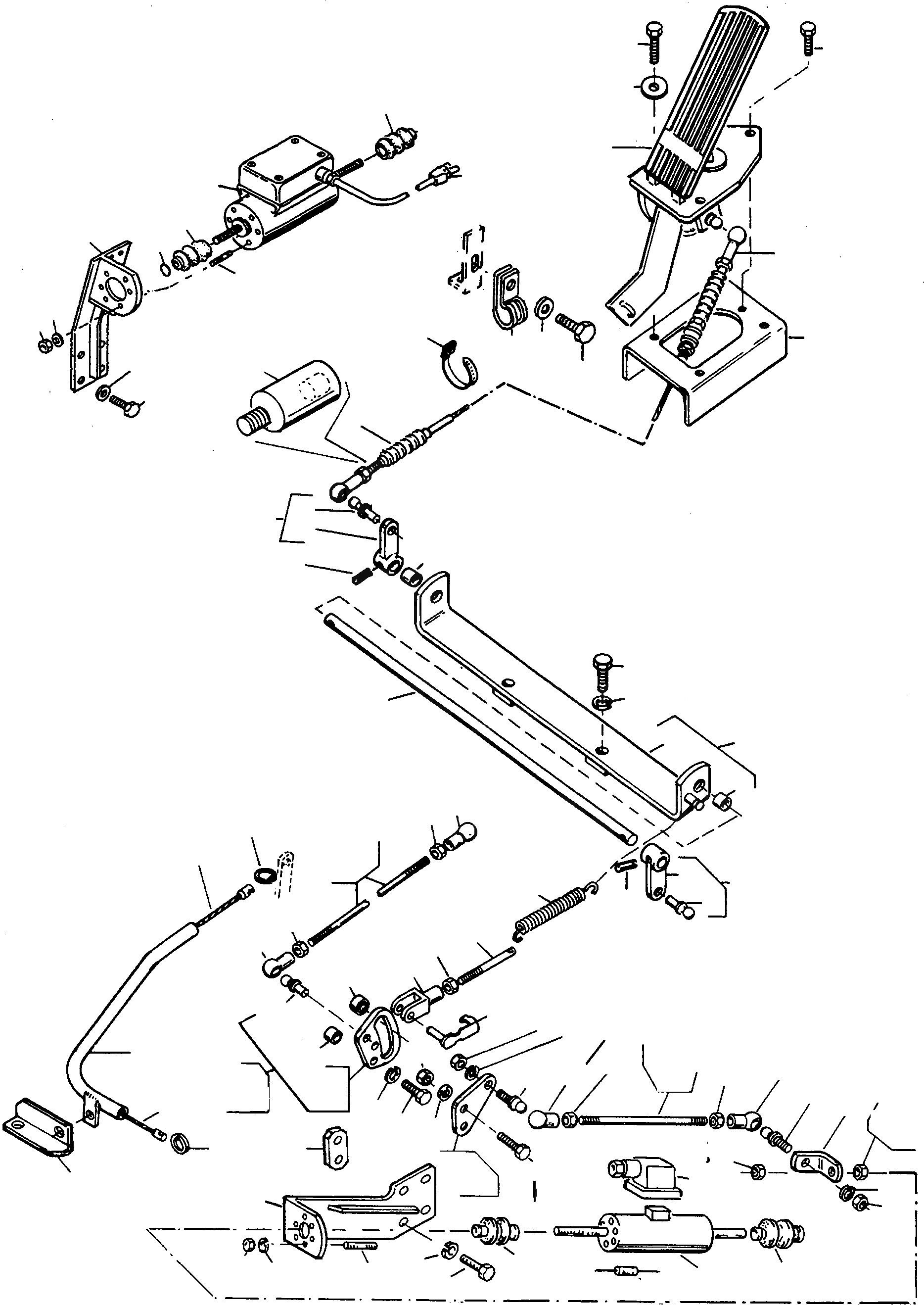
Запчасти Komatsu 70E УПРАВЛ-Е ДВИГАТЕЛЕМ ДВИГАТЕЛЬ, АКСЕССУАРЫ И ЭЛЕКТРИЧ. СИСТЕМА

Схема запчастей Komatsu 70E - УПРАВЛ-Е ДВИГАТЕЛЕМ ДВИГАТЕЛЬ, АКСЕССУАРЫ И ЭЛЕКТРИЧ. СИСТЕМА
4
3A
3
7C
7B
7A
61
61
54
20A
18
53
34
1
24
44
48A
57
47
48A
56
48
46
63
37A
37C
37A
27A
67
41
37B
44
62
55
5
58
59
60
7
2
35
6
36
5
17
15
16
11
14
13
12
8
10
9
11
19
52
20
16
15
21
14
17
19
22
18
23
26
30
25
45
31
51
45
66
49
48
49
42
27
28
42
29
40
52
32
41
33
44
67
65
43
64
50
45
35
38
37
37D
39
36
FIT
1:1
100%

Артикул

Название

Примечание

Количество

1

4202598M91

PEDAL

EnglischBem: REPAIRS AND REPLACES 4200 720 M91

1шт.

2

4202206M91

CONSOLE

EnglischBem: REPAIRS AND REPLACES 4200 734 M1

1шт.

3

391654X1

SCREW

EnglischBem: REPAIRS AND REPLACES 339 262 X1

4шт.

3A

1443791X1

SPRING WASHER

DeutschDesc: FEDERRING

4шт.

4

1444144X1

SCREW

DeutschDesc: SCHRAUBE

1шт.

5

4202930M91

BOWDEN CABLE

EnglischBem: REPAIRS AND REPLACES 4201 556 M92

1шт.

6

3097210M1

EXTENSION

SN: 376020694

1шт.

7

2999878M1

BRACE

DeutschDesc: HALTEBAND

5шт.

7A

1444654X1

CLIP

DeutschDesc: SCHELLE

1шт.

7B

1443791X1

SPRING WASHER

DeutschDesc: FEDERRING

1шт.

7C

339230X1

SCREW

DeutschDesc: SCHRAUBE

1шт.

8

4201558M1

SHAFT

DeutschDesc: WELLE

1шт.

9

4202300M91

BED BRACKET

EnglischBem: REPAIRS AND REPLACES 2845 945 M91

1шт.

10

BED BRACKET

EnglischBem: ORDER 4202 300 M91

1шт.

11

2999866M1

BUSHING

DeutschDesc: BUCHSE

2шт.

12

1443790X1

SPRING WASHER

DeutschDesc: FEDERRING

2шт.

13

390994X1

SCREW

DeutschDesc: SCHRAUBE

2шт.

14

339080X1

ADAPTER SLEEVES

DeutschDesc: SPANNHUELSE

2шт.

15

2951199M91

LEVER

DeutschDesc: HEBEL

2шт.

16

LEVER

EnglischBem: ORDER 2951 199 M91

2шт.

17

339976X1

BALL PIVOT

DeutschDesc: KUGELZAPFEN

2шт.

18

1444502X1

BALL SOCKET

DeutschDesc: KUGELPFANNE

2шт.

19

339030X1

NUT

DeutschDesc: MUTTER

2шт.

20

2951180M1

ROD

SN: 376020079

1шт.

20A

4202298M1

ROD

SN: 376020080-UP

1шт.

21

2963654M1

TENSION SPRING

SN: 376020079

1шт.

22

2951174M1

ROD

SN: 376020079

1шт.

23

339030X1

NUT

SN: 376020079

1шт.

24

1443815X1

FORK HEAD

SN: 376020079

1шт.

25

1444492X1

PIN

SN: 376020079

1шт.

26

1444533X1

BALL BEARING

SN: 376020079

1шт.

27

3091086M91

ADJ LEVER

SN: 376020079

1шт.

27A

4202301M91

ADJ LEVER

SN: 376020080-UP

1шт.

28

ADJ LEVER

EnglischBem: ORDER 4202 301 M91

1шт.

29

NOT USED

DeutschDesc: NICHT VERWENDET

-1шт.

30

339976X1

BALL PIVOT

DeutschDesc: KUGELZAPFEN

1шт.

31

2951191M1

DISTANCE PIECE

SN: 376020079

2шт.

32

1443791X1

SPRING WASHER

DeutschDesc: FEDERRING

2шт.

33

339804X1

SCREW

DeutschDesc: SCHRAUBE

2шт.

34

2992193M91

BRACKET

SN: 376020607

1шт.

35

1443792X1

SPRING WASHER

DeutschDesc: FEDERRING

4шт.

36

1443665X1

SCREW

DeutschDesc: SCHRAUBE

4шт.

37

4201880M92

SOLENOID SWITCH

SN: 376020607

1шт.

37A

3232463M1

BELLOWS

DeutschDesc: FALTENBALG

2шт.

37B

2996400M1

SOCKET

DeutschDesc: STECKDOSE

1шт.

37C

2904737M2

DIODE

DeutschDesc: DIODE

1шт.

37D

3000311X1

STUD BOLT

DeutschDesc: STIFTSCHRAUBE

6шт.

38

392290X1

NUT

DeutschDesc: MUTTER

6шт.

39

1443793X1

SPRING WASHER

DeutschDesc: FEDERRING

6шт.

40

2992300M1

ANGLE

DeutschDesc: WINKEL

1шт.

41

339402X1

NUT

SN: 376020607

2шт.

42

3003056X1

BALL PIVOT

DeutschDesc: KUGELZAPFEN

2шт.

43

2992301M1

VARIATOR

SN: 376020607

1шт.

44

1443791X1

SPRING WASHER

DeutschDesc: FEDERRING

4шт.

45

339030X1

NUT

DeutschDesc: MUTTER

4шт.

46

339560X1

SCREW

SN: 376020607

2шт.

47

2992198M1

REGULATION ROD

SN: 376020607

1шт.

48

3002208X1

BALL SOCKET

EnglischBem: REPAIRS AND REPLACES 1444 502 X1

2шт.

48A

3002209X1

SAFETY SUSPENSION

DeutschDesc: SICHERUNGSFEDER

2шт.

49

339030X1

NUT

DeutschDesc: MUTTER

2шт.

50

2992309M1

ANGLE

DeutschDesc: WINKEL

1шт.

51

3093687M91

PILOT

DeutschDesc: FUEHRUNG

1шт.

52

3093697M1

STRING

DeutschDesc: SEIL

1шт.

53

3093901M1

RING

DeutschDesc: RING

1шт.

54

3093902M1

RING

DeutschDesc: RING

1шт.

55

4404060M91

BRACKET

SN: 376020608-UP

1шт.

56

4216035M91

SOLENOID SWITCH

SN: 376020608-UP

1шт.

57

4004821M91

ELECTRICAL PLUG

DeutschDesc: STECKER

1шт.

58

3000311X1

STUD BOLT

DeutschDesc: STIFTSCHRAUBE

6шт.

59

1443793X1

SPRING WASHER

DeutschDesc: FEDERRING

6шт.

60

392290X1

NUT

DeutschDesc: MUTTER

6шт.

61

3232463M1

BELLOWS

DeutschDesc: FALTENBALG

2шт.

62

1443844X1

SEAL

SN: 376020608-UP

1шт.

63

339666X1

SCREW

SN: 376020608-UP

2шт.

64

2992685M1

VARIATOR

SN: 376020608-UP

1шт.

65

2992686M1

DISTANCE PIECE

SN: 376020608-UP

1шт.

66

4404063M1

REGULATION ROD

SN: 376020608-UP

1шт.

67

1444316X1

NUT

SN: 376020608-UP

2шт.

Выбрано товаров: 78