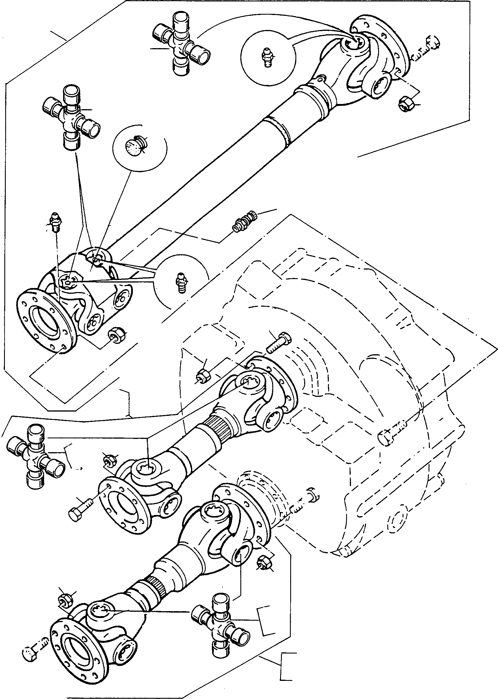
Запчасти Komatsu 70E КРЕСТОВИНАS ТРАНСМИССИЯ И ЗАДН. МОСТ

Схема запчастей Komatsu 70E - КРЕСТОВИНАS ТРАНСМИССИЯ И ЗАДН. МОСТ
12
14
4A
13
15
18
17
19
16
15
5
18
6
1
3
6
2
4
5
11
11
8
10
7
9
FIT
1:1
100%

Артикул

Название

Примечание

Количество

1

4200210M91

UNIVERSAL JOINT

EnglischBem: ALTERNATIVE 4202 905 M91

1шт.

2

3230264M91

KNUCKLE JOINT

EnglischBem: Ш 42X104,5MM

2шт.

3

4202905M91

UNIVERSAL JOINT

EnglischBem: REPAIRS AND REPLACES 4200 254 M91 ALTERNATIVE 4200 210 M91

1шт.

4

2962349M91

KNUCKLE JOINT

EnglischBem: FOR UNIVERSAL JOINT 4200 254 M91 Ш 42X123 MM

2шт.

4A

4917888M91

KNUCKLE JOINT

EnglischBem: FOR UNIVERSAL JOINT 4202 905 M91 Ш 42X117 MM

2шт.

5

3004329X1

SCREW

DeutschDesc: SCHRAUBE

16шт.

6

2995594X1

NUT

DeutschDesc: MUTTER

16шт.

7

4200211M91

UNIVERSAL JOINT

EnglischBem: ALTERNATIVE 4200 255 M91

1шт.

8

3232407M91

KNUCKLE JOINT

EnglischBem: Ш 48X116,5MM

2шт.

9

4200255M91

UNIVERSAL JOINT

EnglischBem: ALTERNATIVE 4200 211 M91

1шт.

10

3235691M91

KNUCKLE JOINT

EnglischBem: Ш 48X126 MM

2шт.

11

2995594X1

NUT

DeutschDesc: MUTTER

16шт.

12

4201278M91

UNIVERSAL JOINT

DeutschDesc: GELENKWELLE

1шт.

13

4915762M91

KNUCKLE JOINT

EnglischBem: REPAIRS AND REPLACES 3235 565 M91 Ш 52X133 MM

1шт.

14

4918545M91

KNUCKLE JOINT

EnglischBem: REPAIRS AND REPLACES 3235 566 M91 Ш 57X144 MM

2шт.

15

1441983X1

LUBRICATION NIPPLE

DeutschDesc: SCHMIERNIPPEL

3шт.

16

1441858X1

LUBRICATION NIPPLE

DeutschDesc: SCHMIERNIPPEL

1шт.

17

3235564M91

BOOT

DeutschDesc: MANSCHETTE

1шт.

18

2995595X1

NUT

DeutschDesc: MUTTER

16шт.

19

3229207M91

VALVE

DeutschDesc: VENTIL

1шт.

Выбрано товаров: 0