Запчасти Komatsu 70E CONVERTER ТРАНСМИССИЯ ТРАНСМИССИЯ И ЗАДН. МОСТ

Схема запчастей Komatsu 70E - CONVERTER ТРАНСМИССИЯ ТРАНСМИССИЯ И ЗАДН. МОСТ
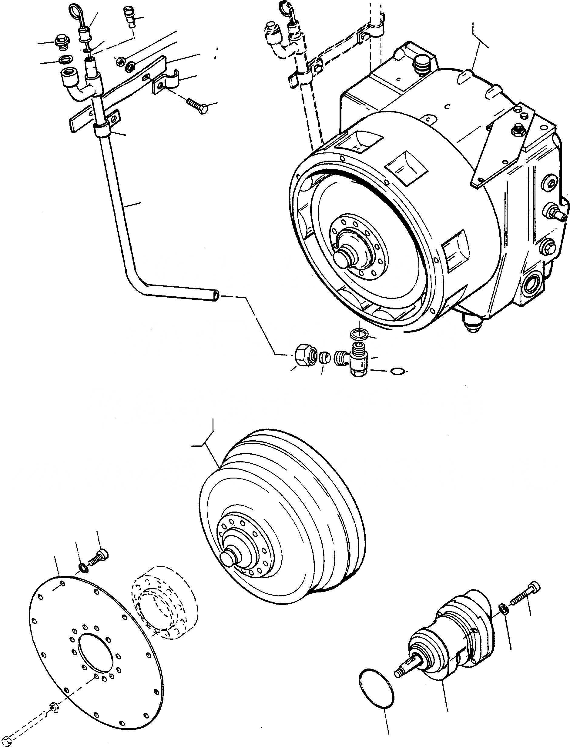
14
13A
18A
12A
16
12B
12C
12D
22
1
2
17
21
18
15
19
20
19
13
12
3
4
6
7
5
10
11
8
9
FIT
1:1
100%

Артикул

Название

Примечание

Количество

1

4400094M91

CONVERT.TRANSMISSION

EnglischBem: REPAIRS AND REPLACES 4400 001 M92 WITHOUT BRAKE FREEWHEEL SI 030

1шт.

|$29

CONVERT.TRANSMISSION

DeutschDesc: WANDLERGETRIEBE

-3шт.

2

4400095M91

CONVERT.TRANSMISSION

EnglischBem: REPAIRS AND REPLACES 4400 010 M92 WITH BRAKE FREEWHEEL SI 030/92

1шт.

|$30

CONVERT.TRANSMISSION

DeutschDesc: WANDLERGETRIEBE

-3шт.

3

4401527M91

CONVERTOR

EnglischBem: WITHOUT BRAKE FREEWHEEL

1шт.

|$31

CONVERTOR

DeutschDesc: DREHMOMENTWANDLER

-3шт.

4

4401524M91

CONVERTOR

EnglischBem: WITH BRAKE FREEWHEEL

1шт.

|$32

CONVERTOR

DeutschDesc: DREHMOMENTWANDLER

-3шт.

5

2904240M1

DIAPHRAGM

EnglischBem: NOTE: Pos. (5) included in Pos. (1) and (2) Kit WITH BRAKE FREEW

1шт.

6

1440818X1

SCREW

DeutschDesc: SCHRAUBE

12шт.

7

1443790X1

SPRING WASHER

DeutschDesc: FEDERRING

12шт.

8

4401635M91

SHIFT.AND CONV.PUMP

EnglischBem: REPAIRS AND REPLACES 4401 533 M91 NOTE: Pos. (8) included in Pos

1шт.

|$33

SHIFT.AND CONV.PUMP

DeutschDesc: SCHALT+WANDLERPUMPE

-3шт.

9

2995201X1

O-RING

DeutschDesc: O-RING

2шт.

10

1444188X1

SCREW

DeutschDesc: SCHRAUBE

4шт.

11

391037X1

SPRING WASHER

DeutschDesc: FEDERRING

4шт.

12

4700354X91

UNION

DeutschDesc: VERSCHRAUBUNG

1шт.

12A

4919388M91

SEAL

DeutschDesc: DICHTRING

1шт.

12B

1605378M1

O-RING

DeutschDesc: O-RING

1шт.

12C

1443838X1

BOXNUT

DeutschDesc: UEBERWURFMUTTER

1шт.

12D

1443842X1

OLIVE

DeutschDesc: SCHNEIDRING

1шт.

13

4215908M91

TUBE

EnglischBem: REPAIRS AND REPLACES 4201 034 M91 REPAIRS AND REPLACES 4201 596

1шт.

13A

2951102M1

GUIDE BUSH

DeutschDesc: FUEHRUNGSBUCHSE

1шт.

14

1444271X1

PLUG

DeutschDesc: VERSCHLUSSSTOPFEN

1шт.

15

391265X1

SEAL

DeutschDesc: DICHTRING

1шт.

16

4201598M91

OIL DIPSTICK

EnglischBem: REPAIRS AND REPLACES 4201 037 M91

1шт.

17

1444716X1

O-RING

DeutschDesc: O-RING

1шт.

18

4201035M1

BRACKET

EnglischBem: 250 MM

1шт.

18A

4203258M1

BRACKET

EnglischBem: 190 MM

1шт.

19

1443834X1

CLIP

DeutschDesc: SCHELLE

2шт.

20

339401X1

SCREW

DeutschDesc: SCHRAUBE

2шт.

21

390734X1

PLAIN WASHER

DeutschDesc: UNTERLEGSCHEIBE

2шт.

22

1444331X1

NUT

DeutschDesc: MUTTER

2шт.

Выбрано товаров: 0