Запчасти Komatsu 77C ЗАДН. МОСТ, DISC ТОРМОЗ. ТРАНСМИССИЯ И ЗАДН. МОСТ

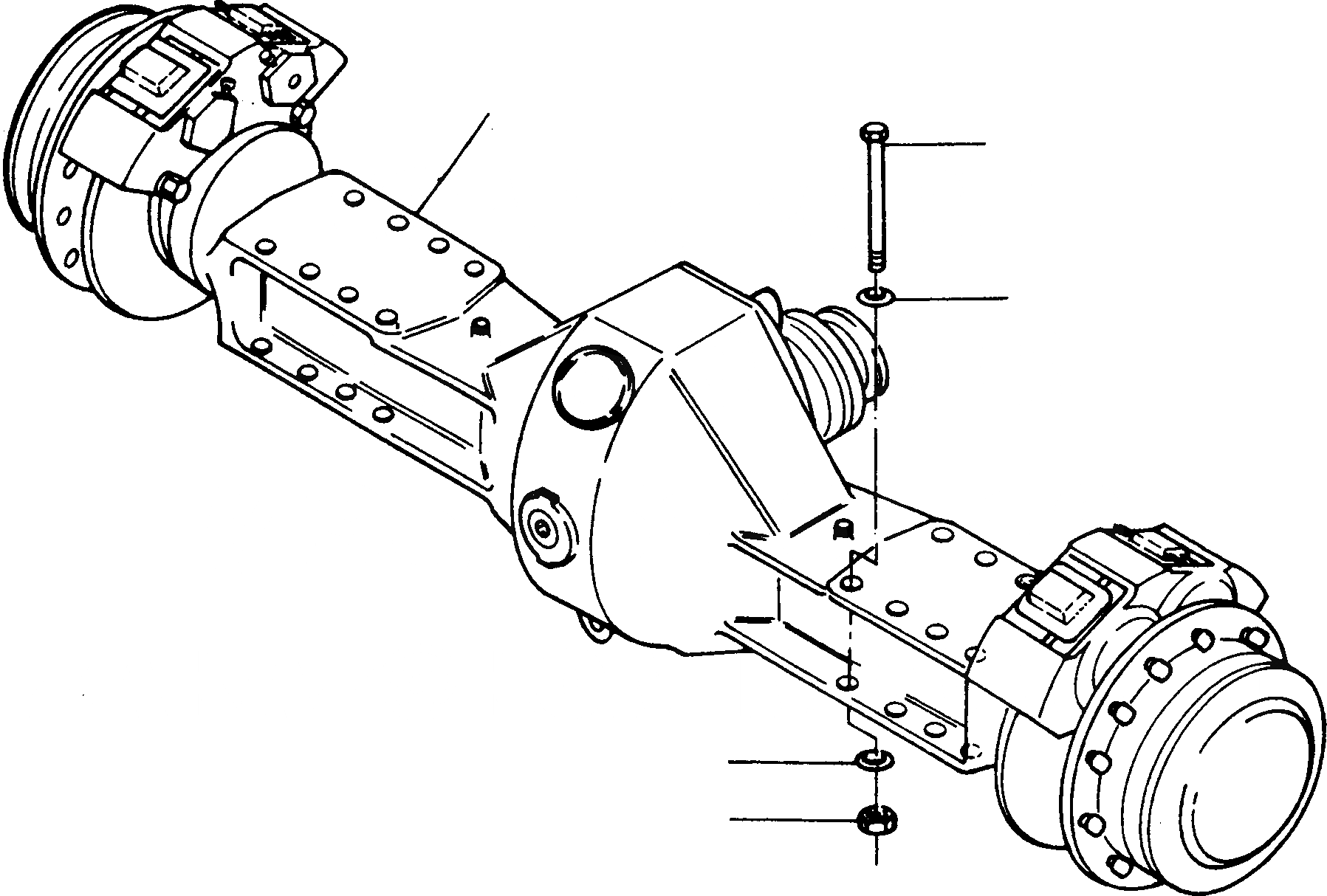
Схема запчастей Komatsu 77C - ЗАДН. МОСТ, DISC ТОРМОЗ. ТРАНСМИССИЯ И ЗАДН. МОСТ
1
2
4
4
3
FIT
1:1
100%

Артикул

Название

Примечание

Количество

1

4005146M91

REAR AXLE

EnglischBem: REPAIRS AND REPLACES 2986 311 M91 SUPPLY UNIT FOR REAR AXLE, SEE

1шт.

2

3093931M1

SCREW

DeutschDesc: SCHRAUBE

12шт.

3

3008727X1

NUT

DeutschDesc: MUTTER

12шт.

4

3093927M1

DISC

DeutschDesc: SCHEIBE

24шт.

Выбрано товаров: 4