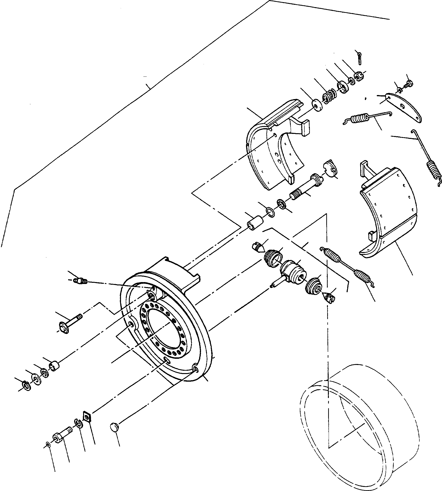
Запчасти Komatsu 77C ЗАДН. МОСТ, ТОРМОЗ. ТРАНСМИССИЯ И ЗАДН. МОСТ

Схема запчастей Komatsu 77C - ЗАДН. МОСТ, ТОРМОЗ. ТРАНСМИССИЯ И ЗАДН. МОСТ
31
1
2
14
29
11
34
30
27
28
35
24
27
22
32
33
25
37
25
10
12
13
36
15
23
20
19
21
8
10
9
26
18
17
16
3
7
6
5
4
FIT
1:1
100%

Артикул

Название

Примечание

Количество

1

2948372M91

BRAKE

EnglischBem: LEFT COMPLETELY INTERCHANGEABLE WITH 2948 373 M91

1шт.

2

2948371M91

BRAKE

EnglischBem: RIGHT COMPLETELY INTERCHANGEABLE WITH 2948 374 M91

1шт.

3

2962955M1

BRAKE CARRIER

EnglischBem: REPAIRS AND REPLACES 2962 912 M1 NOTE: Pos. (3) included in Pos.

2шт.

4

3002485X1

O-RING

EnglischBem: NOTE: Pos. (4) included in Pos. (1) and (2) Kit

2шт.

5

3071111M1

SCREW

EnglischBem: NOTE: Pos. (5) included in Pos. (1) and (2) Kit

2шт.

6

3000147X1

CUP SPRING

EnglischBem: NOTE: Pos. (6) included in Pos. (1) and (2) Kit

2шт.

7

3078100M1

DISC

EnglischBem: NOTE: Pos. (7) included in Pos. (1) and (2) Kit

2шт.

8

2943889M1

ADJUSTMENT

EnglischBem: NOTE: Pos. (8) included in Pos. (1) and (2) Kit

2шт.

9

HOUSING

EnglischBem: ORDER 2943 889 M1

2шт.

10

2943890M1

BELLOWS

DeutschDesc: FALTENBALG

4шт.

11

2943891M1

SCREW

DeutschDesc: SCHRAUBE

2шт.

12

2943892M1

SCREW

DeutschDesc: SCHRAUBE

2шт.

13

2937080M1

PLUG

EnglischBem: NOTE: Pos. (13) included in Pos. (1) and (2) Kit

4шт.

14

339004X1

LUBRICATION NIPPLE

EnglischBem: NOTE: Pos. (14) included in Pos. (1) and (2) Kit

2шт.

15

1440777X1

CIRCLIP

EnglischBem: NOTE: Pos. (15) included in Pos. (1) and (2) Kit

2шт.

16

3071026M1

DISC

EnglischBem: NOTE: Pos. (16) included in Pos. (1) and (2) Kit

2шт.

17

3071041M1

SEAL

EnglischBem: NOTE: Pos. (17) included in Pos. (1) and (2) Kit

2шт.

18

3071024M1

BUSHING

EnglischBem: NOTE: Pos. (18) included in Pos. (1) and (2) Kit

2шт.

19

3071025M1

BUSHING

EnglischBem: NOTE: Pos. (19) included in Pos. (1) and (2) Kit

2шт.

20

1444892X1

O-RING

EnglischBem: NOTE: Pos. (20) included in Pos. (1) and (2) Kit

2шт.

21

3071027M1

BACK-UP RING

EnglischBem: NOTE: Pos. (21) included in Pos. (1) and (2) Kit

2шт.

22

3236325M1

SHAFT

EnglischBem: REPAIRS AND REPLACES 2962 961 M1 NOTE: Pos. (22) included in Pos

2шт.

23

3236326M1

CAM

EnglischBem: RIGHT 3236 326 M1 + 3236 325 M1 TO BE INSTALLED TOGETHER

1шт.

24

3236327M1

CAM

EnglischBem: LEFT 3236 327 M1 + 3236 325 M1 TO BE INSTALLED TOGETHER

1шт.

25

2962913M91

BRAKE SHOE

EnglischBem: COMPLETELY INTERCHANGEABLE WITH 2962 031 M91 NOTE: Pos. (25) inc

4шт.

26

2943901M1

PEG

EnglischBem: NOTE: Pos. (26) included in Pos. (1) and (2) Kit

4шт.

27

2943900M1

SPRING SEAT

EnglischBem: NOTE: Pos. (27) included in Pos. (1) and (2) Kit

8шт.

28

2962914M1

COMPRESSION SPRING

EnglischBem: NOTE: Pos. (28) included in Pos. (1) and (2) Kit

4шт.

29

390972X1

PLAIN WASHER

EnglischBem: NOTE: Pos. (29) included in Pos. (1) and (2) Kit

4шт.

30

3004788X1

CASTLE NUT

EnglischBem: NOTE: Pos. (30) included in Pos. (1) and (2) Kit

4шт.

31

391431X1

COTTER

EnglischBem: NOTE: Pos. (31) included in Pos. (1) and (2) Kit

4шт.

32

2943888M1

STRAP

EnglischBem: LEFT

1шт.

33

2943902M1

STRAP

EnglischBem: RIGHT

1шт.

34

339081X1

SCREW

EnglischBem: NOTE: Pos. (34) included in Pos. (1) and (2) Kit

4шт.

35

1443790X1

SPRING WASHER

EnglischBem: NOTE: Pos. (35) included in Pos. (1) and (2) Kit

4шт.

36

2943897M1

TENSION SPRING

EnglischBem: NOTE: Pos. (36) included in Pos. (1) and (2) Kit

2шт.

37

3071875M1

TENSION SPRING

EnglischBem: NOTE: Pos. (37) included in Pos. (1) and (2) Kit

4шт.

Выбрано товаров: 37