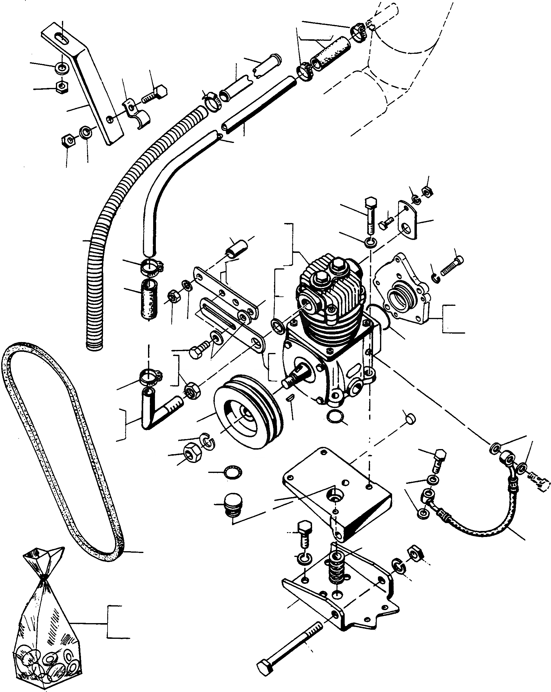
Запчасти Komatsu 77C КОМПРЕССОР, ПРИВОД, HANOMAG- ДВИГАТЕЛЬ СИСТЕМАУПРАВЛЕНИЯ ПОВОРОТОМ, ПЕРЕДНИЙ МОСТ, ТОРМОЗ. СИСТЕМА

Схема запчастей Komatsu 77C - КОМПРЕССОР, ПРИВОД, HANOMAG- ДВИГАТЕЛЬ СИСТЕМАУПРАВЛЕНИЯ ПОВОРОТОМ, ПЕРЕДНИЙ МОСТ, ТОРМОЗ. СИСТЕМА
24
16
21
22
3C
3A
24
3H
3B
3D
39A
3G
3F
3E
41
47
44
51
26
28
31
30
26
29
27
25
52
32
33
37
50
49
38
14
1
23
2
3
10
6
11
21
7
12
13
15
8
17
9
18
24
55
19
4
20
35
36
39
35
40
46
34
5
48
45
42
53
54
43
FIT
1:1
100%

Артикул

Название

Примечание

Количество

1

2872547M91

COMPRESSOR

EnglischBem: SN: - 10630197

1шт.

|$70

COMPRESSOR

DeutschDesc: KOMPRESSOR

-3шт.

2

3086099M91

COMPRESSOR

EnglischBem: SN: 10630198 - 10630282

1шт.

3

3095094M91

COMPRESSOR

EnglischBem: SN: 10630283 - SI 2600/81-1

1шт.

3A

2962284M1

COVER

EnglischBem: FOR COMPRESSOR 2872 547 M91

1шт.

3B

3236110M1

COVER

EnglischBem: FOR COMPRESSOR 3086 099 M91 3095 094 M91

1шт.

3C

3004635X1

SCREW

DeutschDesc: SCHRAUBE

4шт.

3D

3006174X1

SPRING WASHER

DeutschDesc: FEDERRING

4шт.

3E

3004864X1

NUT

DeutschDesc: MUTTER

1шт.

3F

1443797X1

SPRING WASHER

DeutschDesc: FEDERRING

1шт.

3G

390899X1

WOODRUFF KEY

DeutschDesc: SCHEIBENFEDER

1шт.

3H

2962074M1

O-RING

DeutschDesc: O-RING

1шт.

4

2872538M1

PULLEY

DeutschDesc: RIEMENSCHEIBE

1шт.

5

3002592X91

V-BELT

DeutschDesc: KEILRIEMENSATZ

1шт.

6

390855X1

SEAL

EnglischBem: SN: - 10630282

1шт.

7

3007201X1

SEAL

EnglischBem: SN: 10630283 - SI 2600/81-1

1шт.

8

2872543M1

STRAP

EnglischBem: SN: - 10630282

1шт.

9

3086082M1

STRAP

EnglischBem: SN: 10630283 - SI 2600/81-1

1шт.

10

2872548M91

STRAP

EnglischBem: SN: - 10630282

1шт.

11

3086084M91

STRAP

EnglischBem: SN: 10630283 - SI 2600/81-1

1шт.

12

1443790X1

SPRING WASHER

DeutschDesc: FEDERRING

1шт.

13

339402X1

NUT

DeutschDesc: MUTTER

1шт.

14

2872761M1

TUBE

EnglischBem: SN: 10630283 - SI 2600/81-1

1шт.

15

339287X1

SCREW

DeutschDesc: SCHRAUBE

2шт.

16

2922629M1

DISC

DeutschDesc: SCHEIBE

4шт.

17

1443763X1

NUT

EnglischBem: SN: - 10630282

1шт.

18

3005826X1

NUT

EnglischBem: SN: 10630283 - SI 2600/81-1

1шт.

19

2871560M91

PIPE

EnglischBem: SN: - 10630282

1шт.

20

3086086M91

PIPE

EnglischBem: SN: 10630283 - SI 2600/81-1

1шт.

21

1443865X1

HOSE

SN: 377520203

2шт.

22

1443865X1

HOSE

SN: 377520204-UP

1шт.

23

2871552M1

HOSE

SN: 377520204-UP

1шт.

24

1444838X1

CLIP

EnglischBem: REPAIRS AND REPLACES 1444 840 X1

4шт.

25

2948975M1

TUBE

EnglischBem: CANCALLED, REPLACED BY 3096 401 M1 + 2871 552 M1

1шт.

26

3096401M1

TUBE

EnglischBem: SI 2600/81-1

1шт.

27

2948978M1

BRACKET

DeutschDesc: HALTER

1шт.

28

390734X1

PLAIN WASHER

DeutschDesc: UNTERLEGSCHEIBE

1шт.

29

339402X1

NUT

DeutschDesc: MUTTER

1шт.

30

1444644X1

HOLDING CLAMP

DeutschDesc: HALTESCHELLE

1шт.

31

339401X1

SCREW

DeutschDesc: SCHRAUBE

1шт.

32

390734X1

PLAIN WASHER

DeutschDesc: UNTERLEGSCHEIBE

1шт.

33

339402X1

NUT

DeutschDesc: MUTTER

1шт.

34

2872539M1

PIPE

DeutschDesc: ROHRLEITUNG

1шт.

35

1440993X1

SEAL

DeutschDesc: DICHTRING

4шт.

36

1444756X1

BANJO BOLT

DeutschDesc: HOHLSCHRAUBE

1шт.

37

339287X1

SCREW

DeutschDesc: SCHRAUBE

4шт.

38

1443789X1

SPRING WASHER

DeutschDesc: FEDERRING

4шт.

39

1444709X1

SEAL

DeutschDesc: DICHTRING

1шт.

39A

3004878X1

SEAL

DeutschDesc: DICHTRING

1шт.

40

2872541M1

PLUG

DeutschDesc: VERSCHLUSSSTOPFEN

1шт.

41

2872549M91

CARRIER

EnglischBem: REPAIRS AND REPLACES 1871 548 M1

1шт.

42

2871553M1

FULCRUM

DeutschDesc: STUETZBOCK

1шт.

43

1444108X1

SCREW

DeutschDesc: SCHRAUBE

1шт.

44

1443794X1

SPRING WASHER

DeutschDesc: FEDERRING

1шт.

45

1443757X1

NUT

DeutschDesc: MUTTER

1шт.

46

2871549M1

BELLOWS

DeutschDesc: FALTENBALG

1шт.

47

339139X1

SCREW

DeutschDesc: SCHRAUBE

4шт.

48

1443792X1

SPRING WASHER

DeutschDesc: FEDERRING

4шт.

49

2871556M1

BRACKET

SN: 377520203

1шт.

50

1444075X1

SCREW

DeutschDesc: SCHRAUBE

1шт.

51

1443798X1

SPRING WASHER

DeutschDesc: FEDERRING

1шт.

52

392289X1

NUT

DeutschDesc: MUTTER

1шт.

53

3236118M91

REPAIR KIT

EnglischBem: FOR COMPRESSOR 3086 099 M91

1шт.

54

3236129M91

REPAIR KIT

EnglischBem: FOR COMPRESSOR 3095 094 M91

1шт.

|$66

REPAIR KIT

DeutschDesc: REPARATURSATZ

-3шт.

55

1444368X1

COVER

DeutschDesc: DECKEL

1шт.

Выбрано товаров: 66