Запчасти Komatsu 77C КОМПРЕССОР, ПРИВОД, GM-ДВИГАТЕЛЬ СИСТЕМАУПРАВЛЕНИЯ ПОВОРОТОМ, ПЕРЕДНИЙ МОСТ, ТОРМОЗ. СИСТЕМА

Схема запчастей Komatsu 77C - КОМПРЕССОР, ПРИВОД, GM-ДВИГАТЕЛЬ СИСТЕМАУПРАВЛЕНИЯ ПОВОРОТОМ, ПЕРЕДНИЙ МОСТ, ТОРМОЗ. СИСТЕМА
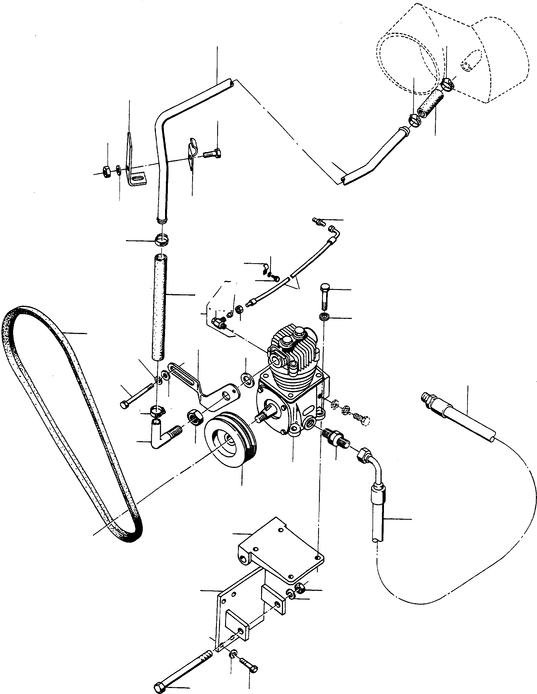
21
12
15
13
30A
31
35
32
22
17
29
22
1
11
18
16
21
19
14
2
10
29
23
25
27
28
24
26
37
36
34
3
20
33
30
4
39
38
39
5
8
7
6
9
FIT
1:1
100%

Артикул

Название

Примечание

Количество

1

2872547M91

COMPRESSOR

DeutschDesc: KOMPRESSOR

1шт.

|$41

COMPRESSOR

DeutschDesc: KOMPRESSOR

-3шт.

2

2871548M1

CARRIER

DeutschDesc: TRAEGER

1шт.

3

1443584X1

SCREW

DeutschDesc: SCHRAUBE

4шт.

4

1443789X1

SPRING WASHER

DeutschDesc: FEDERRING

4шт.

5

2994211M91

BRACKET

DeutschDesc: HALTER

1шт.

6

1440900X1

SCREW

DeutschDesc: SCHRAUBE

1шт.

7

3006245X1

SPRING WASHER

DeutschDesc: FEDERRING

1шт.

8

339079X1

NUT

DeutschDesc: MUTTER

1шт.

9

353700X1

SCREW

DeutschDesc: SCHRAUBE

4шт.

10

353432X1

SPRING WASHER

DeutschDesc: FEDERRING

4шт.

11

2994187M1

PULLEY

DeutschDesc: RIEMENSCHEIBE

1шт.

12

1443924X91

V-BELT

DeutschDesc: KEILRIEMENSATZ

1шт.

13

2871555M1

STRAP

DeutschDesc: LASCHE

1шт.

14

353693X1

SCREW

DeutschDesc: SCHRAUBE

1шт.

15

1443786X1

SPRING WASHER

DeutschDesc: FEDERRING

1шт.

16

390972X1

PLAIN WASHER

DeutschDesc: UNTERLEGSCHEIBE

1шт.

17

1443850X1

SEAL

DeutschDesc: DICHTRING

1шт.

18

1443695X1

NUT

DeutschDesc: MUTTER

1шт.

19

2871560M91

PIPE

DeutschDesc: ROHRLEITUNG

1шт.

20

2871552M1

HOSE

DeutschDesc: SCHLAUCH

1шт.

21

1444846X1

CLIP

DeutschDesc: SCHELLE

2шт.

22

3065746M1

TUBE

DeutschDesc: ROHR

1шт.

23

2968033M1

BRACKET

DeutschDesc: HALTER

1шт.

24

1444644X1

HOLDING CLAMP

DeutschDesc: HALTESCHELLE

1шт.

25

339401X1

SCREW

DeutschDesc: SCHRAUBE

1шт.

26

1443790X1

SPRING WASHER

DeutschDesc: FEDERRING

1шт.

27

339402X1

NUT

DeutschDesc: MUTTER

1шт.

28

1443865X1

HOSE

EnglischBem: GOODS SOLD BY THE METER 1443 906 X1 80 MM

1шт.

29

1444840X1

CLIP

DeutschDesc: SCHELLE

2шт.

30

3007729X91

UNION

DeutschDesc: VERSCHRAUBUNG

1шт.

30A

STUD

EnglischBem: ORDER 3007 729 X91

1шт.

31

1441851X1

BOXNUT

DeutschDesc: UEBERWURFMUTTER

1шт.

32

1444694X1

OLIVE

DeutschDesc: SCHNEIDRING

1шт.

33

2997318M1

HOSE

EnglischBem: 650 MM

1шт.

34

353690X1

SCREW

DeutschDesc: SCHRAUBE

1шт.

35

353434X1

SPRING WASHER

DeutschDesc: FEDERRING

1шт.

36

1444651X1

CLIP

DeutschDesc: SCHELLE

1шт.

37

2997319M1

STUD

DeutschDesc: STUTZEN

1шт.

38

3007735X1

STUD

DeutschDesc: STUTZEN

1шт.

39

2994458M1

HOSE

EnglischBem: 460 MM

1шт.

Выбрано товаров: 41