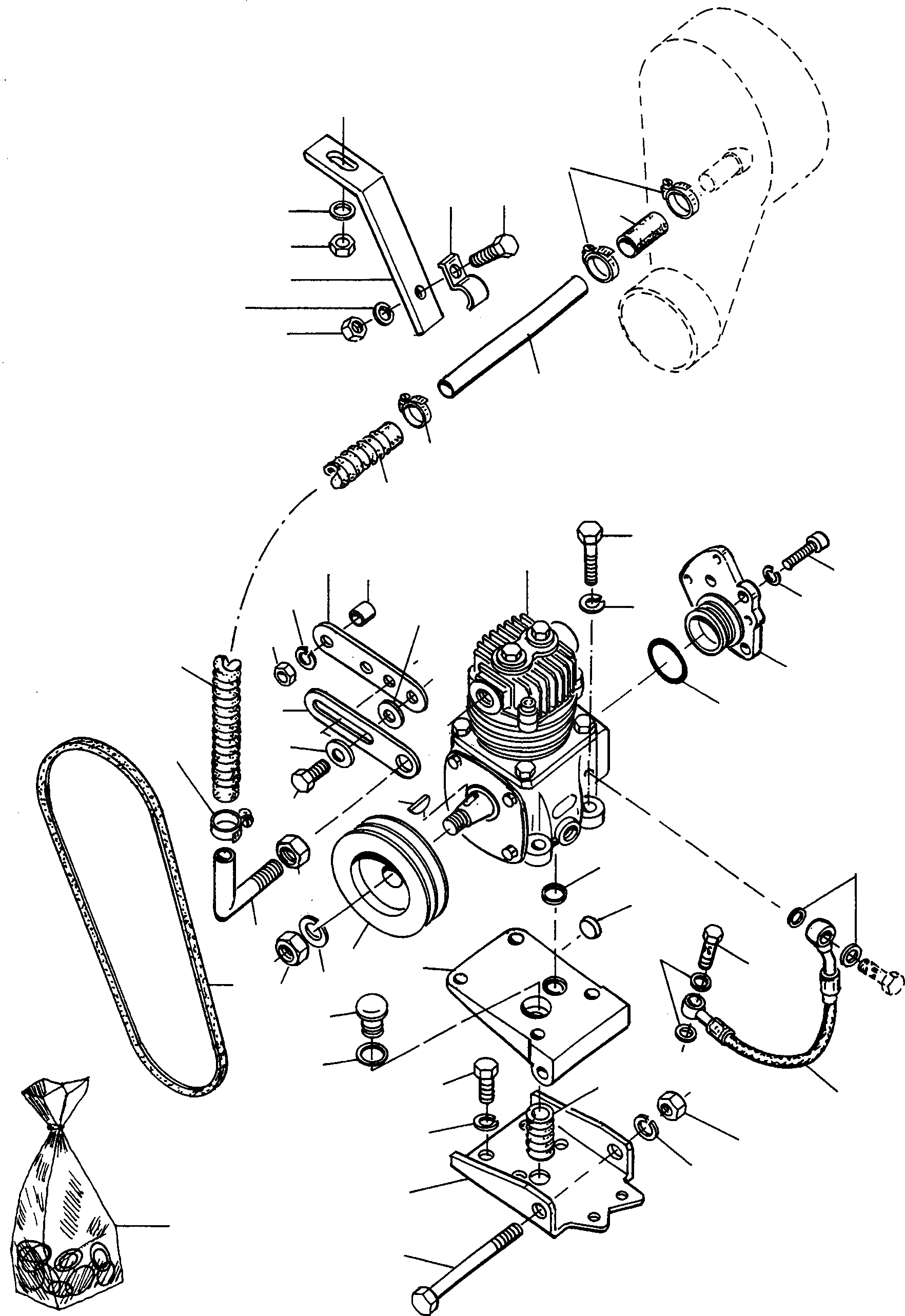
Запчасти Komatsu 77C КОМПРЕССОР, ПРИВОД, DISC ТОРМОЗ. СИСТЕМАУПРАВЛЕНИЯ ПОВОРОТОМ, ПЕРЕДНИЙ МОСТ, ТОРМОЗ. СИСТЕМА

Схема запчастей Komatsu 77C - КОМПРЕССОР, ПРИВОД, DISC ТОРМОЗ. СИСТЕМАУПРАВЛЕНИЯ ПОВОРОТОМ, ПЕРЕДНИЙ МОСТ, ТОРМОЗ. СИСТЕМА
1C
4
1A
1B
2A
42
2C
2B
6
13
12
16
10
11
9
14
15
8
6
7
25
1
18
21
19
26
23
20
7
2
17
23
6
22
30
28
24
32
5
28
34
29
3
33
31
41
40
27
39
38
37
35
36
FIT
1:1
100%

Артикул

Название

Примечание

Количество

1

3086099M91

COMPRESSOR

DeutschDesc: KOMPRESSOR

1шт.

1A

3004864X1

NUT

DeutschDesc: MUTTER

1шт.

1B

1443797X1

SPRING WASHER

DeutschDesc: FEDERRING

1шт.

1C

390899X1

WOODRUFF KEY

DeutschDesc: SCHEIBENFEDER

1шт.

2

3236110M1

COVER

DeutschDesc: DECKEL

1шт.

2A

2962074M1

O-RING

DeutschDesc: O-RING

1шт.

2B

3004635X1

SCREW

DeutschDesc: SCHRAUBE

4шт.

2C

3006174X1

SPRING WASHER

DeutschDesc: FEDERRING

4шт.

3

V-BELT

DeutschDesc: KEILRIEMEN

1шт.

|$49

V-BELT

DeutschDesc: KEILRIEMEN

-3шт.

4

2872538M1

PULLEY

DeutschDesc: RIEMENSCHEIBE

1шт.

5

2871560M91

PIPE

DeutschDesc: ROHRLEITUNG

1шт.

6

1444838X1

CLIP

DeutschDesc: SCHELLE

4шт.

7

2871552M1

HOSE

DeutschDesc: SCHLAUCH

1шт.

8

3096401M1

TUBE

DeutschDesc: ROHR

1шт.

9

2948978M1

BRACKET

DeutschDesc: HALTER

1шт.

10

390734X1

PLAIN WASHER

DeutschDesc: UNTERLEGSCHEIBE

1шт.

11

1444331X1

NUT

DeutschDesc: MUTTER

1шт.

12

1444644X1

HOLDING CLAMP

DeutschDesc: HALTESCHELLE

1шт.

13

339401X1

SCREW

DeutschDesc: SCHRAUBE

1шт.

14

390734X1

PLAIN WASHER

DeutschDesc: UNTERLEGSCHEIBE

1шт.

15

339402X1

NUT

DeutschDesc: MUTTER

1шт.

16

1443865X1

HOSE

DeutschDesc: SCHLAUCH

1шт.

17

2872543M1

STRAP

DeutschDesc: LASCHE

1шт.

18

2872548M91

STRAP

DeutschDesc: LASCHE

1шт.

19

1443790X1

SPRING WASHER

DeutschDesc: FEDERRING

1шт.

20

339402X1

NUT

DeutschDesc: MUTTER

1шт.

21

NOT USED

DeutschDesc: NICHT VERWENDET

-1шт.

22

339123X1

SCREW

DeutschDesc: SCHRAUBE

2шт.

23

2922629M1

DISC

DeutschDesc: SCHEIBE

4шт.

24

1443763X1

NUT

DeutschDesc: MUTTER

1шт.

25

339287X1

SCREW

DeutschDesc: SCHRAUBE

4шт.

26

1443789X1

SPRING WASHER

DeutschDesc: FEDERRING

4шт.

27

2872539M1

PIPE

DeutschDesc: ROHRLEITUNG

1шт.

28

1440993X1

SEAL

DeutschDesc: DICHTRING

4шт.

29

1444756X1

BANJO BOLT

DeutschDesc: HOHLSCHRAUBE

1шт.

30

3004878X1

SEAL

DeutschDesc: DICHTRING

1шт.

31

1444709X1

SEAL

DeutschDesc: DICHTRING

1шт.

32

1444368X1

COVER

DeutschDesc: DECKEL

1шт.

33

2872541M1

PLUG

DeutschDesc: VERSCHLUSSSTOPFEN

1шт.

34

2872549M91

CARRIER

DeutschDesc: TRAEGER

1шт.

35

2871553M1

FULCRUM

DeutschDesc: STUETZBOCK

1шт.

36

3003944X1

SCREW

DeutschDesc: SCHRAUBE

1шт.

37

1443794X1

SPRING WASHER

DeutschDesc: FEDERRING

1шт.

38

1443757X1

NUT

DeutschDesc: MUTTER

1шт.

39

1443792X1

SPRING WASHER

DeutschDesc: FEDERRING

4шт.

40

339139X1

SCREW

DeutschDesc: SCHRAUBE

4шт.

41

2871549M1

BELLOWS

DeutschDesc: FALTENBALG

1шт.

42

3236118M91

REPAIR KIT

DeutschDesc: REPARATURSATZ

1шт.

Выбрано товаров: 49