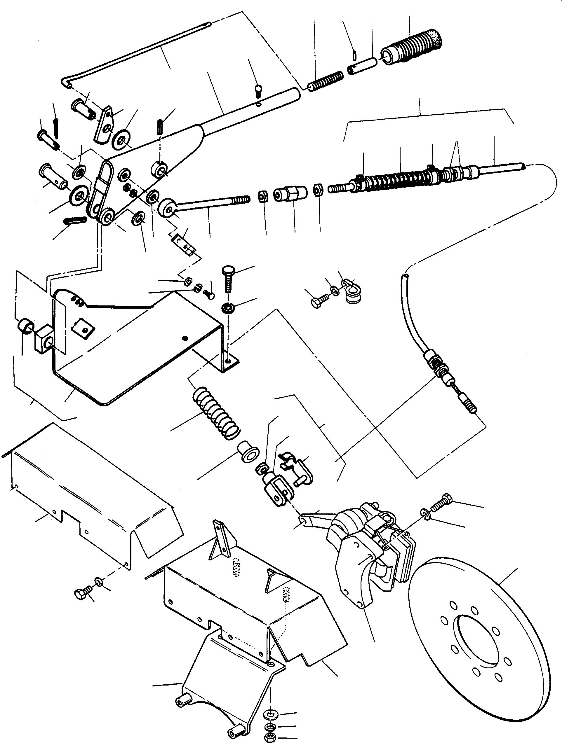
Запчасти Komatsu 77C HAND ТОРМОЗ. И OPERATING ASSEMBLY, DISC ТОРМОЗ. СИСТЕМАУПРАВЛЕНИЯ ПОВОРОТОМ, ПЕРЕДНИЙ МОСТ, ТОРМОЗ. СИСТЕМА

Схема запчастей Komatsu 77C - HAND ТОРМОЗ. И OPERATING ASSEMBLY, DISC ТОРМОЗ. СИСТЕМАУПРАВЛЕНИЯ ПОВОРОТОМ, ПЕРЕДНИЙ МОСТ, ТОРМОЗ. СИСТЕМА
7
6
4
20
5
45
2
33A
27
1
3
11
22
13
9
10
8
12
23
29
41
28
30
19
50
18
17
16
21
14
15
42
39
47
49
51
53
48
52
40
38
37
26
36
22
24
25
23
46
43
33
44
32
35
34
31
54
55
56
57
FIT
1:1
100%

Артикул

Название

Примечание

Количество

1

2945587M91

BRAKE LEVER

DeutschDesc: BREMSHEBEL

1шт.

2

1443805X1

NOTCHED NAIL

DeutschDesc: KERBNAGEL

2шт.

3

3074021M1

ROD

DeutschDesc: STANGE

1шт.

4

2877372X1

COMPRESSION SPRING

DeutschDesc: DRUCKFEDER

1шт.

5

1443802X1

GROOVE PIN

DeutschDesc: KERBSTIFT

1шт.

6

2877370M1

BUTTON

DeutschDesc: KNOPF

1шт.

7

2877371M1

HANDLE

DeutschDesc: HANDGRIFF

1шт.

8

3074022M1

PAWL

DeutschDesc: SPERRKLINKE

1шт.

9

2939107M1

DISC

DeutschDesc: SCHEIBE

1шт.

10

1443801X1

GROOVE PIN

DeutschDesc: KERBSTIFT

1шт.

11

3074023M1

PIN

DeutschDesc: BOLZEN

1шт.

12

1443819X1

PIN

DeutschDesc: BOLZEN

1шт.

13

1443811X1

COTTER

DeutschDesc: SPLINT

1шт.

14

339424X1

PLAIN WASHER

DeutschDesc: UNTERLEGSCHEIBE

1шт.

15

2951312M1

ROD

DeutschDesc: STANGE

1шт.

16

1443761X1

NUT

DeutschDesc: MUTTER

1шт.

17

1443941X1

TURNBUCKLE

DeutschDesc: SPANNSCHLOSS

1шт.

18

339402X1

NUT

DeutschDesc: MUTTER

1шт.

19

2939107M1

DISC

DeutschDesc: SCHEIBE

2шт.

20

3002223X1

PIN

DeutschDesc: BOLZEN

1шт.

21

1442142X1

ADAPTER SLEEVES

DeutschDesc: SPANNHUELSE

1шт.

22

2945586M91

BOWDEN CABLE

DeutschDesc: BOWDENZUG

1шт.

23

BOWDEN CABLE

EnglischBem: ORDER 2945 586 M91

1шт.

24

3003040X1

FORK HEAD

DeutschDesc: GABELKOPF

1шт.

25

3003045X1

PIN

DeutschDesc: BOLZEN

1шт.

26

1444309X1

NUT

DeutschDesc: MUTTER

1шт.

27

2945577M1

NUT

DeutschDesc: MUTTER

2шт.

28

2945576M1

BELLOWS

DeutschDesc: FALTENBALG

1шт.

29

3003730X1

CLIP

DeutschDesc: SCHELLE

1шт.

30

3003746X1

CLIP

DeutschDesc: SCHELLE

1шт.

31

3095001M91

DISC BRAKE

DeutschDesc: SCHEIBENBREMSE

1шт.

|$59

DISC BRAKE

DeutschDesc: SCHEIBENBREMSE

-3шт.

32

4002367M1

BRAKE DISC

DeutschDesc: BREMSSCHEIBE

1шт.

33

4002368M1

GUARD

DeutschDesc: SCHUTZVORRICHTUNG

1шт.

33A

4003743M91

CONSOLE

EnglischBem: FOR A.L.S.

1шт.

34

339081X1

SCREW

EnglischBem: REPAIRS AND REPLACES 339 282 X1

4шт.

35

1443790X1

SPRING WASHER

DeutschDesc: FEDERRING

4шт.

36

2961970M91

BRACKET

DeutschDesc: HALTER

1шт.

37

BRACKET

EnglischBem: ORDER 2961 970 M91

1шт.

38

2945918M1

BUSHING

DeutschDesc: BUCHSE

1шт.

39

1444066X1

SCREW

DeutschDesc: SCHRAUBE

1шт.

40

1443792X1

SPRING WASHER

DeutschDesc: FEDERRING

1шт.

41

3006059X1

DISC

DeutschDesc: SCHEIBE

2шт.

42

3000355X1

SHIM

DeutschDesc: PASSSCHEIBE

1шт.

43

3003802X1

SCREW

DeutschDesc: SCHRAUBE

4шт.

44

1443794X1

SPRING WASHER

DeutschDesc: FEDERRING

4шт.

45

3085601M1

COMPRESSION SPRING

DeutschDesc: DRUCKFEDER

1шт.

46

3085602M1

GUIDE SLEEVE

DeutschDesc: FUEHRUNGSHUELSE

1шт.

47

1444666X1

CLIP

DeutschDesc: SCHELLE

1шт.

48

339230X1

SCREW

DeutschDesc: SCHRAUBE

1шт.

49

1443791X1

SPRING WASHER

DeutschDesc: FEDERRING

1шт.

50

2977283M1

STOP

DeutschDesc: ANSCHLAG

1шт.

51

391074X1

SCREW

DeutschDesc: SCHRAUBE

2шт.

52

1443791X1

SPRING WASHER

DeutschDesc: FEDERRING

2шт.

53

390971X1

PLAIN WASHER

DeutschDesc: UNTERLEGSCHEIBE

2шт.

54

4003755M91

BRACKET

EnglischBem: FOR A.L.S.

1шт.

55

390597X1

PLAIN WASHER

EnglischBem: FOR A.L.S.

2шт.

56

1443790X1

SPRING WASHER

EnglischBem: FOR A.L.S.

2шт.

57

339402X1

NUT

EnglischBem: FOR A.L.S.

2шт.

Выбрано товаров: 59