Запчасти Komatsu 77C ДВИГАТЕЛЬ, КРЕПЛЕНИЕ ДВИГАТЕЛЯ, HANOMAG- ДВИГАТЕЛЬ ДВИГАТЕЛЬ, АКСЕССУАРЫ И ЭЛЕКТРИЧ. СИСТЕМА

Схема запчастей Komatsu 77C - ДВИГАТЕЛЬ, КРЕПЛЕНИЕ ДВИГАТЕЛЯ, HANOMAG- ДВИГАТЕЛЬ ДВИГАТЕЛЬ, АКСЕССУАРЫ И ЭЛЕКТРИЧ. СИСТЕМА
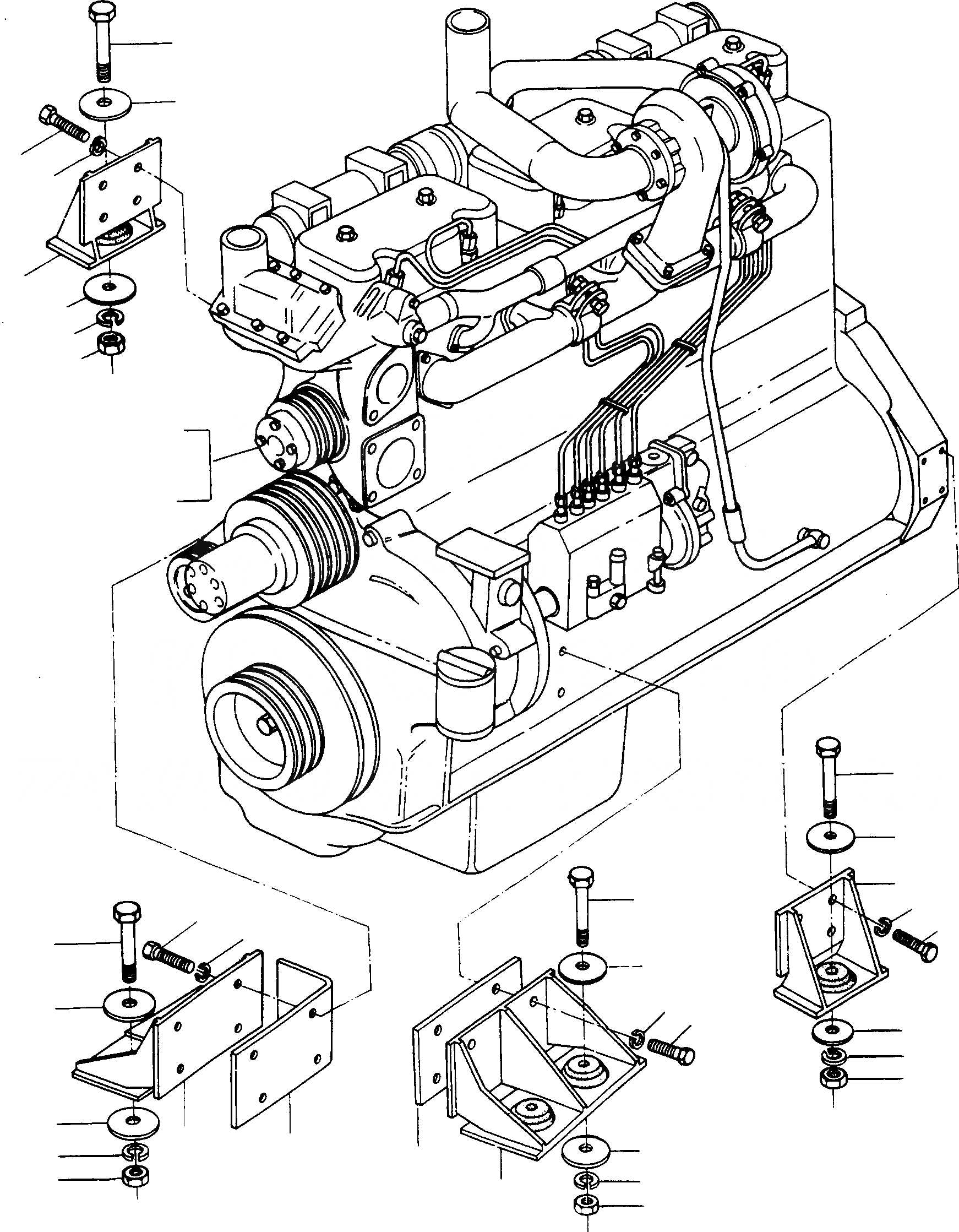
10
1A
1B
11
1
8
9
7
12
13
14
10
11
7
10
9
5
8
6
10
11
6
11
5
12
13
14
12
2
3
12
13
4
14
13
2
14
FIT
1:1
100%

Артикул

Название

Примечание

Количество

1

2977309M92

ENGINE

EnglischBem: SN: - 10630267

1шт.

1A

3095224M91

ENGINE

EnglischBem: SN: 10630268 -

1шт.

1B

2992219M91

ENGINE

EnglischBem: SOUND PROOFING AVV2 SN: 10634001 -

1шт.

2

2948115M91

SUSPENSION UNIT

EnglischBem: NOTE: Pos.(2) included in Pos.(1) - (1B) Kit

2шт.

3

2872664M1

ANGLE

EnglischBem: NOTE: Pos.(3) included in Pos.(1) - (1B) Kit

1шт.

4

2948096M1

INTERLAYER

EnglischBem: NOTE: Pos.(4) included in Pos.(1) - (1B) Kit

1шт.

5

2995564X1

SCREW

EnglischBem: NOTE: Pos.(5) included in Pos.(1) - (1B) Kit

8шт.

6

NOT USED

EnglischBem: NOTE: Pos.(6) included in Pos.(1) - (1B) Kit

-1шт.

7

2977270M91

ENGINE CARRIER

EnglischBem: NOTE: Pos.(7) included in Pos.(1) - (1B) Kit

2шт.

8

1444088X1

SCREW

EnglischBem: NOTE: Pos.(8) included in Pos.(1) - (1B) Kit

8шт.

9

1443794X1

SPRING WASHER

EnglischBem: NOTE: Pos.(9) included in Pos.(1) - (1B) Kit

8шт.

10

1444029X1

SCREW

DeutschDesc: SCHRAUBE

6шт.

11

2948089M1

DISC

DeutschDesc: SCHEIBE

6шт.

12

2923511M1

DISC

DeutschDesc: SCHEIBE

-26шт.

13

1443796X1

SPRING WASHER

DeutschDesc: FEDERRING

6шт.

14

339034X1

NUT

DeutschDesc: MUTTER

6шт.

Выбрано товаров: 16