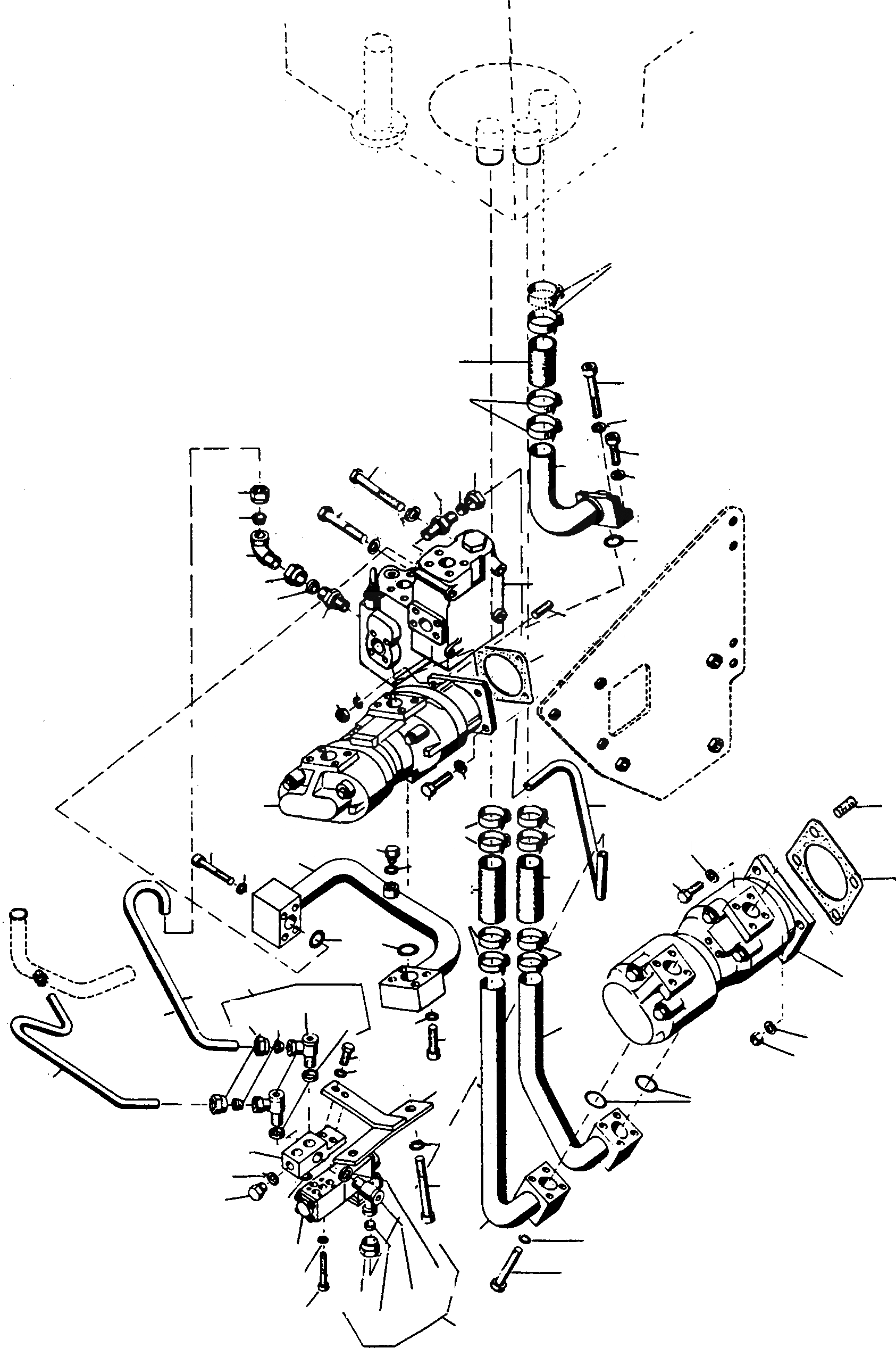
Запчасти Komatsu 77C НАСОСS ДЛЯ ГИДРАВЛИКА ГИДРАВЛИКА

Схема запчастей Komatsu 77C - НАСОСS ДЛЯ ГИДРАВЛИКА ГИДРАВЛИКА
50
51
51
53
24
24
49
44A
43
35
44A
44
18
19
22
18
23
54
50
20
55
56
21
52
50
11
51
16
53
13
15
17
15
16
12
10
14
1
1
31
15
29
26
27
30
14
2
13
2
3
25
3
44
9
46
47
45
5
27
28
15
17
42
32
48
6
34
37
40
33
41
36
4
8
7
47
38
46
39
45
FIT
1:1
100%

Артикул

Название

Примечание

Количество

1

1444674X1

CLIP

DeutschDesc: SCHELLE

4шт.

2

3093653M1

HOSE

EnglischBem: REPAIRS AND REPLACES 2948 609 M1 GOODS SOLD BY THE METER 2999 63

2шт.

3

1444674X1

CLIP

DeutschDesc: SCHELLE

1шт.

4

2948671M91

INTAKE

DeutschDesc: EINLASSLEITUNG

1шт.

5

2948657M91

INTAKE

DeutschDesc: EINLASSLEITUNG

1шт.

6

3000160X1

O-RING

DeutschDesc: O-RING

2шт.

7

1444193X1

SCREW

DeutschDesc: SCHRAUBE

8шт.

8

1440990X1

SPRING WASHER

DeutschDesc: FEDERRING

8шт.

9

2949297M91

TANDEM PUMP

DeutschDesc: TANDEMPUMPE

1шт.

|$58

TANDEM PUMP

DeutschDesc: TANDEMPUMPE

-3шт.

10

2970946M91

TANDEM PUMP

EnglischBem: REPAIRS AND REPLACES 2949 295 M91

1шт.

|$59

TANDEM PUMP

DeutschDesc: TANDEMPUMPE

-3шт.

11

3086201M91

VALVE

EnglischBem: REPAIRS AND REPLACES 2949 313 M91

1шт.

|$60

VALVE

DeutschDesc: VENTIL

-3шт.

12

2948653M1

TUBE

DeutschDesc: ROHR

1шт.

13

2948859M1

GASKET

DeutschDesc: DICHTUNG

2шт.

14

1444066X1

SCREW

DeutschDesc: SCHRAUBE

4шт.

15

1443792X1

SPRING WASHER

DeutschDesc: FEDERRING

8шт.

16

1444226X1

STUD BOLT

DeutschDesc: STIFTSCHRAUBE

4шт.

17

1444303X1

NUT

DeutschDesc: MUTTER

4шт.

18

2995076X1

CLIP

EnglischBem: REPAIRS AND REPLACES 1444 674 X1

4шт.

19

3093652M2

HOSE

DeutschDesc: SCHLAUCH

1шт.

20

2948463M91

INTAKE

DeutschDesc: EINLASSLEITUNG

1шт.

21

1444850X1

SEAL

DeutschDesc: DICHTRING

1шт.

22

1444186X1

SCREW

DeutschDesc: SCHRAUBE

2шт.

23

1441701X1

SCREW

DeutschDesc: SCHRAUBE

2шт.

24

1440990X1

SPRING WASHER

DeutschDesc: FEDERRING

4шт.

25

1444849X1

O-RING

DeutschDesc: O-RING

2шт.

26

2948459M91

PIPE

DeutschDesc: ROHRLEITUNG

1шт.

27

1443790X1

SPRING WASHER

DeutschDesc: FEDERRING

8шт.

28

1444183X1

SCREW

DeutschDesc: SCHRAUBE

3шт.

29

390820X1

PLUG

DeutschDesc: VERSCHLUSSSTOPFEN

1шт.

30

390839X1

SEAL

DeutschDesc: DICHTRING

1шт.

31

1444191X1

SCREW

DeutschDesc: SCHRAUBE

4шт.

32

2948676M91

BRACKET

DeutschDesc: HALTER

1шт.

33

3002045X1

SCREW

DeutschDesc: SCHRAUBE

2шт.

34

1443790X1

SPRING WASHER

DeutschDesc: FEDERRING

2шт.

35

2906896M92

VALVE

EnglischBem: REPAIRS AND REPLACES 2906 896 M91

1шт.

|$67

VALVE

DeutschDesc: VENTIL

-3шт.

36

1444810X1

O-RING

DeutschDesc: O-RING

4шт.

37

2946909M1

PLATE

DeutschDesc: PLATTE

1шт.

38

1443782X1

SPRING WASHER

DeutschDesc: FEDERRING

4шт.

39

1443719X1

SCREW

DeutschDesc: SCHRAUBE

4шт.

40

391376X1

SEAL

DeutschDesc: DICHTRING

1шт.

41

1443751X1

SCREW

DeutschDesc: SCHRAUBE

1шт.

42

1443789X1

SPRING WASHER

DeutschDesc: FEDERRING

2шт.

43

339761X1

SCREW

DeutschDesc: SCHRAUBE

2шт.

44

3004841X91

UNION

DeutschDesc: VERSCHRAUBUNG

3шт.

44A

UNION

EnglischBem: ORDER 3004 841 X91

3шт.

45

1444694X1

OLIVE

DeutschDesc: SCHNEIDRING

3шт.

46

1441851X1

BOXNUT

DeutschDesc: UEBERWURFMUTTER

3шт.

47

3000152X1

SEAL

DeutschDesc: DICHTRING

3шт.

48

2948645M1

TUBE

DeutschDesc: ROHR

1шт.

49

2948644M1

TUBE

DeutschDesc: ROHR

1шт.

50

1441851X1

BOXNUT

DeutschDesc: UEBERWURFMUTTER

3шт.

51

1444694X1

OLIVE

DeutschDesc: SCHNEIDRING

3шт.

52

1444681X1

STUD

DeutschDesc: STUTZEN

1шт.

53

2949270M1

UNION

DeutschDesc: VERSCHRAUBUNG

2шт.

54

1444020X1

SCREW

DeutschDesc: SCHRAUBE

2шт.

55

339269X1

SCREW

DeutschDesc: SCHRAUBE

1шт.

56

1443790X1

SPRING WASHER

DeutschDesc: FEDERRING

3шт.

Выбрано товаров: 61