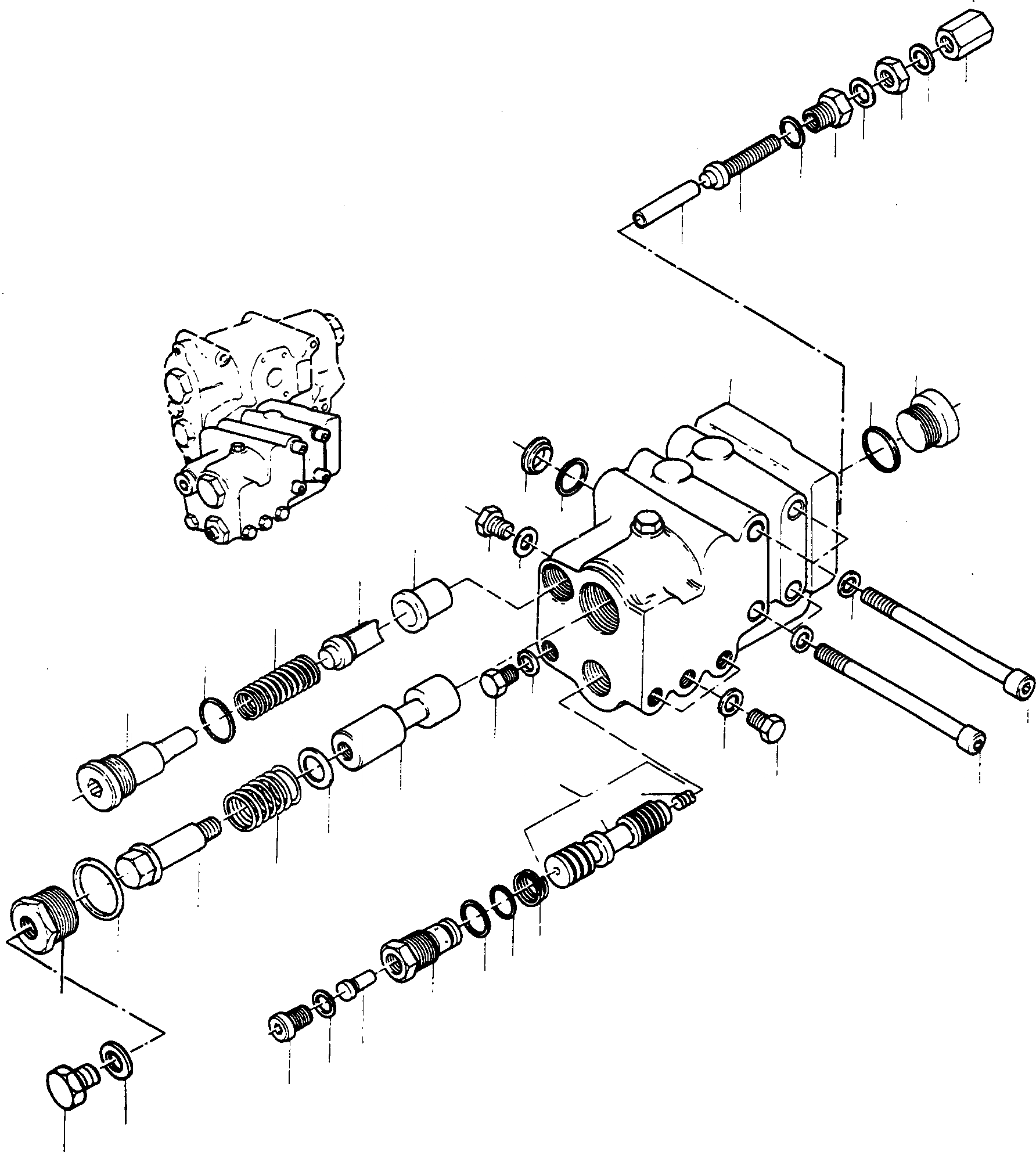
Запчасти Komatsu 77C ДВОЙН. УПРАВЛЯЮЩ. КЛАПАН ГИДРАВЛИКА

Схема запчастей Komatsu 77C - ДВОЙН. УПРАВЛЯЮЩ. КЛАПАН ГИДРАВЛИКА
25
15
13
14
13
12
11
10
9
1
4
3
37
38
33
7
34
8
35
6
3
6
36
8
5
7
8
16
7
18
5
17
26
27
28
19
29
20
11
30
21
22
23
24
32
31
FIT
1:1
100%

Артикул

Название

Примечание

Количество

1

HOUSING

EnglischBem: ORDER 3086 201 M91

1шт.

2

NOT USED

DeutschDesc: NICHT VERWENDET

-1шт.

3

3007073X1

O-RING

EnglischBem: REPAIRS AND REPLACES 2951 849 M1

2шт.

4

2951848M1

PLUG

DeutschDesc: VERSCHLUSSSTOPFEN

1шт.

5

1444020X1

SCREW

DeutschDesc: SCHRAUBE

4шт.

6

2951844M1

DISC

DeutschDesc: SCHEIBE

4шт.

7

2951864M1

PLUG

DeutschDesc: VERSCHLUSSSTOPFEN

5шт.

8

2951865M1

GASKET

DeutschDesc: DICHTUNG

5шт.

9

2923206M1

SLEEVE

DeutschDesc: HUELSE

1шт.

10

2951858M1

SCREW

DeutschDesc: SCHRAUBE

1шт.

11

3007051X1

O-RING

DeutschDesc: O-RING

2шт.

12

2951859M1

BUSHING

DeutschDesc: BUCHSE

1шт.

13

2951862M1

GASKET DISC

DeutschDesc: DICHTSCHEIBE

2шт.

14

2951861M1

NUT

DeutschDesc: MUTTER

1шт.

15

2951860M1

CAP NUT

DeutschDesc: HUTMUTTER

1шт.

16

PISTON

EnglischBem: ORDER 3086 201 M91

1шт.

17

PISTON

EnglischBem: ORDER 3086 201 M91

1шт.

18

GRUB SCREW

EnglischBem: ORDER 3086 201 M91

1шт.

19

2951854M1

BACK-UP RING

DeutschDesc: STUETZRING

1шт.

20

4913211M1

SEAL

EnglischBem: REPAIRS AND REPLACES 2951 853 M1

1шт.

21

VALVE

EnglischBem: ORDER 3086 201 M91

1шт.

22

PISTON

EnglischBem: ORDER 3086 201 M91

1шт.

23

3007087X1

O-RING

DeutschDesc: O-RING

1шт.

24

2951856M1

PLUG

DeutschDesc: VERSCHLUSSSTOPFEN

1шт.

25

PISTON

EnglischBem: ORDER 3086 201 M91

1шт.

26

DISC

EnglischBem: ORDER 3086 201 M91

1шт.

27

2951847M1

SPRING

DeutschDesc: FEDER

1шт.

28

PIN

EnglischBem: ORDER 3086 201 M91

1шт.

29

3007021X1

O-RING

DeutschDesc: O-RING

1шт.

30

3078462M1

SCREW

DeutschDesc: SCHRAUBE

1шт.

31

1444266X1

PLUG

DeutschDesc: VERSCHLUSSSTOPFEN

1шт.

32

1440993X1

SEAL

DeutschDesc: DICHTRING

1шт.

33

PISTON

EnglischBem: ORDER 3086 201 M91

1шт.

34

PISTON

EnglischBem: ORDER 3086 201 M91

1шт.

35

2951845M1

SPRING

DeutschDesc: FEDER

1шт.

36

2951846M1

UNION

DeutschDesc: VERSCHRAUBUNG

1шт.

37

2951842M1

BACK-UP RING

DeutschDesc: STUETZRING

1шт.

38

3007107X1

O-RING

DeutschDesc: O-RING

1шт.

Выбрано товаров: 38