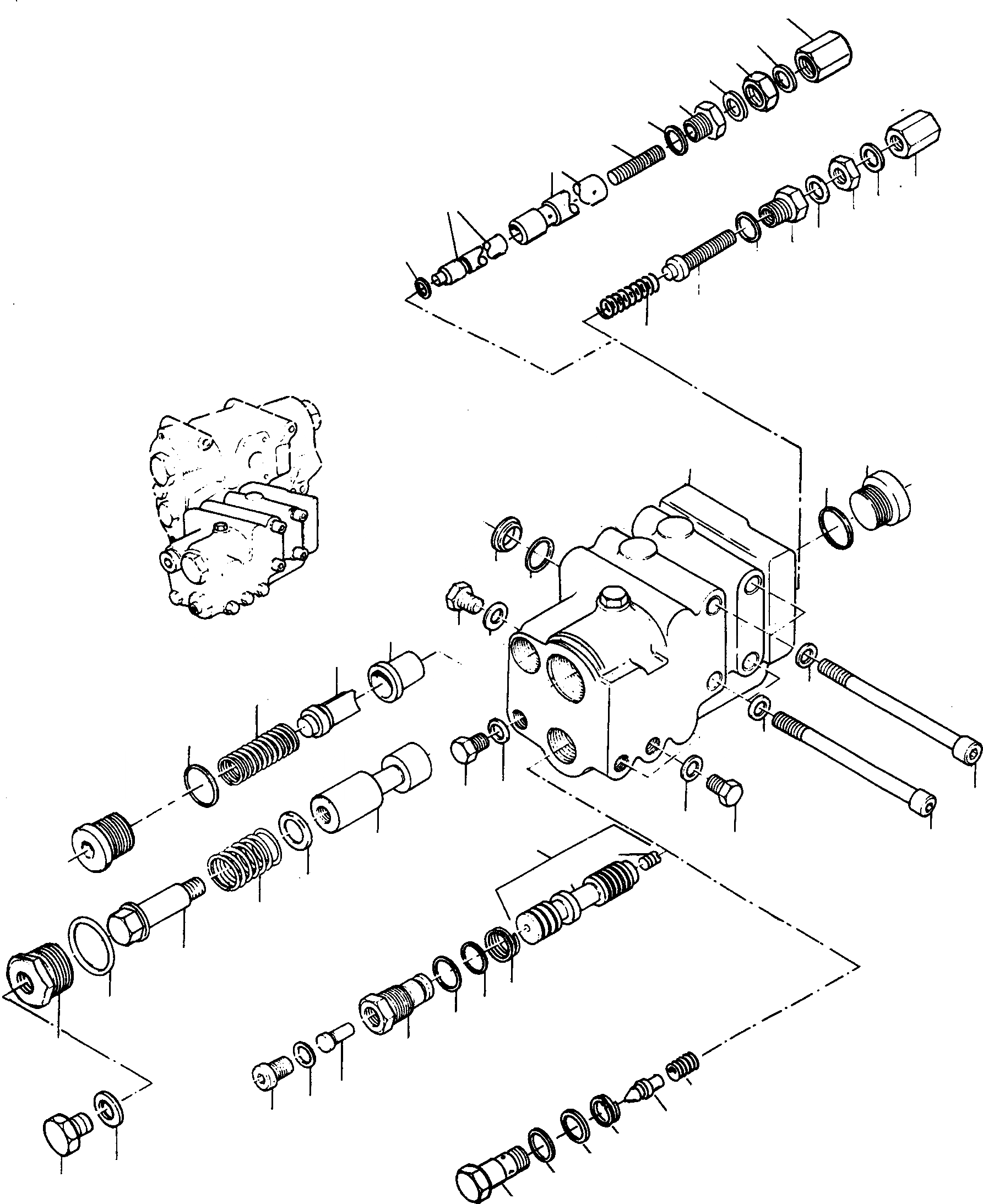
Запчасти Komatsu 77C ДВОЙН. УПРАВЛЯЮЩ. КЛАПАН ГИДРАВЛИКА

Схема запчастей Komatsu 77C - ДВОЙН. УПРАВЛЯЮЩ. КЛАПАН ГИДРАВЛИКА
15
41
13
44
14
43
13
12
38
39
40
15
13
14
13
42
12
11
10
9
4
1
3
37
2
33
7
34
8
35
6
3
6
36
8
7
5
8
16
5
25
7
18
17
26
27
28
19
20
29
11
21
30
22
23
24
19
20
32
45
31
46
FIT
1:1
100%

Артикул

Название

Примечание

Количество

1

HOUSING

EnglischBem: ORDER 3093 014 M92

1шт.

2

2951800M1

O-RING

DeutschDesc: O-RING

1шт.

3

3007073X1

O-RING

EnglischBem: REPAIRS AND REPLACES 2951 849 M1

2шт.

4

2951848M1

PLUG

DeutschDesc: VERSCHLUSSSTOPFEN

1шт.

5

1444020X1

SCREW

EnglischBem: REPAIRS AND REPLACES 2951 843 M1

4шт.

6

2951844M1

DISC

DeutschDesc: SCHEIBE

4шт.

7

2951864M1

PLUG

DeutschDesc: VERSCHLUSSSTOPFEN

5шт.

8

2951865M1

GASKET

DeutschDesc: DICHTUNG

5шт.

9

2951852M1

SPRING

EnglischBem: EXECUTION I

1шт.

10

2951858M1

SCREW

EnglischBem: EXECUTION I

1шт.

11

2951855M1

SEAL

EnglischBem: EXECUTION I

2шт.

12

2951859M1

BUSHING

DeutschDesc: BUCHSE

1шт.

13

2999006M1

RING

EnglischBem: REPAIRS AND REPLACES 2951 862 M1

2шт.

14

353431X1

NUT

EnglischBem: REPAIRS AND REPLACES 2951 861 M1

1шт.

15

2951860M1

CAP NUT

DeutschDesc: HUTMUTTER

1шт.

16

PISTON

EnglischBem: ORDER 3093 014 M92 EXECUTION I

1шт.

17

PISTON

EnglischBem: ORDER 3093 014 M92

1шт.

18

GRUB SCREW

EnglischBem: ORDER 3093 014 M92

1шт.

19

2951854M1

BACK-UP RING

DeutschDesc: STUETZRING

1шт.

20

4913211M1

SEAL

EnglischBem: REPAIRS AND REPLACES 2951 853 M1

1шт.

21

VALVE

EnglischBem: ORDER 3093 014 M92 EXECUTION I

1шт.

22

PISTON

EnglischBem: ORDER 3093 014 M92 EXECUTION I

1шт.

23

3007087X1

O-RING

EnglischBem: EXECUTION I

1шт.

24

2951856M1

PLUG

EnglischBem: EXECUTION I

1шт.

25

PISTON

EnglischBem: ORDER 3093 014 M92

1шт.

26

3230236M1

PLAIN WASHER

DeutschDesc: UNTERLEGSCHEIBE

1шт.

27

2951847M1

SPRING

DeutschDesc: FEDER

1шт.

28

3230237M1

PIN

DeutschDesc: BOLZEN

1шт.

29

3007021X1

O-RING

EnglischBem: REPAIRS AND REPLACES 2951 851 M1

1шт.

30

3078462M1

SCREW

DeutschDesc: SCHRAUBE

1шт.

31

1444266X1

PLUG

DeutschDesc: VERSCHLUSSSTOPFEN

1шт.

32

1440993X1

SEAL

DeutschDesc: DICHTRING

1шт.

33

3230239M1

VALVE

DeutschDesc: VENTILSATZ

1шт.

34

3230238M1

POPPET

DeutschDesc: VENTILKEGEL

1шт.

35

2951845M1

SPRING

DeutschDesc: FEDER

1шт.

36

3231090M1

SCREW

EnglischBem: REPAIRS AND REPLACES 2951 846 M1

1шт.

37

2951842M1

BACK-UP RING

DeutschDesc: STUETZRING

1шт.

38

3230233M1

SEAL

EnglischBem: EXECUTION II

1шт.

39

3230234M1

ADJUSTING SCREW

EnglischBem: EXECUTION II

1шт.

40

SLEEVE

EnglischBem: ORDER 3093 014 M92 EXECUTION II

1шт.

41

PISTON

EnglischBem: ORDER 3093 014 M92 EXECUTION II

1шт.

42

3007609X1

O-RING

EnglischBem: EXECUTION II

1шт.

43

2949278M1

SPRING

EnglischBem: EXECUTION II

1шт.

44

1892758M1

POPPET

EnglischBem: EXECUTION II

1шт.

45

3031848M1

O-RING

EnglischBem: EXECUTION II

1шт.

46

3235273M1

BUSHING

EnglischBem: EXECUTION II

1шт.

Выбрано товаров: 46