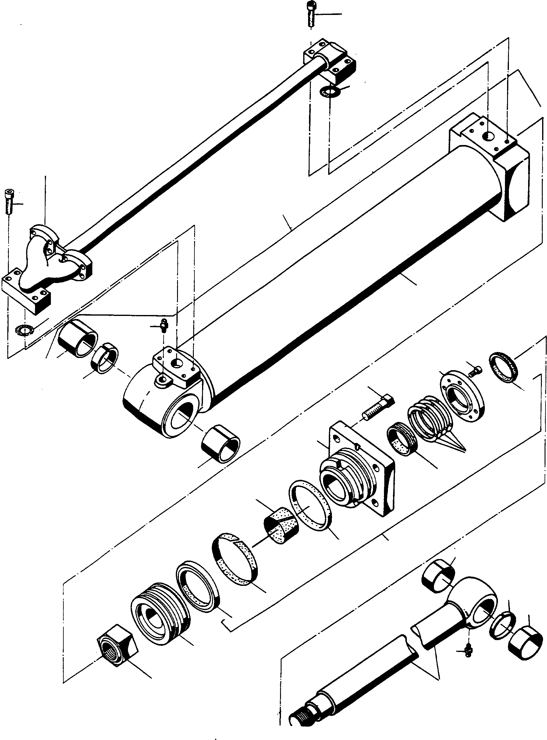
Запчасти Komatsu 77C ГИДРОЦИЛИНДР ПОДЪЕМА ГИДРАВЛИКА

Схема запчастей Komatsu 77C - ГИДРОЦИЛИНДР ПОДЪЕМА ГИДРАВЛИКА
24
23
15
16
10
13
22
24
1
2
23
5
3
18
4
17
12
14
3
11
25
20
21
9
20
8
7
5
6
19
FIT
1:1
100%

Артикул

Название

Примечание

Количество

1

2949281M91

LIFT CYLINDER

DeutschDesc: HUBZYLINDER

1шт.

2

2949282M91

BARREL

DeutschDesc: ZYLINDERROHR

1шт.

3

2947334M1

BUSHING

DeutschDesc: BUCHSE

2шт.

4

2947341M1

RING

DeutschDesc: RING

1шт.

5

339608X1

LUBRICATION NIPPLE

DeutschDesc: SCHMIERNIPPEL

2шт.

6

2998669M1

NUT

DeutschDesc: MUTTER

1шт.

7

2923646M1

PISTON

DeutschDesc: KOLBEN

1шт.

8

2999660M1

SEAL

EnglischBem: NOTE: Pos. (8) included in Pos. (1) and (25) Kit

1шт.

9

2999625M1

BAND

EnglischBem: NOTE: Pos. (9) included in Pos. (1) and (25) Kit

2шт.

10

2999072M1

BEARING

DeutschDesc: LAGER

1шт.

11

1444828X1

O-RING

EnglischBem: NOTE: Pos. (11) included in Pos. (1) and (25) Kit

1шт.

12

2949194M1

GUIDE BUSH

DeutschDesc: FUEHRUNGSBUCHSE

1шт.

13

2999114M1

PACKING KIT

EnglischBem: NOTE: Pos. (13) included in Pos. (1) and (25) Kit

1шт.

14

2949196M1

DISC

EnglischBem: NOTE: Pos. (14) included in Pos. (1) and (25) Kit

4шт.

15

2949195M1

GLAND

DeutschDesc: STOPFBUCHSE

1шт.

16

3003878X1

SCREW

DeutschDesc: SCHRAUBE

4шт.

17

2999048M1

STRIPPER

EnglischBem: NOTE: Pos. (17) included in Pos. (1) and (25) Kit

1шт.

18

1443675X1

SCREW

DeutschDesc: SCHRAUBE

4шт.

19

2949197M1

CYLINDER ROD

DeutschDesc: KOLBENSTANGE

1шт.

20

2907288M1

BUSHING

DeutschDesc: BUCHSE

2шт.

21

2947343M1

RING

DeutschDesc: RING

1шт.

22

2949294M1

FEEDER

DeutschDesc: ZUFUEHRUNG

1шт.

23

1444807X1

O-RING

DeutschDesc: O-RING

2шт.

24

1441757X1

SCREW

DeutschDesc: SCHRAUBE

8шт.

25

2949548M91

GASKET KIT

DeutschDesc: DICHTUNGSSATZ

1шт.

Выбрано товаров: 25