Запчасти Komatsu 77C БЛОК ЦИЛИНДРОВ И ATTACHING ЧАСТИ, HANOMAG- ДВИГАТЕЛЬ UP - ДВИГАТЕЛЬ NO. 7 ДВИГАТЕЛЬ, АКСЕССУАРЫ И ЭЛЕКТРИЧ. СИСТЕМА

Схема запчастей Komatsu 77C - БЛОК ЦИЛИНДРОВ И ATTACHING ЧАСТИ, HANOMAG- ДВИГАТЕЛЬ UP - ДВИГАТЕЛЬ NO. 7 ДВИГАТЕЛЬ, АКСЕССУАРЫ И ЭЛЕКТРИЧ. СИСТЕМА
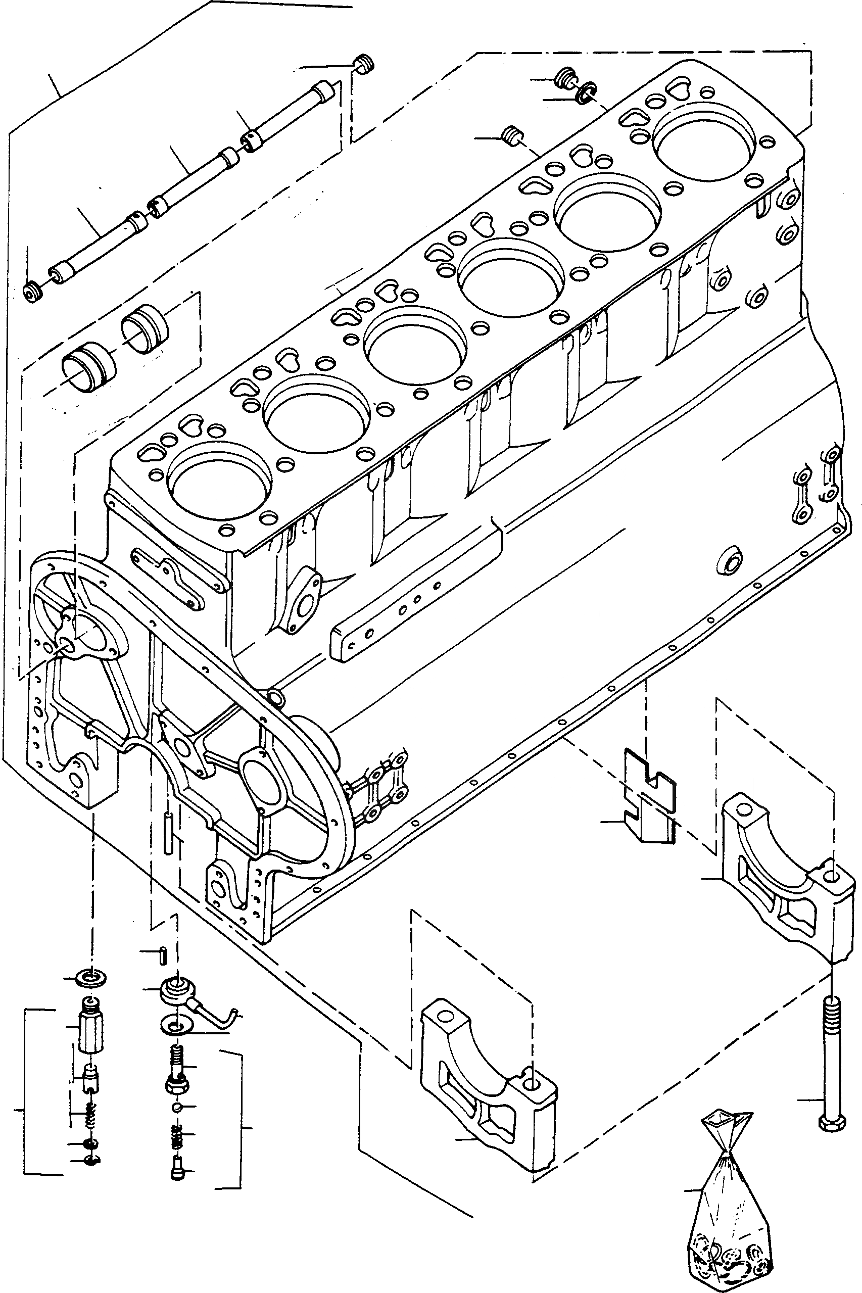
1
5
8
4
2
10
24
17
20A
21A
11
6
9
7
8
3
12
16
13
25
26
19
27
20
29
15
21
30
18
28
31
14
22
23
32
33
FIT
1:1
100%

Артикул

Название

Примечание

Количество

1

CYLINDER BLOCK

EnglischBem: REPAIRS AND REPLACES 2972 617 M91 UP TO ENGINE NO. 10 630 170 1X

1шт.

2

CYLINDER BLOCK

EnglischBem: ORDER 3090 273 M91

1шт.

3

2870803M1

BEARING

DeutschDesc: LAGER

1шт.

4

2870804M1

BEARING

DeutschDesc: LAGER

6шт.

5

2872175M1

TUBE

DeutschDesc: ROHR

2шт.

6

2872174M1

TUBE

DeutschDesc: ROHR

2шт.

7

2872173M1

TUBE

DeutschDesc: ROHR

2шт.

8

1443743X1

PLUG

DeutschDesc: VERSCHLUSSSTOPFEN

2шт.

9

1444256X1

PLUG

DeutschDesc: VERSCHLUSSSTOPFEN

2шт.

10

1444261X1

PLUG

DeutschDesc: VERSCHLUSSSTOPFEN

5шт.

11

1440993X1

SEAL

DeutschDesc: DICHTRING

5шт.

12

2872172M1

BAFFLE

DeutschDesc: LEITBLECH

1шт.

13

BED BRACKET

EnglischBem: ORDER 3090 273 M91

1шт.

14

BED BRACKET

EnglischBem: ORDER 3090 273 M91

6шт.

15

1444035X1

SCREW

DeutschDesc: SCHRAUBE

14шт.

16

1443800X1

DOWEL

DeutschDesc: ZYLINDERSTIFT

7шт.

17

1444747X1

SEAL

DeutschDesc: DICHTRING

1шт.

18

3093426M91

VALVE

EnglischBem: REPAIRS AND REPLACES 2871 743 M91

1шт.

19

VALVE

EnglischBem: ORDER 3093 426 M91

1шт.

20

3093424M1

POPPET

DeutschDesc: VENTILKEGEL

1шт.

20A

2868737M1

POPPET

EnglischBem: FOR VALVE 2871 743 M91

1шт.

21

3093425M1

COMPRESSION SPRING

DeutschDesc: DRUCKFEDER

1шт.

21A

2869872M1

COMPRESSION SPRING

EnglischBem: FOR VALVE 2871 743 M91

1шт.

22

2871742M1

DISC

DeutschDesc: SCHEIBE

1шт.

23

1444472X1

CIRCLIP

DeutschDesc: SICHERUNGSRING

1шт.

24

1440397X1

SLEEVE

DeutschDesc: HUELSE

6шт.

25

2870849M92

NOZZLE

DeutschDesc: DUESE

3шт.

26

2870848M92

NOZZLE

DeutschDesc: DUESE

3шт.

27

2867218M1

SPRING

DeutschDesc: FEDER

6шт.

28

2870844M91

VALVE

DeutschDesc: VENTIL

6шт.

29

VALVE

EnglischBem: ORDER 2870 844 M91

6шт.

30

1444586X1

BALL

DeutschDesc: KUGEL

6шт.

31

2870820M1

SPRING

DeutschDesc: FEDER

6шт.

32

2870826M1

PEG

DeutschDesc: STIFT

6шт.

33

2972324M91

GASKET KIT

DeutschDesc: DICHTUNGSSATZ

1шт.

|$36

GASKET KIT

DeutschDesc: DICHTUNGSSATZ

-3шт.

Выбрано товаров: 0