Запчасти Komatsu 77C ВЫПУСКН. СИСТЕМА, EJECTOR, HANOMAG- ДВИГАТЕЛЬ EXECUTION III ДВИГАТЕЛЬ, АКСЕССУАРЫ И ЭЛЕКТРИЧ. СИСТЕМА

Схема запчастей Komatsu 77C - ВЫПУСКН. СИСТЕМА, EJECTOR, HANOMAG- ДВИГАТЕЛЬ EXECUTION III ДВИГАТЕЛЬ, АКСЕССУАРЫ И ЭЛЕКТРИЧ. СИСТЕМА
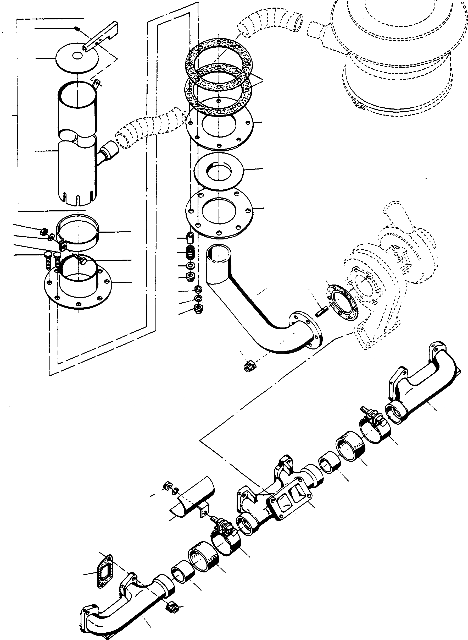
29
33
35
36
17
7
6
6A
5
4
6
6A
23
22
18
20
21
16
15
26
24
27
30
31
28
25
32
12
19
11
13
34
14
1
5
10
9
2
8
7
3
1
FIT
1:1
100%

Артикул

Название

Примечание

Количество

1

2872438M2

EXHAUST MANIFOLD

DeutschDesc: AUSPUFFKRUEMMER

2шт.

2

2872439M2

EXHAUST MANIFOLD

DeutschDesc: AUSPUFFKRUEMMER

1шт.

3

2872463M1

GASKET

DeutschDesc: DICHTUNG

6шт.

4

2999785M1

NUT

DeutschDesc: MUTTER

12шт.

5

2872440M1

BUSHING

DeutschDesc: BUCHSE

2шт.

6

2863563M1

SEAL

EnglischBem: SN: - 10630253

2шт.

6A

3090266M1

SEAL

EnglischBem: SN: 10630254 -

2шт.

7

2872480M1

CLIP

DeutschDesc: SCHELLE

2шт.

8

2872508M91

SHEET

DeutschDesc: BLECH

2шт.

9

1443794X1

SPRING WASHER

DeutschDesc: FEDERRING

2шт.

10

339079X1

NUT

DeutschDesc: MUTTER

2шт.

11

2872895M91

EXHAUST MANIFOLD

DeutschDesc: AUSPUFFKRUEMMER

1шт.

12

2872856M1

GASKET

DeutschDesc: DICHTUNG

1шт.

13

1443735X1

STUD BOLT

DeutschDesc: STIFTSCHRAUBE

6шт.

14

2999785M1

NUT

DeutschDesc: MUTTER

6шт.

15

2872482M1

GASKET DISC

DeutschDesc: DICHTSCHEIBE

1шт.

16

2872483M1

GASKET DISC

DeutschDesc: DICHTSCHEIBE

1шт.

17

2872471M1

GASKET DISC

DeutschDesc: DICHTSCHEIBE

1шт.

18

2870462M1

GASKET

DeutschDesc: DICHTUNG

2шт.

19

3072429M91

ADAPTOR

DeutschDesc: ADAPTER

1шт.

20

3073637M91

EJECT

DeutschDesc: EJECTOR

1шт.

21

EJECT

EnglischBem: ORDER 3073 637 M91

1шт.

22

3073639M91

FLAP

DeutschDesc: KLAPPE

1шт.

23

3002151X1

DOWEL

DeutschDesc: ZYLINDERSTIFT

1шт.

24

3073101M1

CLIP

DeutschDesc: SCHELLE

1шт.

25

391375X1

SCREW

DeutschDesc: SCHRAUBE

1шт.

26

339054X1

NUT

DeutschDesc: MUTTER

1шт.

27

1443792X1

SPRING WASHER

DeutschDesc: FEDERRING

1шт.

28

1444072X1

SCREW

DeutschDesc: SCHRAUBE

4шт.

29

391176X1

SCREW

DeutschDesc: SCHRAUBE

4шт.

30

2872484M1

BUSHING

DeutschDesc: BUCHSE

4шт.

31

2903081M1

SPRING

DeutschDesc: FEDER

4шт.

32

1443773X1

DISC

DeutschDesc: SCHEIBE

4шт.

33

1444329X1

NUT

DeutschDesc: MUTTER

4шт.

34

2872485M1

BUSHING

DeutschDesc: BUCHSE

4шт.

35

390972X1

PLAIN WASHER

DeutschDesc: UNTERLEGSCHEIBE

4шт.

36

1444329X1

NUT

DeutschDesc: MUTTER

4шт.

Выбрано товаров: 37