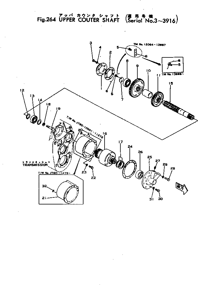
Запчасти Komatsu JH60-1 ВЕРХН. COUNTER ВАЛ ТРАНСМИССИЯ

Схема запчастей Komatsu JH60-1 - ВЕРХН. COUNTER ВАЛ ТРАНСМИССИЯ
FIT
1:1
100%

Артикул

Название

Примечание

Количество

|1

380-173822-2

TRANSMISSION ASS'Y

SN: 471-3916

1шт.

|1

380-886505-1

TRANSMISSION ASS'Y

SN: 3-470

1шт.

1

380-116610-1

CAP

SN: 3-3916

1шт.

2

380-116611-1

GASKET (K4)

SN: 3-3916

1шт.

3

380-S268-000

BOLT

SN: 3-3916

6шт.

4

380-WL16-000

WASHER

SN: 3-3916

6шт.

5

380-S266D8-0

BOLT

SN: (13988)-3916

2шт.

|5

380-S266D-00

BOLT

SN: 3-(13987)

2шт.

6

380-LW187-00

WIRE

SN: (13988)-3916

1шт.

|6

381-898671-1

WASHER

SN: (12064)-(13987)

1шт.

|6

0

WIRE

SN: 3-(12063)

1шт.

7

380-116623-1

WASHER

SN: 3-3916

1шт.

8

380-116598-1

BEARING

SN: 3-3916

1шт.

9

380-125563-1

GEAR¤ 55 TEETH

SN: 3-3916

1шт.

10

380-125564-1

SPACER

SN: 3-3916

1шт.

11

380-159658-1

GEAR¤ 37 TEETH

SN: 3-3916

1шт.

12

380-125566-1

RING

SN: 3-3916

1шт.

13

380-118046-1

BEARING

SN: 3-3916

1шт.

14

380-125567-1

RING

SN: 3-3916

1шт.

15

380-190919-1

SHAFT

SN: 3-3916

1шт.

16

380-163402-3

CLUTCH ASS'Y,(SEE FIG.265)

SN: 3-3916

1шт.

17

380-129509-1

RING

SN: 3-3916

2шт.

18

380-189926-1

WASHER

SN: 3-3916

1шт.

19

380-129508-2

BOLT

SN: 3-3916

1шт.

20

380-OR49-000

O-RING (K6)

SN: (11273)-3916

4шт.

|20

380-OR49-000

O-RING (K6)

SN: (10001)-(11272)

5шт.

21

381-881932-1

HOUSING

SN: (11273)-3916

1шт.

|21

0

HOUSING

SN: (10001)-(11272)

1шт.

|$$29

(381-881932-1{380-OR411-00)}

-1шт.

22

380-S2616-00

BOLT

SN: 3-3916

6шт.

23

380-WL16-000

WASHER

SN: 3-3916

6шт.

24

380-129513-1

GASKET (K4)

SN: 3-3916

1шт.

25

380-156947-1

COVER ASS'Y

SN: 3-3916

1шт.

26

380-157197-1

BEARING

SN: 3-3916

1шт.

27

380-139509-1

PLUG

SN: 3-3916

2шт.

28

380-S2610-00

BOLT

SN: 3-3916

7шт.

29

380-WL16-000

WASHER

SN: 3-3916

7шт.

30

380-S2618-00

BOLT

SN: 3-3916

1шт.

31

380-WL16-000

WASHER

SN: 3-3916

1шт.

32

380-OR411-00

O-RING (K6)

SN: (11273)-3916

1шт.

Выбрано товаров: 40