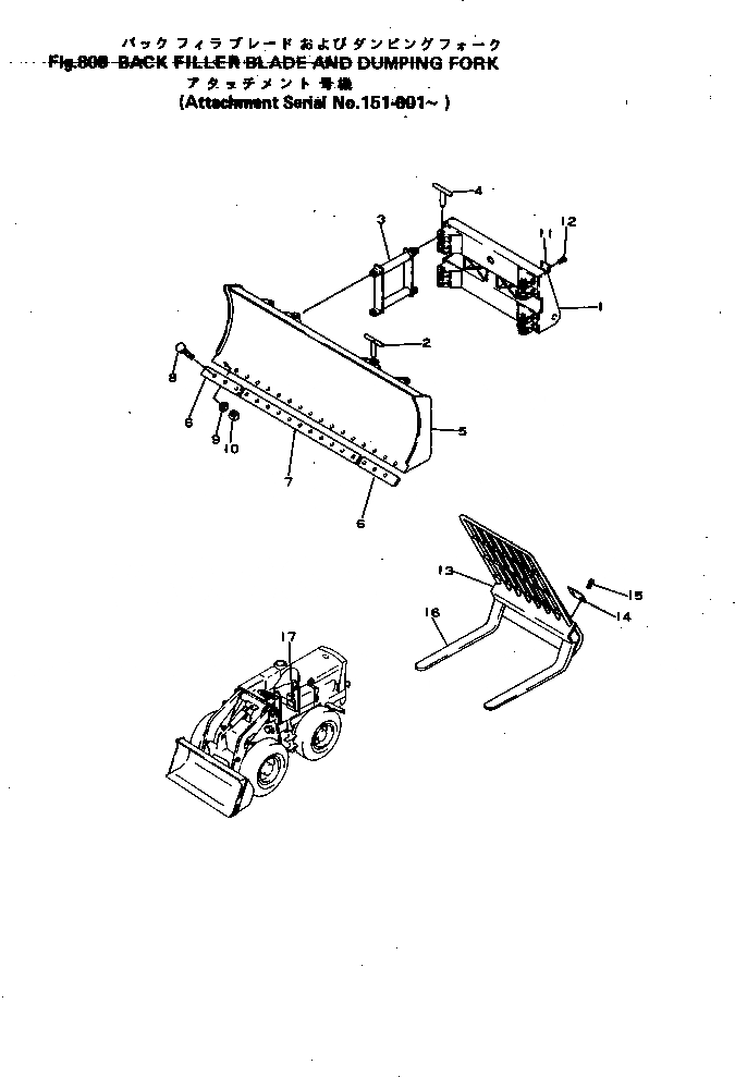
Запчасти Komatsu JH60-1 BACK НАПОЛНИТЕЛЬ ОТВАЛ И РАЗГРУЗКАING ВИЛЫ ОПЦИОННЫЕ КОМПОНЕНТЫ

Схема запчастей Komatsu JH60-1 - BACK НАПОЛНИТЕЛЬ ОТВАЛ И РАЗГРУЗКАING ВИЛЫ ОПЦИОННЫЕ КОМПОНЕНТЫ
FIT
1:1
100%

Артикул

Название

Примечание

Количество

|1

380-193177-2

BLADE ASS'Y

SN: (001)-UP

1шт.

1

380-193176-1

BLADE ASS'Y

SN: (001)-UP

1шт.

2

380-133707-1

PIN

SN: (001)-UP

4шт.

3

380-133527-1

LINK

SN: (001)-UP

1шт.

4

380-133548-1

PIN

SN: (001)-UP

2шт.

|5

380-193143-2

BLADE ASS'Y

SN: (001)-UP

1шт.

5

380-889862-1

BLADE

SN: (001)-UP

1шт.

6

380-889858-2

EDGE

SN: (010)-UP

2шт.

|6

0

EDGE

SN: (001)-(009)

2шт.

7

380-889859-2

EDGE

SN: (010)-UP

1шт.

|7

0

EDGE

SN: (001)-(009)

1шт.

8

02090-01255

BOLT

SN: (001)-UP

23шт.

9

380-WL112-00

WASHER

SN: (001)-UP

23шт.

10

380-H212-000

NUT

SN: (001)-UP

23шт.

11

381-898523-1

PLATE

SN: (001)-UP

1шт.

12

04418-03060

SCREW

SN: (001)-UP

2шт.

13

380-888815-2

DUMPING FORK ASS'Y

SN: (031)-UP

1шт.

|13

0

DUMPING FORK ASS'Y

SN: (022)-(030)

1шт.

|13

0

DUMPING FORK ASS'Y

SN: (001)-(021)

1шт.

14

381-898523-1

PLATE

SN: (001)-UP

1шт.

15

04418-03060

SCREW

SN: (001)-UP

2шт.

16

380-890268-1

FORK

SN: (031)-UP

2шт.

|16

380-888817-1

FORK

SN: (022)-(030)

2шт.

17

380-890431-1

PLATE

SN: (001)-UP

1шт.

Выбрано товаров: 24