Запчасти Komatsu JH65C-2 ЭЛЕКТРИКА¤ ЗАДН.(№-8) КОМПОНЕНТЫ ДВИГАТЕЛЯ И ЭЛЕКТРИКА

Схема запчастей Komatsu JH65C-2 - ЭЛЕКТРИКА¤ ЗАДН.(№-8) КОМПОНЕНТЫ ДВИГАТЕЛЯ И ЭЛЕКТРИКА
FIT
1:1
100%

Артикул

Название

Примечание

Количество

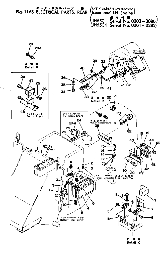
1

08088-00000

SWITCH,BATTERY RELAY

SN: 3-@

1шт.

2

380-S156-000

BOLT

SN: 3-@

2шт.

3

384-0120638

WASHER

SN: .-@

2шт.

|3

0

WASHER

SN: 3-.

2шт.

4

08000-01215

BATTERY (145G51)

SN: 1399-@

2шт.

5

08000-00001

TERMINAL¤ (-)

SN: 1399-@

2шт.

6

08000-00000

TERMINAL¤ (+)

SN: 1399-@

2шт.

7

381-970710-1

CAP

SN: 2097-@

3шт.

8

381-975825-1

HOLDER

SN: 1399-@

2шт.

9

381-977281-1

BOLT

SN: 1399-@

4шт.

10

380-E14-0000

NUT

SN: 1399-@

4шт.

11

382-025551-1

WASHER

SN: .-@

4шт.

|11

0

WASHER

SN: 1399-.

4шт.

12

380-888138-1

SENSOR,TEMPERATURE GAUGE

SN: 3-3080

1шт.

13

380-885320-2

ADAPTER

SN: 69-@

1шт.

14

381-985665-2

GAUGE,FUEL GAUGE

SN: 3081-@

1шт.

|14

0

GAUGE,FUEL GAUGE

SN: 2325-3080

1шт.

15

380-132226-1

BOLT

SN: 3-@

5шт.

16

01601-00513

WASHER

SN: 3-@

5шт.

17

385-10191931

GASKET

SN: .-@

1шт.

|17

0

GASKET

SN: 3-.

1шт.

18

381-981393-1

LAMP,LICENSE

SN: .-@

1шт.

|18

0

LAMP,LICENSE

SN: 3-.

1шт.

19

08110-12410

BULB¤ 12W

SN: .-@

1шт.

|19

0

BULB¤ 10W

SN: 3-.

1шт.

20

380-888143-3

LAMP,REAR

SN: 417-@

2шт.

21

08113-02480

BULB¤ 80W

SN: 417-@

2шт.

22

01642-00508

WASHER

SN: 517-@

6шт.

23

380-888138-1

SENSOR,TEMPERATURE GAUGE

SN: 3-3080

1шт.

24

380-S145-000

BOLT

SN: 81-@

4шт.

25

384-0131098

WASHER

SN: .-@

4шт.

|25

0

WASHER

SN: 81-.

4шт.

26

380-H14-0000

NUT

SN: 81-@

4шт.

27

381-980868-2

SUPPORT,L.H.

SN: 2325-3080

1шт.

28

381-980869-2

SUPPORT,R.H.

SN: 2325-3080

1шт.

29

380-S289-000

BOLT

SN: 2325-3080

6шт.

30

380-WL18-000

WASHER

SN: 2325-3080

6шт.

31

380-890095-1

GROMMET

SN: 1460-@

3шт.

32

381-985159-5

SWITCH,NEUTRAL SAFETY

SN: 3075-@

1шт.

|32

0

SWITCH,NEUTRAL SAFETY

SN: 2325-3074

1шт.

33

381-987777-1

BOOT

SN: 2097-@

1шт.

34

382-025492-1

BOLT

SN: .-@

2шт.

|34

0

BOLT

SN: 3075-.

2шт.

|34

380-S145-000

BOLT

SN: 2325-3074

2шт.

35

384-0120638

WASHER

SN: .-@

2шт.

|35

0

WASHER

SN: 3075-.

2шт.

|35

380-WL14-000

WASHER

SN: 1399-3074

2шт.

36

382-025552-1

WASHER

SN: .-@

2шт.

|36

0

WASHER

SN: 3075-.

2шт.

|36

380-WF14-000

WASHER

SN: 2325-3074

2шт.

37

381-982858-2

BRACKET

SN: 3075-@

1шт.

|37

381-986169-1

CLIP

SN: 2325-3074

1шт.

38

381-986168-1

WASHER

SN: 2325-@

1шт.

39

380-104467-1

NUT

SN: 1399-@

4шт.

40

381-982857-3

BRACKET

SN: 3075-@

1шт.

|40

381-986170-1

BRACKET

SN: 2325-3074

1шт.

41

381-986171-1

ROD

SN: 2325-@

1шт.

42

08132-32400

LAMP ASS'Y,COMBINATION¤ L.H.

SN: 1653-3080

1шт.

|42

08132-42400

LAMP ASS'Y,COMBINATION¤ R.H.

SN: 1653-3080

1шт.

43

08105-12420

BULB¤ 25W

SN: 1653-3080

2шт.

44

08104-12420

BULB¤ 25/10W

SN: 1653-3080

2шт.

45

381-897693-1

BULB¤ 3W

SN: 1653-3080

2шт.

46

08132-30001

LENS,L.H.

SN: 1653-3080

1шт.

|46

08132-40001

LENS,R.H.

SN: 1653-3080

1шт.

Выбрано товаров: 0