Запчасти Komatsu JH65C-2 КРЕПЛЕНИЕ ДВИГАТЕЛЯ ЧАСТИ(№-) КОМПОНЕНТЫ ДВИГАТЕЛЯ И ЭЛЕКТРИКА

Схема запчастей Komatsu JH65C-2 - КРЕПЛЕНИЕ ДВИГАТЕЛЯ ЧАСТИ(№-) КОМПОНЕНТЫ ДВИГАТЕЛЯ И ЭЛЕКТРИКА
FIT
1:1
100%

Артикул

Название

Примечание

Количество

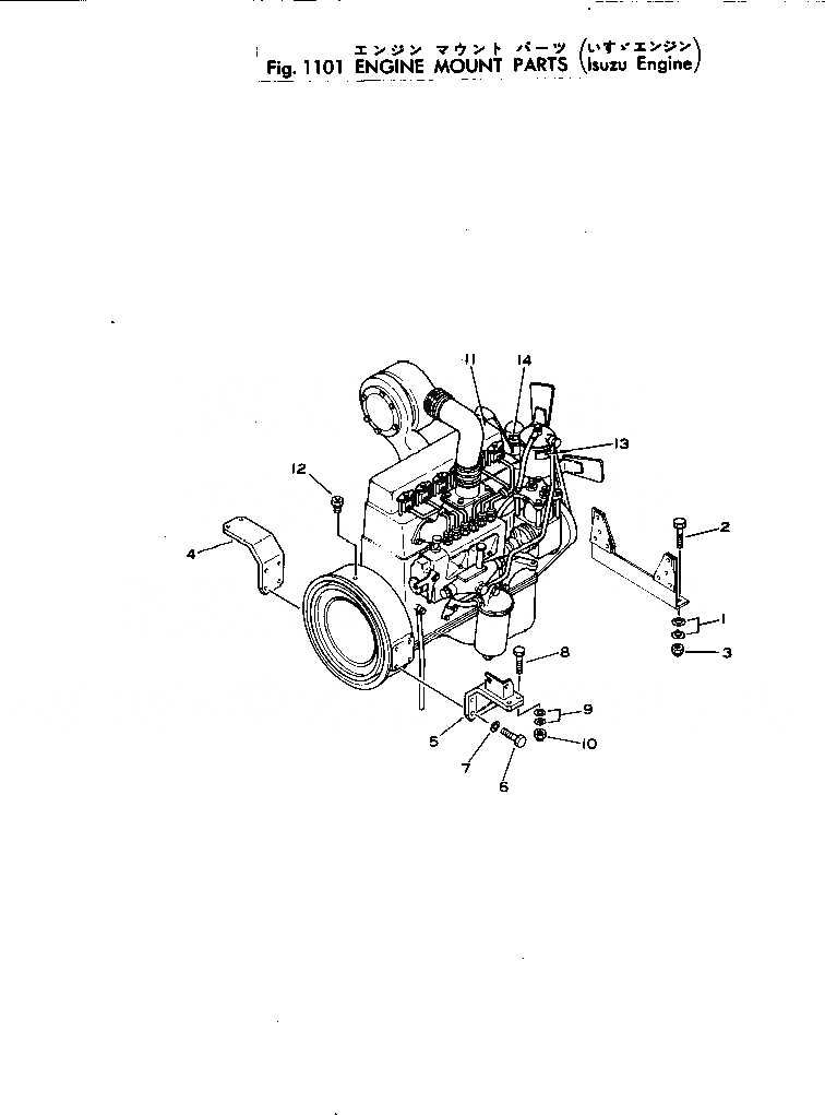
1

380-887928-1

SHIM¤ 1.6MM

SN: 3-UP

4шт.

2

380-S11020-0

BOLT

SN: 3-UP

2шт.

3

380-E110-000

NUT

SN: 3-UP

2шт.

4

380-887927-1

BRACKET,R.H.

SN: 3-UP

1шт.

5

381-986993-1

BRACKET,L.H.

SN: 2325-UP

1шт.

6

01010-61235

BOLT

SN: .-UP

8шт.

7

384-0131101

WASHER

SN: .-UP

8шт.

|7

0

WASHER

SN: 3-.

8шт.

8

380-S110208

SCREW

SN: 3-UP

4шт.

9

380-887928-1

SHIM¤ 1.6MM

SN: 1605-UP

4шт.

10

380-E110-000

NUT

SN: 3-UP

4шт.

11

381-989458-1

ENGINE,(DA640-TPR)

SN: 2479-UP

1шт.

|11

381-985536-1

ENGINE ASS'Y,(DA640-TPR)

SN: 2067-2748

1шт.

12

381-897597-1

ADAPTER

SN: 437-UP

1шт.

13

381-987182-1

PLATE¤ CAUTION,FUEL FILTER

SN: 2325-UP

1шт.

14

381-987180-1

PLATE¤ CAUTION,OIL FILTER

SN: 2325-UP

1шт.

Выбрано товаров: 16