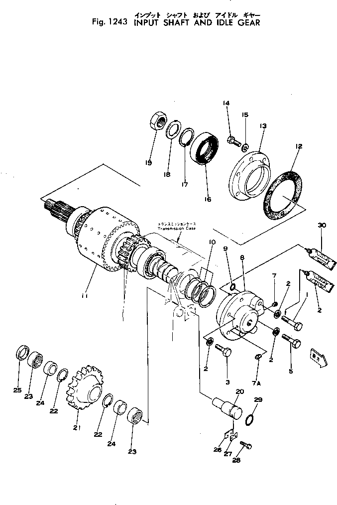
Запчасти Komatsu JH65C-2 ВХОДН. ВАЛ И IDLE ПРИВОД(№-) ТРАНСМИССИЯ

Схема запчастей Komatsu JH65C-2 - ВХОДН. ВАЛ И IDLE ПРИВОД(№-) ТРАНСМИССИЯ
FIT
1:1
100%

Артикул

Название

Примечание

Количество

|1

381-970485-3

TRANSMISSION ASS'Y

SN: 2325-UP

1шт.

1

380-S2618-00

BOLT

SN: 3-UP

1шт.

2

385-10017861

LOCKTITE¤ 262

SN: 2739-UP

-2шт.

|2

0

WASHER

SN: 3-2738

6шт.

3

380-S268-000

BOLT

SN: 3-UP

4шт.

5

380-S2614-00

BOLT

SN: 3-UP

1шт.

7

380-P42-0000

PLUG

SN: 1399-UP

2шт.

7A

380-P12-0000

PLUG

SN: 3003-UP

1шт.

8

381-938595-1

CAP

SN: 3003-UP

1шт.

|8

381-922859-1

CAP

SN: 1399-3002

1шт.

9

380-OR49-000

O-RING

SN: 1399-UP

2шт.

10

380-129509-1

RING

SN: 3-UP

3шт.

11

385-10128621

CLUTCH ASS'Y,FORWARD AND REVERSE

SN: 3126-UP

1шт.

|11

0

CLUTCH ASS'Y,FORWARD AND REVERSE

SN: 1399-3125

1шт.

12

380-116609-1

GASKET (KIT)

SN: 3-UP

1шт.

13

380-116608-2

CAP

SN: .-UP

1шт.

|13

0

CAP

SN: 3-.

1шт.

14

380-S268-000

BOLT

SN: 3-UP

6шт.

15

380-WL16-000

WASHER

SN: 3-UP

6шт.

16

381-975159-1

SEAL

SN: 3-UP

1шт.

17

382-021269-1

RING

SN: 1399-UP

1шт.

18

380-889970-1

WASHER,(T/M NO.JT65.10199-)

SN: .-UP

1шт.

19

380-123298-1

NUT

SN: 3-UP

1шт.

20

380-212063-1

SHAFT

SN: 3-UP

1шт.

|21

381-923052-1

GEAR ASS'Y

SN: 1399-UP

1шт.

21

381-921648-1

GEAR¤ 30 TEETH

SN: 1399-UP

1шт.

22

382-468337-1

RING

SN: 3-UP

2шт.

23

380-220485-1

BEARING

SN: 3-UP

2шт.

24

380-220486-1

BEARING

SN: 3-UP

2шт.

25

380-222445-1

SPACER

SN: 3-UP

1шт.

26

380-125523-1

PLATE

SN: 3-UP

1шт.

27

381-898831-1

PLATE

SN: 3-UP

1шт.

28

380-S266-000

BOLT

SN: 3-UP

2шт.

29

380-OR427-00

O-RING

SN: 3-UP

1шт.

30

385-10017871

GASKET

SN: 3-UP

-2шт.

Выбрано товаров: 35