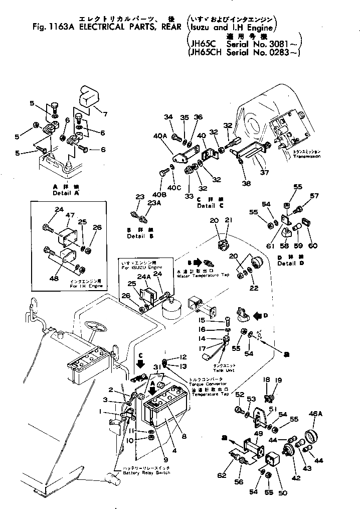
Запчасти Komatsu JH65CH-2 ЭЛЕКТРИКА¤ ЗАДН.(№8-) КОМПОНЕНТЫ ДВИГАТЕЛЯ И ЭЛЕКТРИКА

Схема запчастей Komatsu JH65CH-2 - ЭЛЕКТРИКА¤ ЗАДН.(№8-) КОМПОНЕНТЫ ДВИГАТЕЛЯ И ЭЛЕКТРИКА
FIT
1:1
100%

Артикул

Название

Примечание

Количество

1

08088-00000

SWITCH,BATTERY RELAY

SN: 1-UP

1шт.

2

380-S156-000

BOLT

SN: 1-UP

2шт.

3

384-0120638

WASHER

SN: .-UP

2шт.

|3

0

WASHER

SN: 1-.

2шт.

4

08000-01215

BATTERY (145G51)

SN: 1-UP

2шт.

5

08000-00001

TERMINAL¤ (-)

SN: 1-UP

2шт.

6

08000-00000

TERMINAL¤ (+)

SN: 1-UP

2шт.

7

381-970710-1

CAP

SN: 1-UP

3шт.

8

381-975825-1

HOLDER

SN: 1-UP

2шт.

9

381-977281-1

BOLT

SN: 1-UP

4шт.

10

380-E14-0000

NUT

SN: 1-UP

4шт.

11

382-025551-1

WASHER

SN: .-UP

4шт.

|11

0

WASHER

SN: 1-.

4шт.

12

385-10051642

SENSOR,TEMPERATURE GAUGE

SN: .-UP

1шт.

|12

0

SENSOR,TEMPERATURE GAUGE

SN: 283-.

1шт.

13

380-885320-2

ADAPTER

SN: 1-UP

1шт.

14

381-985665-2

GAUGE,FUEL

SN: 1-UP

1шт.

15

380-132226-1

BOLT

SN: 1-UP

5шт.

16

01601-00513

WASHER

SN: 1-UP

5шт.

17

385-10191931

GASKET

SN: .-UP

1шт.

|17

0

GASKET

SN: 1-.

1шт.

18

381-981393-1

LAMP,LICENSE

SN: .-UP

1шт.

|18

0

LAMP,LICENSE

SN: 1-.

1шт.

19

08110-12410

BULB¤ 12W

SN: .-UP

1шт.

|19

0

BULB¤ 10W

SN: 1-.

1шт.

20

380-888143-3

LAMP,REAR

SN: 1-UP

2шт.

21

08113-02480

BULB¤ 80W

SN: 1-UP

2шт.

22

01642-00508

WASHER

SN: 1-UP

6шт.

23

385-10051642

SENSOR,TEMPERATURE GAUGE

SN: .-UP

1шт.

|23

0

SENSOR,TEMPERATURE GAUGE

SN: 283-.

1шт.

23A

380-885320-2

ADAPTER

SN: 1-UP

1шт.

24

380-S145-000

BOLT

SN: 1-UP

4шт.

25

384-0131098

WASHER

SN: .-UP

4шт.

|25

0

WASHER

SN: 1-.

4шт.

26

380-H14-0000

NUT

SN: 1-UP

4шт.

31

380-890095-1

GROMMET

SN: 1-UP

3шт.

32

381-985159-5

SWITCH,NEUTRAL SAFETY

SN: 1-UP

1шт.

33

381-987777-1

BOOT

SN: 1-UP

1шт.

34

382-025492-1

BOLT

SN: .-UP

2шт.

|34

0

BOLT

SN: 1-.

2шт.

35

384-0120638

WASHER

SN: .-UP

2шт.

|35

0

WASHER

SN: 1-.

2шт.

36

382-025552-1

WASHER

SN: .-UP

2шт.

|36

0

WASHER

SN: 223-.

2шт.

37

381-982858-2

BRACKET

SN: 223-UP

1шт.

38

381-986168-1

WASHER

SN: 1-UP

1шт.

39

380-104467-1

NUT

SN: 1-UP

4шт.

40

381-982857-3

BRACKET

SN: 223-UP

1шт.

40A

385-10051522

BRACKET

SN: 283-UP

1шт.

40B

382-024841-1

BOLT

SN: .-UP

2шт.

|40B

0

BOLT

SN: 283-.

2шт.

40C

380-WL16-000

WASHER

SN: 283-UP

2шт.

41

381-986171-1

ROD

SN: 1-UP

1шт.

42

385-10051701

LAMP,COMBINATION

SN: 283-UP

2шт.

43

08105-12420

BULB¤ 25W

SN: 283-UP

1шт.

44

385-10051711

BULB¤ 6W

SN: 283-UP

2шт.

46A

385-10051721

LENS

SN: 283-UP

2шт.

47

385-10079271

RELAY ASS'Y

SN: .-UP

1шт.

|47

0

RELAY ASS'Y

SN: 43-.

1шт.

48

381-988885-1

REGULATOR

SN: 43-UP

1шт.

49

385-10051811

SUPPORT

SN: 283-UP

2шт.

50

385-10051792

BOX

SN: 283-UP

2шт.

51

385-10051782

PLATE

SN: 283-UP

1шт.

52

382-024865-1

BOLT

SN: .-UP

2шт.

|52

0

BOLT

SN: 283-.

2шт.

53

382-025555-1

WASHER

SN: .-UP

2шт.

|53

0

WASHER

SN: 283-.

2шт.

54

384-0131101

WASHER

SN: .-UP

19шт.

|54

0

WASHER

SN: 283-.

19шт.

55

382-025526-1

NUT

SN: .-UP

19шт.

|55

0

NUT

SN: 283-.

19шт.

56

382-024860-1

BOLT

SN: .-UP

8шт.

|56

0

BOLT

SN: 283-.

8шт.

57

382-024864-1

BOLT

SN: .-UP

2шт.

|57

0

BOLT

SN: 283-.

2шт.

58

381-970605-2

LAMP,REVERSE

SN: 283-UP

1шт.

59

08105-12420

BULB¤ 25W

SN: 283-UP

1шт.

60

381-976941-1

LENS

SN: 283-UP

1шт.

61

385-10059913

BRACKET

SN: 283-UP

1шт.

62

382-024863-1

BOLT

SN: .-UP

8шт.

|62

0

BOLT

SN: 283-.

8шт.

Выбрано товаров: 81