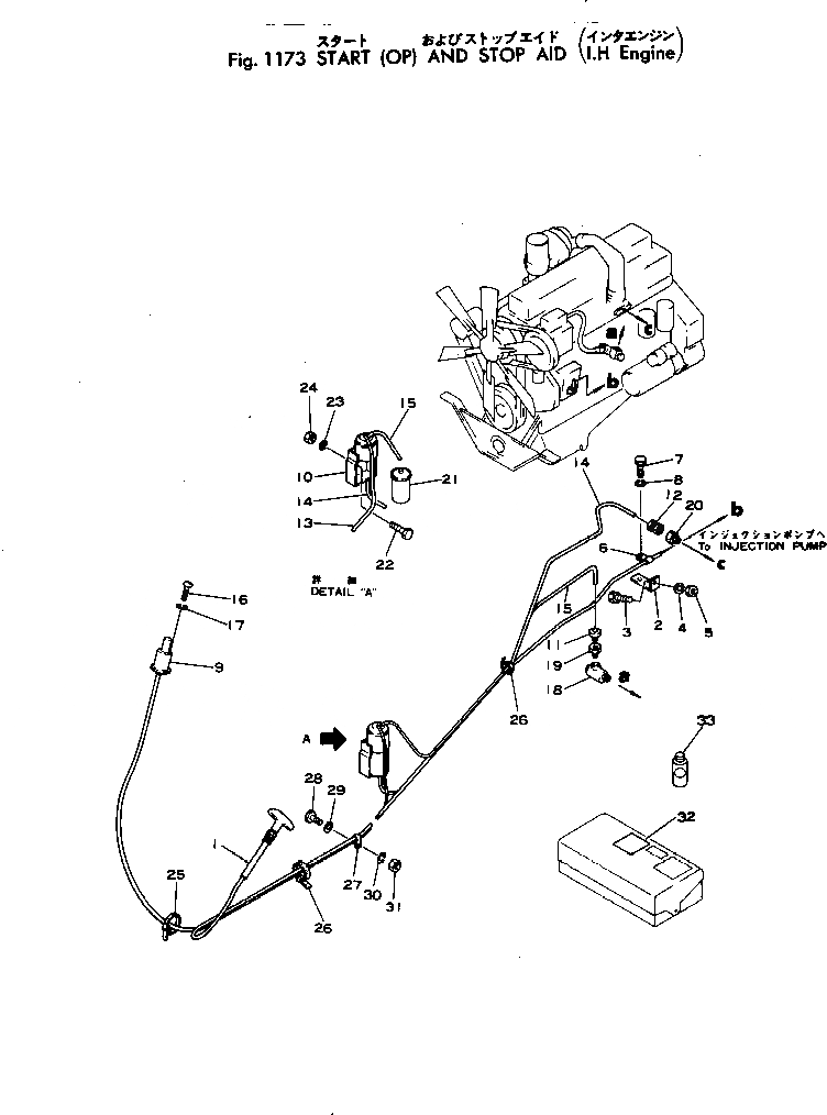
Запчасти Komatsu JH65CH-2 START (OP) И СТОП AID КОМПОНЕНТЫ ДВИГАТЕЛЯ И ЭЛЕКТРИКА

Схема запчастей Komatsu JH65CH-2 - START (OP) И СТОП AID КОМПОНЕНТЫ ДВИГАТЕЛЯ И ЭЛЕКТРИКА
FIT
1:1
100%

Артикул

Название

Примечание

Количество

1

381-986603-4

CABLE

SN: .-UP

1шт.

|1

0

CABLE

SN: 1-.

1шт.

2

381-982813-1

CLIP

SN: 1-UP

1шт.

3

382-025480-1

BOLT

SN: .-UP

1шт.

|3

0

BOLT

SN: 1-.

1шт.

4

384-0131098

WASHER

SN: .-UP

1шт.

|4

0

WASHER

SN: 1-.

1шт.

5

380-H24-0000

NUT

SN: 1-UP

1шт.

6

380-177748-1

CLAMP

SN: 1-UP

1шт.

7

380-S266-000

BOLT

SN: 1-UP

1шт.

8

380-WL16-000

WASHER

SN: 1-UP

1шт.

|9

381-988038-1

STARTING KIT (OP)

SN: 1-UP

1шт.

9

381-989597-1

ACTUATOR (OP)

SN: .-UP

1шт.

|9

0

ACTUATER (OP)

SN: 1-.

1шт.

10

381-884869-1

BRACKET (OP)

SN: 1-UP

1шт.

11

381-884617-1

CONTROL (OP)

SN: 1-UP

1шт.

12

381-884618-1

NOZZLE (OP)

SN: 1-UP

1шт.

13

381-988434-1

TUBE (OP)

SN: 1-UP

1шт.

14

381-988435-1

TUBE (OP)

SN: 1-UP

1шт.

15

381-988436-1

TUBE (OP)

SN: 1-UP

1шт.

16

380-132226-1

BOLT (OP)

SN: 1-UP

2шт.

17

01601-00513

WASHER (OP)

SN: 1-UP

2шт.

18

381-982809-1

TEE (OP)

SN: 1-UP

1шт.

19

380-117378-1

BUSHING (OP)

SN: 1-UP

1шт.

20

380-127535-1

BUSHING (OP)

SN: 1-UP

1шт.

21

382-385064-1

FLUID (OP)

SN: 1-UP

1шт.

22

382-025480-1

BOLT (OP)

SN: .-UP

2шт.

|22

0

BOLT (OP)

SN: 1-.

2шт.

23

384-0131098

WASHER (OP)

SN: .-UP

2шт.

|23

0

WASHER (OP)

SN: 1-.

2шт.

24

382-025519-1

NUT (OP)

SN: .-UP

2шт.

|24

0

NUT (OP)

SN: 1-.

2шт.

25

381-976197-1

STRAP (OP)

SN: 1-UP

1шт.

26

381-976195-1

STRAP (OP)

SN: 1-UP

8шт.

27

380-143142-1

CLIP (OP)

SN: 1-UP

1шт.

28

380-S255-000

BOLT (OP)

SN: 1-UP

1шт.

29

380-WF15-000

WASHER (OP)

SN: 1-UP

1шт.

30

380-WL15-000

WASHER (OP)

SN: 1-UP

1шт.

31

380-H25-0000

NUT (OP)

SN: 1-UP

1шт.

32

381-988978-1

DECAL (OP)

SN: 1-UP

1шт.

33

381-988651-1

CAN (OP)

SN: 1-UP

1шт.

Выбрано товаров: 41