Запчасти Komatsu JH65CV-2 ВОЗДУХООЧИСТИТЕЛЬ КОМПОНЕНТЫ ДВИГАТЕЛЯ И ЭЛЕКТРИКА

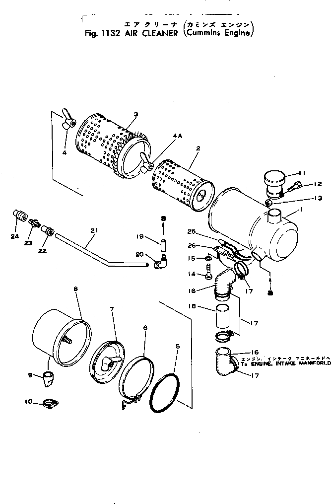
Схема запчастей Komatsu JH65CV-2 - ВОЗДУХООЧИСТИТЕЛЬ КОМПОНЕНТЫ ДВИГАТЕЛЯ И ЭЛЕКТРИКА
FIT
1:1
100%

Артикул

Название

Примечание

Количество

|1

381-980980-3

AIR CLEANER ASS'Y

SN: .-UP

1шт.

|1

0

AIR CLEANER ASS'Y

SN: 10741-.

1шт.

|1

0

AIR CLEANER ASS'Y

SN: 9649-10740

1шт.

1

381-981178-1

BODY

SN: 9649-UP

1шт.

2

381-980702-1

ELEMENT,INNER

SN: 9649-UP

1шт.

3

381-980703-1

ELEMENT,OUTER

SN: 9649-UP

1шт.

4

385-10155521

NUT

SN: 10825-UP

1шт.

|4

0

NUT

SN: 9649-10824

1шт.

4A

385-10155602

NUT

SN: 11125-UP

1шт.

|4A

0

NUT

SN: 10825-11124

1шт.

|4A

0

NUT

SN: 9649-10824

1шт.

5

380-888404-1

O-RING

SN: 9649-UP

1шт.

6

380-888403-1

CLAMP ASS'Y

SN: 9649-UP

1шт.

7

380-888401-1

BAFFLE ASS'Y

SN: 9649-UP

1шт.

8

381-976327-1

CAP ASS'Y

SN: 9649-UP

1шт.

9

380-213773-1

VALVE

SN: 9649-UP

1шт.

10

381-898918-1

CLAMP

SN: 9649-UP

1шт.

11

381-975704-2

CAP ASS'Y

SN: 9649-UP

1шт.

12

380-S2614-00

BOLT

SN: 9649-UP

1шт.

13

380-E26-0000

NUT

SN: 9649-UP

1шт.

14

382-205079-1

BOLT

SN: .-UP

4шт.

|14

0

BOLT

SN: 9649-.

4шт.

15

384-0131100

WASHER

SN: .-UP

4шт.

|15

0

WASHER

SN: 9649-.

4шт.

16

381-975697-1

HOSE

SN: 9649-UP

2шт.

17

382-422688-1

CLAMP

SN: 9649-UP

4шт.

18

381-980996-1

PIPE

SN: 9649-UP

1шт.

19

380-107352-1

COUPLING

SN: 9649-UP

1шт.

20

380-175775-1

ELBOW

SN: 9649-UP

1шт.

21

380-888574-1

FOLLOWER ASS'Y

SN: 9649-UP

1шт.

22

380-175773-1

CONNECTOR

SN: 9649-UP

1шт.

23

381-971896-1

NIPPLE

SN: 9649-UP

1шт.

24

381-366078-1

INDICATOR

SN: .-UP

1шт.

|24

0

INDICATOR

SN: 9649-.

1шт.

25

381-898641-1

PAD

SN: 9649-UP

2шт.

26

381-980172-1

CLAMP

SN: 9649-UP

1шт.

Выбрано товаров: 36