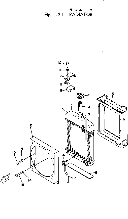
Запчасти Komatsu JH80C-1 РАДИАТОР КОМПОНЕНТЫ ДВИГАТЕЛЯ И ЭЛЕКТРИКА

Схема запчастей Komatsu JH80C-1 - РАДИАТОР КОМПОНЕНТЫ ДВИГАТЕЛЯ И ЭЛЕКТРИКА
FIT
1:1
100%

Артикул

Название

Примечание

Количество

|1

385-10129191

RADIATOR ASS'Y

SN: 10015-UP

1шт.

|1

385-10075701

RADIATOR ASS'Y

SN: 10001-10014

1шт.

1

385-10081381

CORE ASS'Y

SN: 10001-UP

1шт.

2

380-887220-1

STRAINER

SN: 10001-UP

1шт.

3

385-10081401

CAP

SN: 10001-UP

1шт.

4

385-10082711

VALVE

SN: 10015-UP

1шт.

|4

385-10081791

VALVE

SN: 10001-10014

1шт.

5

385-10081371

FRAME

SN: 10001-UP

1шт.

6

381-982889-1

SEAT

SN: 10001-UP

1шт.

7

381-982890-1

CLAMP

SN: 10001-UP

2шт.

8

380-888310-1

SHIM¤ 0.6MM

SN: 10001-UP

-2шт.

9

381-982891-1

CUSHION

SN: 10001-UP

2шт.

10

382-025993-1

BOLT

SN: 10001-UP

8шт.

11

384-0120638

WASHER

SN: 10001-UP

8шт.

12

385-10129181

SHROUD

SN: 10015-UP

1шт.

|12

385-10081361

SHROUD

SN: 10001-10014

1шт.

13

382-025770-1

BOLT

SN: 10001-UP

2шт.

14

382-0131099

WASHER

SN: 10001-UP

6шт.

15

382-025247-1

BOLT

SN: 10001-UP

4шт.

|15

382-025770-1

BOLT

SN: 10001-10014

4шт.

16

385-10081781

PIPE

SN: 10001-UP

1шт.

17

385-10081801

PIPE

SN: 10001-UP

1шт.

Выбрано товаров: 0