Запчасти Komatsu JH80C-1 ГИДРОТРАНСФОРМАТОР¤ ЛИНИЯ ТРАНСМИССИИ (/) ТРАНСМИССИЯ

Схема запчастей Komatsu JH80C-1 - ГИДРОТРАНСФОРМАТОР¤ ЛИНИЯ ТРАНСМИССИИ (/) ТРАНСМИССИЯ
FIT
1:1
100%

Артикул

Название

Примечание

Количество

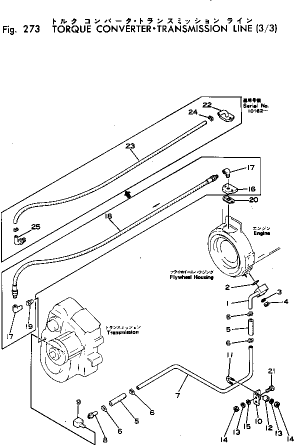
1

385-10096621

TUBE

SN: 10001-UP

1шт.

2

381-876074-1

O-RING

SN: 10001-UP

1шт.

3

01602-01030

WASHER

SN: 10001-10014

4шт.

4

01582-01008

NUT

SN: 10001-10014

4шт.

5

07260-24113

HOSE

SN: 10001-UP

2шт.

6

382-279038-1

CLAMP

SN: 10001-UP

4шт.

7

385-10096611

TUBE

SN: 10001-UP

1шт.

8

385-10051261

TUBE

SN: 10001-UP

1шт.

9

381-982929-1

ELBOW

SN: 10001-UP

1шт.

10

385-10078321

SUPPORT

SN: 10001-UP

1шт.

11

380-144079-1

U-BOLT

SN: 10001-UP

1шт.

12

380-137344-1

SPACER

SN: 10001-UP

2шт.

13

384-0131099

WASHER

SN: 10001-10014

4шт.

14

384-9413979

NUT

SN: 10015-UP

4шт.

|14

382-025522-1

NUT

SN: 10001-10014

4шт.

15

382-025553-1

WASHER

SN: 10001-UP

2шт.

16

385-10082571

PLATE

SN: 10001-10161

1шт.

17

380-886296-1

ELBOW

SN: 10001-10161

2шт.

18

380-889947-1

HOSE

SN: 10001-10161

1шт.

19

381-981871-1

BUSHING

SN: 10001-10161

1шт.

20

385-10089451

GASKET

SN: 10001-UP

1шт.

21

382-024841-1

BOLT

SN: 10001-UP

2шт.

22

385-10159651

PLATE

SN: 10162-UP

1шт.

23

07261-20918

HOSE

SN: 10162-UP

1шт.

24

382-279025-1

CLAMP

SN: 10162-UP

2шт.

25

385-10159641

ELBOW

SN: 10162-UP

1шт.

Выбрано товаров: 26