Запчасти Komatsu JH80C-1 КОВШ УРОВЕНЬLER ЛИНИЯ ПРИВОДВАЛ¤ ДИФФЕРЕНЦ. И КОЛЕСА

Схема запчастей Komatsu JH80C-1 - КОВШ УРОВЕНЬLER ЛИНИЯ ПРИВОДВАЛ¤ ДИФФЕРЕНЦ. И КОЛЕСА
FIT
1:1
100%

Артикул

Название

Примечание

Количество

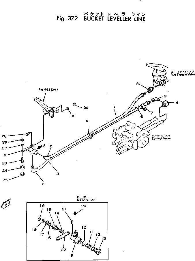
1

385-10179831

HOSE

SN: 10285-UP

1шт.

|1

381-988601-1

HOSE

SN: 10162-10284

1шт.

|1

0

HOSE

SN: 10001-10161

1шт.

2

380-164839-1

ELBOW

SN: 10285-UP

3шт.

|2

380-886296-1

ELBOW

SN: 10001-10284

3шт.

3

385-10179831

HOSE

SN: 10285-UP

1шт.

|3

381-988601-1

HOSE

SN: 10001-10284

1шт.

4

380-117383-1

ELBOW

SN: 10001-10284

1шт.

5

381-976196-1

STRAP

SN: 10285-UP

7шт.

|5

381-976197-1

STRAP

SN: 10001-10284

6шт.

6

381-976195-1

STRAP

SN: 10001-10284

3шт.

7

381-299407-1

CLAMP

SN: 10001-UP

1шт.

8

380-186634-1

VALVE ASS'Y,AIR CONTROL

SN: 10001-UP

1шт.

9

0

BODY

SN: 10001-UP

1шт.

10

380-188564-1

VALVE

SN: 10001-UP

1шт.

11

380-188565-1

SPRING

SN: 10001-UP

1шт.

12

380-OR417-00

O-RING

SN: 10001-UP

1шт.

13

0

NUT

SN: 10001-UP

1шт.

14

380-188570-1

SPRING

SN: 10001-UP

1шт.

15

380-OR411-00

O-RING

SN: 10001-UP

1шт.

16

0

PLUNGER

SN: 10001-UP

1шт.

|17

380-188572-1

SEAL ASS'Y

SN: 10001-UP

1шт.

17

380-188573-1

SEAL

SN: 10001-UP

1шт.

18

380-188574-1

WASHER

SN: 10001-UP

1шт.

19

380-188575-1

RING

SN: 10001-UP

1шт.

20

384-0444691

PLUG

SN: 10001-UP

1шт.

21

0

PIN

SN: 10001-UP

1шт.

22

0

LEVER

SN: 10001-UP

1шт.

23

380-888574-2

FOLLOWER ASS'Y

SN: 10001-UP

1шт.

24

380-888573-2

BUSHING

SN: 10001-UP

1шт.

25

381-970543-1

CAP

SN: 10001-UP

1шт.

26

382-026030-1

NUT

SN: 10001-UP

1шт.

27

382-025551-1

WASHER

SN: 10001-UP

1шт.

28

382-025483-1

BOLT

SN: 10001-UP

2шт.

29

382-025519-1

NUT

SN: 10001-UP

2шт.

30

382-025555-1

WASHER

SN: 10001-UP

2шт.

31

380-175773-1

CONNECTOR

SN: 10001-UP

1шт.

Выбрано товаров: 37